一、NRF51822 介绍
内核cortex-M0,32位,256k/128K的flash,32k/16k的RAM。支持蓝牙低功耗,Nordic的2.4G协议栈与NRF24L系列产品兼容。丰富可选的模拟和数字外设,灵活的31个引脚的映射允许IO像串口、PWM、方波调制到引脚。支持低功耗协议堆栈。
nRF51 SDK提供外部软件支持蓝牙低功耗和2.4G特有应用。宽电压供电2.1-3.6V供电。
Nordic的协议栈交 SoftDevice,SoftDevice 预编译,链接成二进制文件,SoftDevice可以编译进NRF51系列的SOC。51822 支持S110 S120 S130的SoftDevice协议栈。
S110是一个低功耗广播协议栈,集成了蓝牙的智能控制和主机,为SOC提供灵活的API。特点:兼容低功耗单模式协议栈、链路层、L2CAP ATT SM协议、GATT GAP L2CAP、并行外设和广播、GATT客户端和服务器,兼容NRF51 SDK
外设:3个16/24位定时器,16个通道外设互联器、128位加密、RTC、温度传感器、31个GPIO配置灵活、4个PWM、ADC。
二、环境搭建
我用的Keil5,因为Keil里边没有Nordic的pack所以需要装Nordic的插件NRF51_SDK-xx.msi,NRF51_sdk默认是装载C盘的所以keil也要装在C盘,在其他盘里keil找不到Nordic的插件。安装完后就可以像stm32那样一步步建立工程。
安装NRFgostudio,用来将协议栈下载到NRF51芯片。http://www.nordicsemi.com/eng/Products/2.4GHz-RF/nRFgo-Studio 官网下载,根据电脑系统选择32位或64位的。
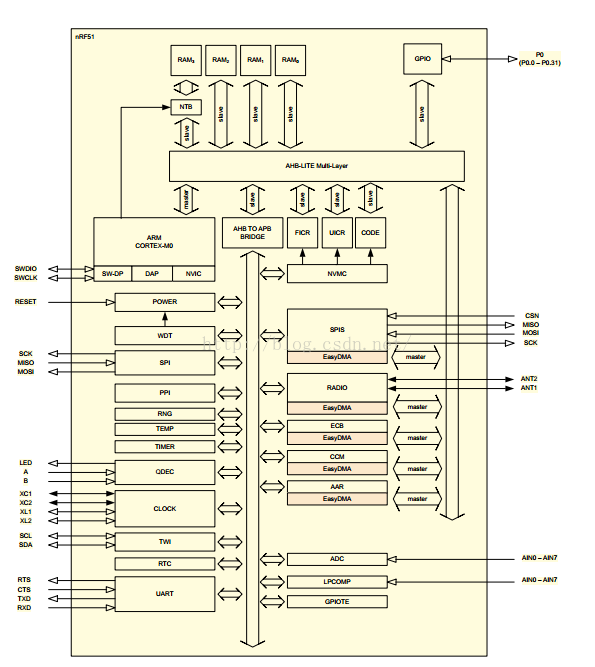
三、NRF51系列参考手册
架构图



3.1 NVMC(非易失性内存控制器)
内存控制器用来写和擦除NVM(非易失性存储器)。写ROM之前先使能CONFIG.WEN,同样的在擦除之前使能CONFIG.EEN。写和擦除不能同时使能。
烧写代码的时候,代码一个字一个字的被写入CODE或者UICR(用户信息配置寄存器)。
3.2 擦除
擦除UICR(用户信息配置寄存器)有两个寄存器,ERASEALL和ERASEUICR.只有把代码区也擦除掉的时候使用ERASEUICR才有效。
擦除使能,使用寄存器ERASEALL可以擦除代码区和UICR但是不会擦除出厂信息配置寄存器(FICR).
擦除代码区1的一个页:
当擦除使能的时候,ERASEPAGE寄存器或者ERASEPCR1可以一个页一个页的擦除ROM.擦除完成后所有的位都变成1.
擦除代码区0的一个页:
擦除使能,ERASEPCR0用来擦除代码区0的一个页。代码区0的程序也可以擦除代码区1的。

最后
以上就是坚定未来最近收集整理的关于NRF51822 学习的全部内容,更多相关NRF51822内容请搜索靠谱客的其他文章。
发表评论 取消回复