四人抢答器
一、实验目的
1、熟练掌握AB的PLC编程软件CCW的使用
2、加深对PLC编程原理的理解
3、了解PLC的实际使用过程
二、实验内容及要求
1、实验内容:
设计一个四人抢答器,当主持人按下允许按钮后,四名选手方可抢答,未经主持人允许,按下抢答按钮即为犯规,需主持人复位后才可重新开始抢答。
2、实验要求:
1)主持人按下开始抢答按钮,抢答指示灯亮后选手方可抢答,-一位选手成功抢答后,互锁其他选手;
2)抢答成功后,选手对应的指示灯亮;
3)主持人未按下开始按钮,选手抢答,此时犯规,犯规选手,对应的指示灯闪烁;
4)主持人按下复位按钮后,所有指示灯熄灭,系统复位。
三、实验参数设置:
Micro830的DI_02, DI_04, DI_06, DI_08对应的按钮分别代表A、B、C、D四位选手对应的抢答器DO_01,DO_02 ,DO_03,DO_04四路输出指示灯分别对应了四路抢答器;DI_03对应了主持人允许按钮,DO_00对应输出为支持人允许指示灯;DI_05对应了主持人复位按钮,DO_06对应输出为犯规指示灯。
四、实验程序及结果
实验程序:
如下图。
(1)第一行程序是一个对应主持人自锁的程序,主持人按下DI03按钮时对应DO00亮并且自锁。
(2)第二行到第五行程序,四位选手的抢答电路,当支持人允许抢答后,DO00闭合,与此同时,当哪位选手优先抢答成功,那么对应选手的灯亮并且自锁,除此之外互锁另外其他三位选手的抢答电路使得其他选手无法进行抢答,当按下复位按钮,所有电路断开,电路恢复到最初始的状态;
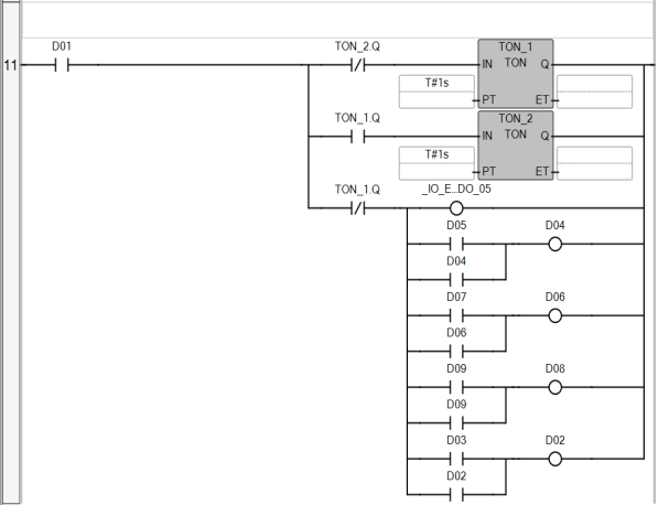
(3)当主持人没有表示开始抢答时候,选手进行的抢答,视为犯规,利用11号图电路双TON延时闭合定时器制成了闪烁电路;选手犯规后,对应6号图电路接通并自锁使得中间变量D01常开触点闭合并且对应该选手的中间变量D0x(x=3,5,7,9分别对应1-4号选手)常开触点闭合并自锁,因此对应的11号电路开始工作,每接通1s,对应的犯规选手的灯就闪烁一次。例如一号选手犯规D01与D03常开触点闭合,刚开始输入时TON定时器是延时闭合,闭合前D02进行了自锁,使得抢答电路中1号选手输出的灯亮。当延时时间达到,D02断开使得1号选手输出的灯灭,实现了闪烁的功能。




实验结果:主持人按下允许按钮后,四名选手开始抢答,抢答成功选手对应的输出指示灯常亮,主持人按下复位按钮后,所以灯熄灭;未经主持人允许,A选手按下按钮,A同学对应输出灯闪烁,同时DO_05对应输出灯也闪烁,B选手也按下,B选手对应的输出灯也闪烁;只要有选手犯规,DO_05这路输出指示灯闪烁,同时该选手对应的输出也闪烁,这时候主持人按下复位按钮后,所有闪烁的灯全灭;当主持人再次按下允许按钮后,可重新抢答。
最后
以上就是大胆苗条最近收集整理的关于PLC-四人抢答器设计的全部内容,更多相关PLC-四人抢答器设计内容请搜索靠谱客的其他文章。
发表评论 取消回复