图源来自网络,侵权请联系。
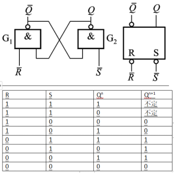
- 基本RS触发器(与非门)

分析:当S和R输入都是0的时候,那么与门只受Q和Q非的影响;当S输入为1,R输入为零的时候,很显然(G2接收到S非为零,那么整个与门输出为1)G2输出为1,那么G1输出为0;同理可以推出S输入为0,R输入为1时的情况;当S和R的输入都是1是,两个与门都接收到0,那么输出都为1,很显然这不符合Q和Q非一个为0一个为1的情况。(尤其是当S和R突然从全1状态变为全0状态后,输出端受S和R信号传到与门的快慢影响)
下面举例一个基本RS触发器的波形

-
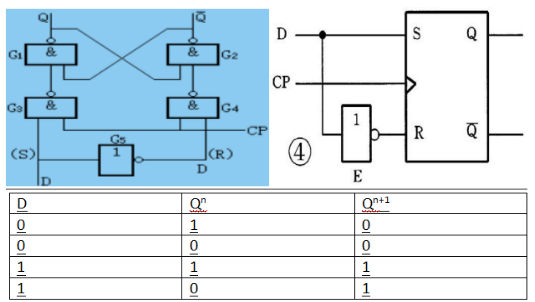
同步D触发器

分析:同步D触发器在基本RS触发器的基础上添加了时钟脉冲(有利于保证输入信号同时进入与门发挥作用),该触发器也避免了输入相同的情况,图示触发器受时钟脉冲上升沿控制。
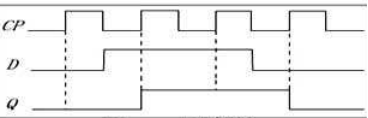
下面以一个波形加深理解

-
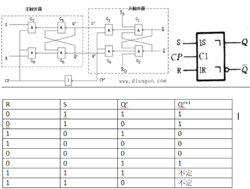
主从型触发器
主从RS触发器

注:以上表格数据变化均发生在时钟下降沿到来时。
分析:当时钟上升沿到来时,主触发器开始发生直到下降沿到来时,主触发器不再变化,从触发器开始发生变化。
下面以一个波形图为例进行分析

分析:当第一个上升沿到来时,主触发器Q’输出高电平,下降沿到来时,从触发器Q输出高电平,当第二个上升沿到来时,主触发器变为下降沿,从触发器变为下降沿。主触发器在整个高电平期间都可能发生变化,从触发器只在下降沿瞬间发生变化。
注意:但是主从型RS触发器并未改变RS输入同时为1时的限制。在分析波形图时不能只看下降沿到来时的RS值。
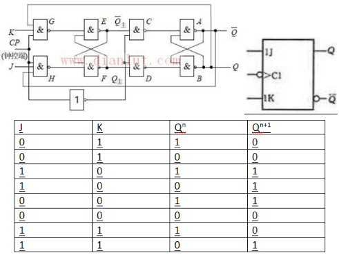
主从型JK触发器

注:以上状态变化均发生在时钟下降沿到来时。分析:主从型JK触发器有效地解决了输入端同时为1的情况。以下做简要分析,当JK均为0时,主触发器保持原来状态不变,那么从触发器也保持原来状态不变;当J为1,K为0时,当Q为1时,主触发器相当于输入端同时为0,保持原来状态不变,当Q为0时,主触发器J端相当于输入1,K端输入0,那么主触发器Q端输出1,下降沿到来时,从触发器Q端输出1;当J和K都输入1时,从触发器Q为0时,相当于主触发器J端输入1,K端输入为0,那么从触发器Q端输出1;当J和K都为1,从触发器Q端为1时,相当于主触发器J端输入0,K端输入1,则从触发器Q端输出0。
一次反转问题:在一个时钟变化周期内,主触发器最多只会发生一次变化,因为主触发器一端输入(由于从触发器输出端的返回)肯定为0,另一端输入为1时发生变化,输入为0则保持不变。
注意:波形判断时,也不可以仅仅依靠表格信息。

最后
以上就是冷傲老师最近收集整理的关于几种常见触发器简介分析的全部内容,更多相关几种常见触发器简介分析内容请搜索靠谱客的其他文章。
发表评论 取消回复