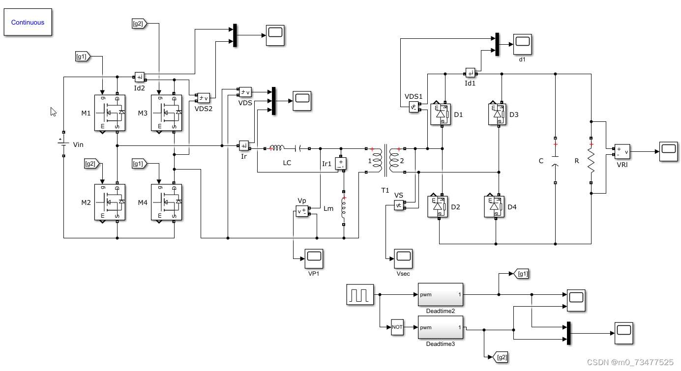
FB_LLC:基于MATLAB/Simulink的全桥LLC变换器仿真模型。
仿真条件:MATLAB/Simulink R2015b,购买前如需转成低版本格式请提前告知,谢谢。

ID:5180671257528806
Silence

最后
以上就是虚心学姐最近收集整理的关于FB_LLC:基于MATLAB/Simulink的全桥LLC变换器仿真模型的全部内容,更多相关FB_LLC:基于MATLAB/Simulink内容请搜索靠谱客的其他文章。
本图文内容来源于网友提供,作为学习参考使用,或来自网络收集整理,版权属于原作者所有。
发表评论 取消回复