今日光电
有趣、有料、有深度光电技术及科技资讯
分享让整个世界变得温暖,他人因你的分享而变好!欢迎分享有价值的东西!今日光电因你而变,欢迎留言、分享...我们一起用科技光耀世界、温暖人间……
目前,数据中心已经向25G/100G网络架构演进,国内许多互联网巨头公司早已实现了规模部署。25G/100G光模块出货量越来越大,显示了25G/100G光模块的时代已经到来。建设25G/100G数据中心需要大量100G光模块,在网络建设成本中占比较高,100G光模块标准都有哪些?我们又该如何选择呢?
一、定义100G光模块标准的组织
IEEE和MSA(Multi Source Agreement,多源协议)是定义光模块标准的两个关键组织,两者之间互补而又互相借鉴。
IEEE(Institute of Electrical and Electronics Engineers)电子电气工程师协会,802.3是IEEE下面的一个工作组,10G、40G、100G、400G的光模块标准都是由IEEE 802.3工作组提出的。
MSA是一个多供应商规范的非官方形式组织,可以理解为产业内企业联盟行为。MSA除了定义光模块的结构封装(包括外形尺寸,电连接器,引脚分配等),也会定义电接口、光接口,从而形成完整的光模块标准。
光模块产业链在刚开始时非常混乱,各个厂家光模块的结构封装,体积大小,接口类型各不相同。为了解决这个问题,MSA多源协议应运而生,各厂家都遵循MSA提出的标准,统一光模块的结构封装和相关接口。产业链的标准化促进了行业的发展。
二、100G光模块标准
为了满足不同距离的100G互联场景,IEEE 以及MSA定义的100G标准超过十种,但是主流的是下面六种标准。

(图一 100G光模块主流标准)
其中100GBASE开头的标准都是IEEE 802.3提出的。

如上图所示:100GBASE-LR4名称中,LR表示long reach,即10千米。4表示四通道,即4*25G。组合在一起为可以传输10千米的100G光模块。
其中-R的命名规则如下:

(图二 -R名词解释)
为什么MSA要提出PSM4以及CWDM4标准呢?因为对于大型数据中心内部互联场景来说,100GBASE-SR4 传输的距离太短,而100GBASE-LR4成本太高。所以,数据中心需要中距离互联的解决方案,PSM4和CWDM4就有了诞生的理由。
当然100GBASE-LR4的能力完全覆盖了CWDM4,但在2千米传输的场景下, CWDM4方案成本更低,更具竞争力。
下图是100GBASE-LR4以及100G CWDM4的原理图

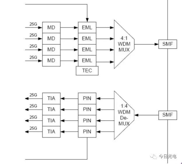
(图三 100GBASE-LR4原理图)

(图四 100G CWDM4原理图)
三、不同100G光模块的区别
1、LR4和CWDM4光模块的区别
LR4和CWDM4从原理上类似,都是通过光学器件MUX以及DEMUX将4条并行的25G通道波分复用到一条100G光纤链路上。不过两者存在几点区别:
(1)LR4使用的光学MUX/DEMUX器件更贵
CWDM4的波长间隔是20nm ,因为激光器的波长温漂特性大约是0.08nm/°C,0~70°C工作范围内的波长变化大约是5.6nm,通道本身也要留一些隔离带。
通道一:1264.5~1277.5nm
通道二:1284.5~1297.5nm
通道三:1304.5~1317.5nm
通道四:1324.5~1337.5nm
而LR4则定义了4.5nm的LAN-WDM间隔。
通道一:1294.53~1296.59nm
通道二:1299.02~1301.09nm
通道三:1303.54~1305.63nm
通道四:1308.09~1310.19nm
通道间隔越大,对光学MUX/DEMUX器件的要求就越低,可以节省成本。
(2)LR4使用的激光器更贵,功耗更大
CWDM4使用DML(Direct Modulated Laser,直接调制激光器),而LR4使用EML(Electro-absorption Modulated Laser,电吸收调制激光器)。
DML是单颗激光器,而EML是两个器件,一颗是DML,另一颗是EAM调制器,合在一起叫做EML。DML的原理是通过调制激光器的注入电流来实现信号调制,由于注入电流的大小会改变激光器有源区折射率,造成波长漂移(啁啾)从而产生色散,做高速信号调制很困难,传的也不够远。10KM对于DML来说有点力不从心,只能上EML。
注:啁啾(Chirp)是指频率随时间而改变(增加或减少)的信号,这种信号听起来类似鸟鸣的啾声。
(3)LR4需要额外增加TEC
因为LR4的相邻通道之间只有4.5nm的间隔,所以激光器需要放到TEC上控温。电路上需要放置TEC Driver芯片,Laser也要集成到TEC材料上来做,这样一来,相比CWDM4,LR4的成本又有所增加。
2、PSM4与CWDM4光模块的区别
100G PSM4规范定义了8芯单模光纤(4个发送和4个接收)的点对点100 Gbps链路。每个通道以25 Gbps的速率发送。每个信号方向使用四个相同波长且独立的通道。因此,两个收发器通常通过8芯光纤MTP / MPO单模跳线进行通信。PSM4的传输距离最大为500米。

(图五 PSM4原理图)
如下图所示,由于使用了波分复用器,所以CWDM4的光模块成本要高于PSM4光模块,不过CWDM4收发双向只需要两根单模光纤,远少于PSM4的8根单模光纤,随着距离的增加,PSM4方案的总成本上升得非常快。在实际应用中需要依据互联距离来决定使用PSM4还是CWDM4。

(图六 CWDM4光模块 vs PSM4光模块)
3、SR10与SR4的区别
100GBASE-SR10标准最早被提出应用于100G的短距互联。它使用10 x 10Gbps并行通道实现100Gbps点对点传输,电信号的速率是10G,光信号速率也是10G,采用NRZ的调制方式及64B/66B的编码方式。因为IEEE 802.3早在2010年提出100GBASE-SR10标准,当时交换机ASIC芯片(Application Specific Integrated Circuit)电接口最高只能支持10G,即CAUI-10(10通道 x 10Gbps)。

(图七 100GBASE-SR10 原理图)
后来交换机ASIC芯片电接口速率从10Gpbs提升到25G bps,100GBASE-SR4取代100GBASE-SR10已成定局。100GBASE-SR4相比于100GBASE-SR10:成本更低、体积更小、功耗更低。

(图八 100GBASE-SR4 原理图)
四、100G光模块的封装形式
100G光模块的封装格式主要有CFP、CFP2、CFP4以及QSFP28。目前QSFP28是数据中心内部100G光模块的主流封装形式。

CFP最早被提出,短距传输应用100GBASE-SR10标准,长距传输应用100GBASE-LR4。第一代CFP长距传输方案如下,因为电接口能力只有CAUI-10,所以需要内置Gearbox(下图的10:4 Serializer)来实现10 x 10Gbps与4 x 25Gbps电信号的转换。后来随着电信号提升到CAUI-4,第二代CFP(CFP2/CFP4)长距传输方案中不需要内置Gearbox。

(图九 第一代CFP光模块长距解决方案)
但是,CFP尺寸实在太大了,随着光模块的集成度越来越高,后来的发展方向是把尺寸做小、功耗做低,CFP得以演进到CFP2、CFP4,再到后来出现的QSFP28。相比CFP4,QSFP28的尺寸更小、功耗更低,QSFP28更小的尺寸使得交换机拥有更高的端口密度(典型的形态是每块板卡可以部署36个100G接口)。

(图十 CFP/CFP2/CFP4/QSFP28光模块尺寸对比)
关于25G/100G数据中心内部互联如何选择光模块?建议大家参考如下标准:
不超过100米的100G短距互联场景(TOR-LEAF),使用100GBASE-SR4 QSFP28光模块;
100米到500米的100G中距互联场景(LEAF-SPINE),使用100G PSM4 QSFP28光模块;
500米到2千米的100G中长距互联场景(LEAF-SPINE、SPINE-CORE),使用100G CWDM4 QSFP28光模块;
超过2千米的长距互联场景(CORE-MAN),使用100GBASE-LR4 QSFP28光模块。
PS:最后附上专业术语解释

文章源自网络整理,仅供交流参考
往期精彩回顾
100G光模块的现状及标准
5G网络的必需品——25G光模块/100G光模块
802.11ac和 802.11ax的关键区别是什么?
下一代WiFi已来 802.11ax狂飙10Gbps!
硬件知识|有些东西你认为很简单,其实都是学问
PCI-Express接口的布线规则
光模块常见的十种封装形式
关于静电放电保护,太专业了!
激光器LD的参数意义总结!
25G SFP28 SR和LR有什么区别?
激光的调制方式有很多,快来看哪种适合你?
眼图(Eye Diagram)与数字信号测试
Combo PON如何兼容GPON和XGPON?
消光比为什么不是越大越好?

最后
以上就是闪闪小蜜蜂最近收集整理的关于100g光模块厂家排名_我们一起来详谈100G光模块的标准及封装形式!的全部内容,更多相关100g光模块厂家排名_我们一起来详谈100G光模块内容请搜索靠谱客的其他文章。
发表评论 取消回复