通信系统进行调制和解调的原因以及调制的分类方法
一、 通信系统调制、解调的原因
调制是使载波信号的某个参量随基带信号的变化而变化,进而实现基带信号转换成频带信号。其中,数字调制是把数字基带信号调制到载波的某个参数上,使得载波的参数(幅度、频率、相位)随数字基带信号的变化而变化。
解调的作用:在通信系统的接收端对应要有解调过程,其作用是将信道中的频带信号恢复为基带信号。
二、RFID系统调制的分类方法
(1)振幅键控(ASK)
1、调制
2ASK信号产生与波形图如图所示:

2、解调
二进制移幅键控信号有两种解调方法:非相干解调(包络检波法)和相干解调。
(2)频移键控(FSK)
1、FSK调制

FSK实现的原理框图
2、FSK解调

FSK解调电路原理图
(3)相移键控(PSK)
1、调制
2PSK信号波形图 :

2、解调
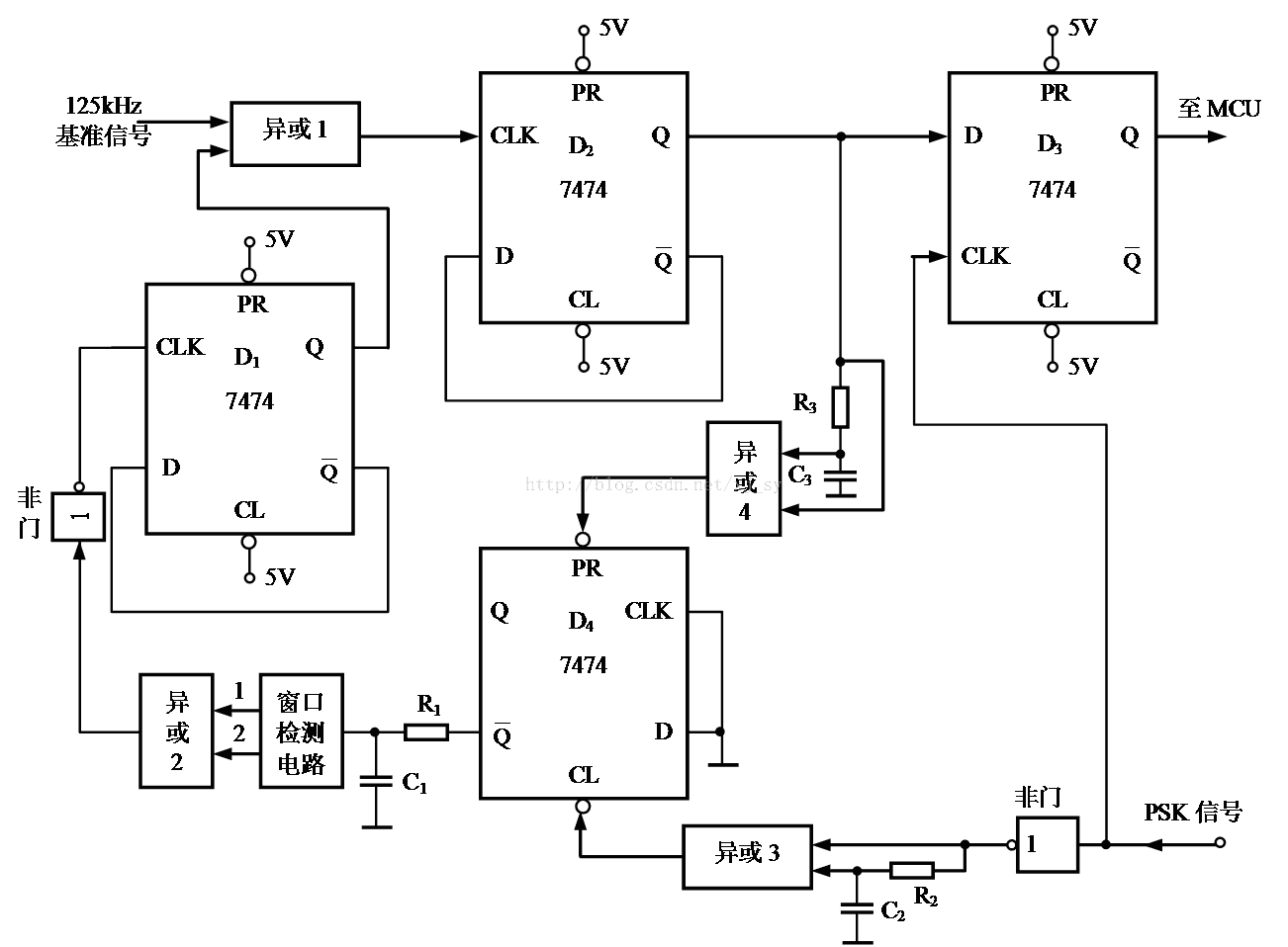
PSK解调电路:

(4)副载波调制
在实际的RFID应用中,电子标签首先将要发送的基带编码信(通常采用曼彻斯特编码)调制到副载波上,此时得到的已调信号通常叫做副载波调制信号。接着将副载波调制信号再次用更高频的载波信号进行二次调制,实现向读写器传输消息。
最后
以上就是背后苗条最近收集整理的关于RFID作业3-2的全部内容,更多相关RFID作业3-2内容请搜索靠谱客的其他文章。
本图文内容来源于网友提供,作为学习参考使用,或来自网络收集整理,版权属于原作者所有。
发表评论 取消回复