数电实验(一)利用与非门设计四舍五入判别电路
要求:
1、输入为8421BCD码,接四个逻辑电平开关,同时接数码管。
2、输出和LED相连。
一、写出逻辑函数:
F(A,B,C,D)=∑m(5,6,7,8,9,10,11,12,13,14,15)
二、作出函数的卡诺图并化简

三、得到化简后的逻辑函数
F=A+BD+BC
注意:该逻辑表达式是与或式,因为我们要用与非门,所以应将其转化为与非式
所以,F=(A’(BD)’(BC)’)'
(注:A’是A非;(BD)'是BD非; (BC)'是BC非 )
四、介绍所用芯片(TTL器件)
关于TTL元件的介绍在此便不再赘述,只给出我们所需要的芯片的简单使用方法。
在此我们使用一片74LS00和一片74LS20


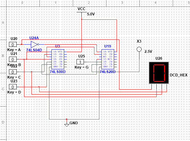
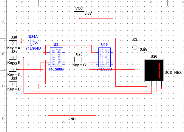
五、利用Multisim进行仿真
如下图数码管显示输入的二进制数所对应的十进制数,当数大于等于5时,指示灯亮红色。










最后,此文章为作者原创,仅供参考,如有错误感谢批评指正,如有不足,小编也会继续努力改进。如果你觉得文章还不错,请大家点赞、分享、留言,谢谢大家。
最后
以上就是灵巧乐曲最近收集整理的关于数电实验(一)利用与非门设计四舍五入判别电路数电实验(一)利用与非门设计四舍五入判别电路的全部内容,更多相关数电实验(一)利用与非门设计四舍五入判别电路数电实验(一)利用与非门设计四舍五入判别电路内容请搜索靠谱客的其他文章。
本图文内容来源于网友提供,作为学习参考使用,或来自网络收集整理,版权属于原作者所有。
发表评论 取消回复