兼容正点原子屏幕,可以串口通信。可直接打板。
下载链接:STM32F407
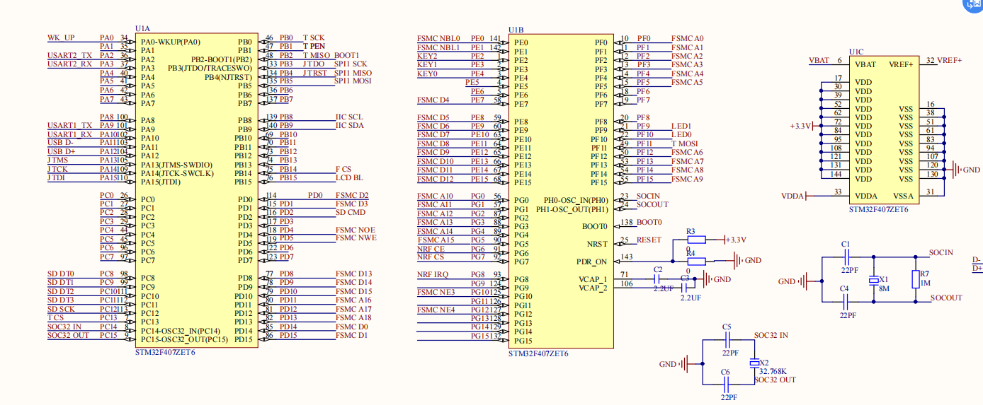
一、主电路
二、串口电路
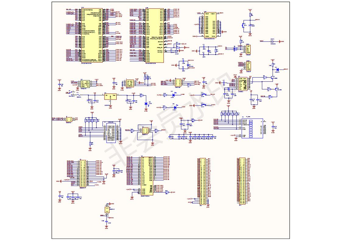
总电路图
PCB

最后
以上就是俭朴朋友最近收集整理的关于STM32F407ZET6最小系统板的全部内容,更多相关STM32F407ZET6最小系统板内容请搜索靠谱客的其他文章。
本图文内容来源于网友提供,作为学习参考使用,或来自网络收集整理,版权属于原作者所有。
兼容正点原子屏幕,可以串口通信。可直接打板。
下载链接:STM32F407
一、主电路
二、串口电路
总电路图
PCB

以上就是俭朴朋友最近收集整理的关于STM32F407ZET6最小系统板的全部内容,更多相关STM32F407ZET6最小系统板内容请搜索靠谱客的其他文章。
发表评论 取消回复