NFC硬件设计一般采用NFC控制器芯片,控制器芯片一般包括4个部分:
- 电源部分
- 主控接口
- 时钟接口
- 天线匹配电路

其中电源部分、主控接口、时钟晶振部分比较简单,可以参照芯片手册进行设计。本篇文章重点介绍下NFC天线的设计。
天线设计包括天线部分和匹配电路部分。
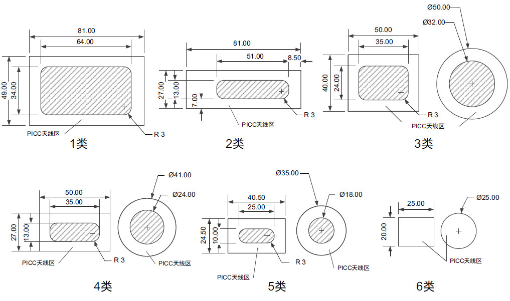
ISO/IEC14443定义了六类天线,对每个NFC设备,需认真设计天线部分保证最佳性能。

其中天线部分的串联等效电路如下所示:

其中 L a L_a La表示线圈的电感量, R a R_a Ra表示线圈的电阻, C a C_a Ca表示等效电容。
典型推荐值:
L
a
L_a
La=0.3…3uH
R
a
R_a
Ra=0.3…2Ω
C
a
C_a
Ca=3…30pF
要使得天线工作于13.56MHz,可以在天线外部并联或串联一个电容,电容与电感组成LC谐振电路,调整串联/并联电容的大小使得谐振频率为工作频率13.56MHz。
NXP公司的NFC天线电路如下:

其中L0、C0是低通滤波器,滤除晶振的高次谐波。C1、C2是匹配电路用于工作频率和输入阻抗。 R s R_s Rs是串联电阻,用于调整天线的Q值与带宽。关于匹配电路的器件值具体选定,推荐NXP的NFC Antenna Design Tool。只需要把天线参数输入进去,匹配值就自动计算出来,使用非常方便,如下示意:

最后
以上就是顺心彩虹最近收集整理的关于NFC技术 (二) -硬件设计的全部内容,更多相关NFC技术内容请搜索靠谱客的其他文章。
发表评论 取消回复