钽电容耐压等级标识
简短的说:
钽电容对电压要求比较高,一般要求留有50%的裕量。如果超出其耐压值,则会损坏,甚至爆炸。
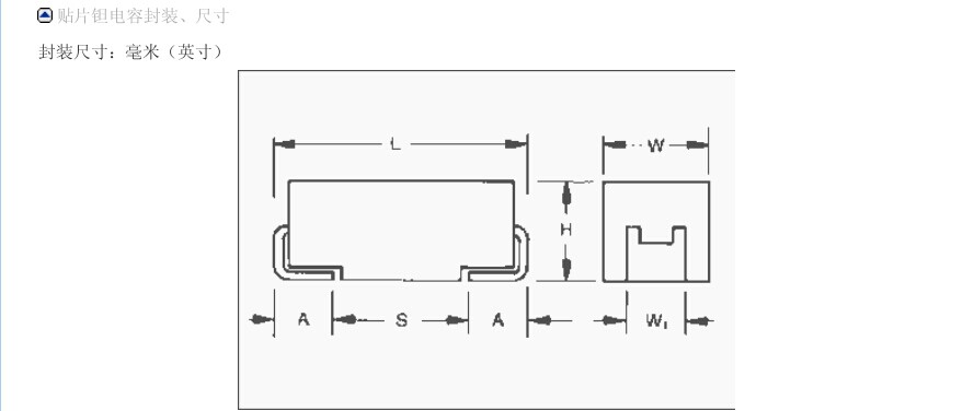
像7343的电容封装,表示的是长7.3mm,宽4.3mm。



电容值是这样计算的:如果标识107E,其中E代表的是耐压值25V,107表示的是容值,10x10的7次方的pF,pF上边的单位nF,uF.因此,107表示的是100uF,227表示的是220uF。上图中左侧有白色条纹是钽电容的正极。
版权声明:本文为博主原创文章,未经博主允许不得转载。
转载于:https://www.cnblogs.com/otaku-lip/p/4765036.html
最后
以上就是成就可乐最近收集整理的关于钽电容耐压值的全部内容,更多相关钽电容耐压值内容请搜索靠谱客的其他文章。
本图文内容来源于网友提供,作为学习参考使用,或来自网络收集整理,版权属于原作者所有。

发表评论 取消回复