





详细说明
01、【开发计划内容】-标准模板{文档}
1.包含二级模块开发计划,标注里程碑验收节点;
2.包含架构设计、数据库设计输出时间;
3.包含接口开发计划及其接口明细;
4.所有节点分配到具体的人和具体的开始结束时间;
02、【开发计划评审标准】-标准审核{邮件}
1.审核人:由项目经理、QA、PMO共同审核;
2.审核是否包含需求中的所有一级、二级模块,各个模块是否定位到人,各个模块的开发周期是否合理;
3.审核阶段性交付物的完成时间和完成标准;
4.评审开发交付物的验收交付时间和清单;
5.评审开发阶段其他计划事项(例如服务器准备、数据迁移准备、数据迁移方案等、);
6.接口开发计划和接口清单;
7.邮件形式发送:审核通过、审核不通过【不通过原因】、条件通过【待办事宜全部解决视为通过】;
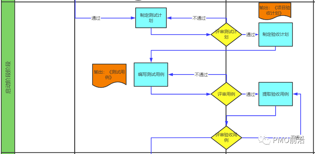
03、【测试计划内容】-标准模板{文档}
1.包含各个模块测试用例编写时间点和评审时间点;
2.包含测试用例执行开始时间和结束时间;
3.包含接口测试计划;
4.包含阶段性验收计划;
04、【测试计划评审标准】-标准审核{邮件}
1.评审人:QA 、项目经理、 PMO;
2.审核测试计划与开发计划、整个项目里程碑计划是否匹配及其合理性;
3.审核测试计划阶段性输出项目的模块划分、时间节点;
4.审核测试准备项(缺陷工具准备计划、接口测试工具准备计划等);
05、【测试用例内容】-标准模板【文件】
1.给定标准的测试用例模板;
2.一级模块、前端、后台分不同页签编写测试用例;
06、【测试用例评审标准】-标准审核{邮件}
1.评审测试用例是否包含所有一级模块;
2.评审测试用例是否包含原型PRD中包含的所有业务规则;
3.评审测试用例是否包含关于输入框中边界值、无效等价类、异常操作;
4.评审探索性测试点(按钮连点、上传被修改后缀名的文件等);
07、【验收测试用例内容】-标准模板【文件】
1.提取阶段性测试用例中模块主要功能点;
2.验收用例范围在系统测试用例中20%-40%,100条用例,提取其中最多40条用例进行做验收测试;
3.验收测试是否包含主体正常业务流程的所有节点;
08、【验收测试用例评审标准】-标准审核{邮件}
1.审核人:产品经理、 项目经理 、供应商;
2.内部审核验收测试用例功能点是否包括所有主体业务流程的功能点;
3.供应商审核阶段性验收/整体测试用例的功能点,确认在阶段性/整体提交验收时承诺达到满足验收测试用例的所有功能点;
4.验收测试用例通过后,以邮件形式告知所有乙方供应商、项目经理和QA,纳入基线管理。
09、【提交整体/阶段性验收内容】-标准模板【邮件】
1.提交提测邮件:主题【XX项目XX阶段/整体申请提交验收】包括:阶段性/整体测试用例执行,环境地址,服务器配置,数据库,其他功能不可用说明;
2.标准环境配置文档模板(IOS端、安卓端、后台、后台账号);
3.标准数据库配置文档模板(数据库账号登陆账号、数据库数据字典);
4.整体/阶段性测试报告文档模板;
5.缺陷清单;
10、【提交整体/阶段性验收审核】-标准模板【邮件】
1.审核提测内容是否完整,是否按照标准提测;
2.审核提测文件是否可用,配置是否正确,账号是否可用;
3.阶段性测试用例执行通过率90%以上;
4.整体测试用例执行通过率100%;
5.审核阶段性/整体测试报告;
11、【阶段/整体验收报告内容】-标准模板【文件】
1.验收用例可执行条数,不可执行用例条数,用例可执行条数通过率;
2.验收缺陷总数,BUG级别(A级X个,B级X个,C级X个);
3.验收结果:通过,不通过;
12、【阶段/整体验收报告标准】-标准模板【邮件】
1.不存在A级BUG;
2.验收可执行用例90%;
3.验收可执行用例通过率90%;
4.阶段性验收:第N个阶段=前N-1个阶段用例执行+当前阶段用例执行总数;
5.整体验收执行整体验收用例;
13、【测试结项内容】-标准模板【邮件】
1.测试计划、测试用例、验收用例、阶段性/整体测试报告、阶段性/整体验收报告文档归档;
2.测试计划评审结果,测试用例评审结果,提交阶段性/整体验收评审结果,阶段性/整体验收结果【邮件】+【文件】归档;
3.供应商指标:阶段性验收是否通过,阶段性验收用例通过率,整体验收是否通过,整体验收用例通过率,缺陷总数,A级缺陷总数,A级BUG最长解决时间;
4.测试组KPI指标:(线下提交缺陷+甲方验收过程中提出被定义为缺陷的数量)/甲方验收中提出被定义为缺陷的数量,将根据最近10个项目的指标值,建立测试组整体核心KPI指标;
最后
以上就是阔达水池最近收集整理的关于图解外包验收流程V2.0及详细说明实例的全部内容,更多相关图解外包验收流程V2内容请搜索靠谱客的其他文章。
发表评论 取消回复