Arduino开发遥控小车(二)基于nRF24L01无线模块实现数据发送和接收

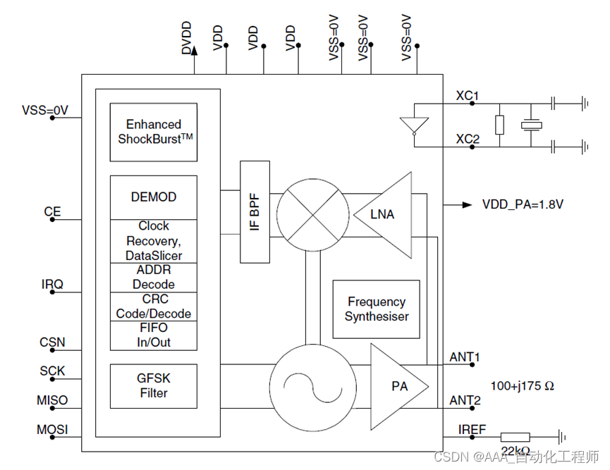
nRF24L01芯片的引脚说明:

nRF24L01模块引脚排列图:
nRF24L01模块必须成对使用,一端作为发送,一端作为接收。
与Arduino各系列的开发板的引脚连接如下图所示:

实物连接图(nRF24L01模块与NANO开发板,作为发送端)

| 无线发射测试程序编写(发送字符数组hello): |
最后
以上就是瘦瘦灰狼最近收集整理的关于Arduino开发遥控小车(二)基于nRF24L01无线模块实现数据发送和接收的全部内容,更多相关Arduino开发遥控小车(二)基于nRF24L01无线模块实现数据发送和接收内容请搜索靠谱客的其他文章。
本图文内容来源于网友提供,作为学习参考使用,或来自网络收集整理,版权属于原作者所有。
发表评论 取消回复