【数据结构与算法】双向链表
链表的分类
- 单向、双向
- 带头单链表、不带头链表
- 循环、非循环
在我们平时的学习中,最常用的两种链表:
-
无头单向非循环链表

-
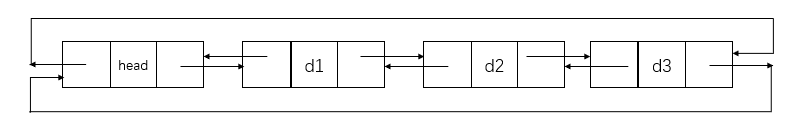
带头双向循环链表
head的是哨兵位头结点,不存储数据

下文主要讲解第二种带头双向链表
创建结构体
双向链表中,每个结点除了包含下个节点的地址外,还包含前一个结点的地址,因此我们需要分别创建两个指针next和prev
创建结构体代码
typedef int LTDataType;
typedef struct ListNode
{
struct ListNode* next;
struct ListNode* prev;
LTDataType data;
}ListNode;
链表初始化
方法一:要完成初始化,我们需要把phead的地址传给相应的初始化函数,只有址传递才能改变phead的值,下面例子则是错误的:

下面我们来看看调用部分的phead和传入函数后的phead的地址是否相同
调用部分的phead地址如下

传入函数后的phead的地址如下

可见此时phead的地址不一样,因此无法对传入的phead指针变量进行修改,正确的操作应该是传入phead的地址,如下图

此时传入的即为指针变量的地址,可以实现对传入指针变量的修改(初始化)了

初始化函数代码(方法一)
//初始化链表
void ListInit(ListNode** pphead)
{
*pphead = BuyListNode(0);
(*pphead)->next = *pphead;
(*pphead)->prev = *pphead;
return pphead;
}
**方法二:**这种方法比较简单,不用传入二级指针,直接返回初始化函数创建的头结点赋值给phead即可完成初始化
ListNode* phead = ListInit();
初始化函数代码(方法二)
//初始化链表
ListNode* ListInit()
{
ListNode* phead = BuyListNode(0);
phead->next = phead;
phead->prev = phead;
return phead;
}
清理数据结点
-
指针cur指向当前要清理的结点,next用于保存下一个待清理结点的地址

-
cur==phead的时候的时候,结束清理,且对phead初始化,以确保头结点继续使用

phead->next = phead;
phead->prev = phead;
清理数据结点代码
void ListClear(ListNode* phead)
{
assert(phead);
//清理所有数据结点,保留头结点,可以继续使用
ListNode* cur = phead->next;
while (cur != phead)
{
ListNode* next = cur->next;
free(cur);
cur = next;
}
phead->next = phead;
phead->prev = phead;
}
销毁链表
上面我们讲的是对链表的结点进行清理,但如果这个链表不再使用时,需要将头结点也一起销毁
销毁链表代码
//销毁链表
void ListDestroy(ListNode* phead)
{
assert(phead);
ListClear(phead);
free(phead);
}
创建新结点
ListNode* BuyListNode(LTDataType x)
{
ListNode*node = (ListNode*)malloc(sizeof(ListNode));
//初始化
node->next = NULL;
node->prev = NULL;
node->data = x;
return node;
}
链表的打印
思路:
-
结束条件和单链表不一样,单链表是在打印结点指向NULL时结束打印,但现在是循环链表,不存在指向NULL的问题,因此,结束条件可改为当cur(进行结点打印的指针)等于phead时结束打印
-
头结点phead是哨兵位结点,不储存信息,因此从phead的下一个指针开始打印
链表的打印代码
assert(phead);
ListNode* cur = phead->next;
while (cur != phead) //结束条件
{
print("%d ", cur->data);
cur = cur->next;
}
尾插

-
进行尾插,首先要找到尾结点,由上图可知双链表头结点的prev指针指向的就是尾结点
ListNode* tail = phead->prev; -
尾结点找到后,我们来插入新的结点,首先我们将新结点和尾结点进行链接,如下图红色箭头

tail->next = newnode; newnode->prev = tail; -
头结点与新结点链接

newnode->next = phead; phead->prev = newnode;
尾插代码
//尾插
void ListPushBack(ListNode* phead, LTDataType x)
{
assert(phead); //断言,头指针不指向NULL
ListNode* tail = phead->prev;
ListNode* newnode = BuyListNode(x);
//进行结点的链接
tail->next = newnode;
newnode->prev = tail;
newnode->next = phead;
phead->prev = newnode;
}
尾删
思路:
-
确定尾结点
ListNode* tail = phead->prev; ListNode* tailPrev = tail->prev;
-
tailPrev指向的结点与头结点进行链接
phead->prev = tailPrev; tailPrev->next = phead;
-
删除尾结点

尾删代码
//尾删
void ListPopBack(ListNode* phead)
{
assert(phead);
if (phead->next == phead) //判断是否只有哨兵位头结点
{
return phead;
}
else
{
ListNode* tail = phead->prev;
ListNode* tailPrev = tail->prev;
phead->prev = tailPrev;
tailPrev->next = phead;
free(tail);
return phead;
}
}
头插
头插是指在哨兵位头结点的后面插入

思路:
-
定义first指针用于储存原链表中phead的后一个结点

-
新结点与phead链接

phead->next = newnode; newnode->prev = phead; -
新结点与first链接,头插结束

newnode->next = first;
first->prev = newnode;
头插代码
//头插
void ListPushFront(ListNode* phead, LTDataType x)
{
assert(phead);
ListNode* first = phead->next;
ListNode* newnode = BuyListNode(x);
phead->next = newnode;
newnode->prev = phead;
newnode->next = first;
first->prev = newnode;
}
头删
把哨兵位结点的后一个结点删除

-
创建两个指针first和second
ListNode* first = phead->next; ListNode* second = first->next;
-
phead与second链接,删除first
phead->next = second; second->prev = phead; free(first);
头删代码
//头删
void ListPopFront(ListNode* phead)
{
assert(phead);
assert(phead->next!=phead);
ListNode* first = phead->next;
ListNode* second = first->next;
phead->next = second;
second->prev = phead;
free(first);
}
链表的查找
查找只要对链表遍历即可,逻辑和打印链表相似,直接上代码
链表的查找代码
//查找
ListNode* ListFind(ListNode* phead, int x)
{
assert(phead);
ListNode* cur = phead->next;
while (cur != phead)
{
if (cur->data == x)
{
return cur;
}
cur = cur->next;
}
return NULL;
}
插入(任意结点)
要在给定结点的前面插入(例如在d2前插入),就要先得到这个给定结点的位置,那么用查找函数确定这个结点的位置pos

后面的插入和前面所提到到两种插入大同小异,这里就不赘述了
插入(任意结点)代码
//插入(任意位置)
void ListInsert(ListNode* pos, LTDataType x)
{
assert(pos);
ListNode* posPrev = pos->prev;
ListNode* newnode = BuyListNode(x);
posPrev->next = newnode;
newnode->prev = posPrev;
newnode->next = pos;
pos->prev = newnode;
}
删除(任意结点)

删除(任意结点)代码
//删除(任意位置)
void ListErase(ListNode* pos)
{
assert(pos);
ListNode* posPrev = pos->prev;
ListNode* posNext = pos->next;
free(pos);
posPrev->next = posNext;
posNext->prev = posPrev;
}
双链表完整代码
List.h文件
#pragma once
#include<stdio.h>
#include<assert.h>
#include<stdlib.h>
typedef int LTDataType;
typedef struct ListNode
{
struct ListNode* next;
struct ListNode* prev;
LTDataType data;
}ListNode;
//void ListInit(ListNode** phead);
ListNode* ListInit();
void ListClear(ListNode* phead);
void ListDestroy(ListNode* phead);
ListNode* BuyListNode(LTDataType x);
void ListPrint(ListNode* phead);
void ListPushBack(ListNode* phead, LTDataType x);
void ListPopBack(ListNode* phead);
void ListPushFront(ListNode* phead, LTDataType x);
void ListPopFront(ListNode* phead);
ListNode* ListFind(ListNode* phead, int x);
void ListInsert(ListNode* pos, LTDataType x);
void ListErase(ListNode* pos);
List.c文件
#include "List.h"
//初始化链表
ListNode* ListInit()
{
ListNode* phead = BuyListNode(0);
phead->next = phead;
phead->prev = phead;
return phead;
}
//创建新结点
ListNode* BuyListNode(LTDataType x)
{
ListNode*node = (ListNode*)malloc(sizeof(ListNode));
node->next = NULL;
node->prev = NULL;
node->data = x;
return node;
}
//清理数据结点
void ListClear(ListNode* phead)
{
assert(phead);
//清理所有数据结点,保留头结点,可以继续使用
ListNode* cur = phead->next;
while (cur != phead)
{
ListNode* next = cur->next;
free(cur);
cur = next;
}
phead->next = phead;
phead->prev = phead;
}
//销毁链表
void ListDestroy(ListNode* phead)
{
assert(phead);
ListClear(phead);
free(phead);
}
//打印
void ListPrint(ListNode* phead)
{
assert(phead);
ListNode* cur = phead->next;
while (cur != phead)
{
printf("%d ", cur->data);
cur = cur->next;
}
printf("n");
}
//尾插
void ListPushBack(ListNode* phead, LTDataType x)
{
assert(phead); //断言,头指针不指向NULL
ListNode* tail = phead->prev;
ListNode* newnode = BuyListNode(x);
//进行结点的链接
tail->next = newnode;
newnode->prev = tail;
newnode->next = phead;
phead->prev = newnode;
}
//尾删
void ListPopBack(ListNode* phead)
{
assert(phead);
if (phead->next == phead) //判断是否只有哨兵位头结点
{
return phead;
}
else
{
ListNode* tail = phead->prev;
ListNode* tailPrev = tail->prev;
phead->prev = tailPrev;
tailPrev->next = phead;
free(tail);
return phead;
}
}
//头插
void ListPushFront(ListNode* phead, LTDataType x)
{
assert(phead);
ListNode* first = phead->next;
ListNode* newnode = BuyListNode(x);
phead->next = newnode;
newnode->prev = phead;
newnode->next = first;
first->prev = newnode;
}
//头删
void ListPopFront(ListNode* phead)
{
assert(phead);
assert(phead->next!=phead);
ListNode* first = phead->next;
ListNode* second = first->next;
phead->next = second;
second->prev = phead;
free(first);
}
//查找
ListNode* ListFind(ListNode* phead, int x)
{
assert(phead);
ListNode* cur = phead->next;
while (cur != phead)
{
if (cur->data == x)
{
return cur;
}
cur = cur->next;
}
return NULL;
}
//插入(任意位置)
void ListInsert(ListNode* pos, LTDataType x)
{
assert(pos);
ListNode* posPrev = pos->prev;
ListNode* newnode = BuyListNode(x);
posPrev->next = newnode;
newnode->prev = posPrev;
newnode->next = pos;
pos->prev = newnode;
}
//删除(任意位置)
void ListErase(ListNode* pos)
{
assert(pos);
ListNode* posPrev = pos->prev;
ListNode* posNext = pos->next;
free(pos);
posPrev->next = posNext;
posNext->prev = posPrev;
}
test.c
#include "List.h"
void TestList1()
{
ListNode* phead = ListInit();
ListPushBack(phead, 1);
ListPushBack(phead, 2);
ListPushBack(phead, 3);
ListPushBack(phead, 4);
ListPrint(phead);
ListPopBack(phead);
ListPopBack(phead);
ListPopBack(phead);
ListPopBack(phead);
ListPopBack(phead);
ListPrint(phead);
ListPushFront(phead, 1);
ListPushFront(phead, 2);
ListPushFront(phead, 3);
ListPushFront(phead, 4);
ListPushFront(phead, 5);
ListPrint(phead);
ListPopFront(phead);
ListPopFront(phead);
ListPopFront(phead);
ListPopFront(phead);
ListPopFront(phead);
ListPrint(phead);
ListDestroy(phead);
}
void TestList2()
{
ListNode* phead = ListInit();
ListPushBack(phead, 1);
ListPushBack(phead, 2);
ListPushBack(phead, 3);
ListPushBack(phead, 4);
ListPrint(phead);
ListNode* pos = ListFind(phead, 3);
ListInsert(pos, 30);
ListPrint(phead);
pos = ListFind(phead, 3);
ListErase(pos);
ListPrint(phead);
ListDestroy(phead);
}
void main()
{
//TestList1();
TestList2();
}
最后
以上就是精明大地最近收集整理的关于【数据结构与算法】双向链表C语言描述【数据结构与算法】双向链表的全部内容,更多相关【数据结构与算法】双向链表C语言描述【数据结构与算法】双向链表内容请搜索靠谱客的其他文章。
发表评论 取消回复