1 ADC的基本介绍
1.1 STM32ADC简介
Analog-to-Digital Converter的缩写。指模/数转换器或者模拟/数字转换器。是指将连续变量的模拟信号转换为离散的数字信号的器件。典型的模拟数字转换器将模拟信号转换为表示一定比例电压值的数字信号。
STM32F1系列有3个ADC,精度为12位,是一种逐次逼近型模拟数字转换器。它有多达18个通道,可测量16个外部和2个内部信号源。各通道的A/D转换可以单次、连续、扫描或间断模式执行。ADC的结果可以左对齐或右对齐方式存储在16位数据寄存器中。
模拟看门狗特性允许应用程序检测输入电压是否超出用户定义的高/低阀值。
ADC的输入时钟不得超过14MHz,它是由PCLK2经分频产生。
1.2 ADC的主要特征
1)12位逐次逼近型的模拟数字转换器;
2)最多带3个ADC控制器,可以单独使用,也可以使用双重模式提高采样率;
3)最多支持23个通道,可最多测量21个外部和2个内部信号源;
4)支持单次和连续转换模式;
5)转换结束,注入转换结束,和发生模拟看门狗事件时产生中断;
6)通道0到通道n的自动扫描模式;
7)自动校准;
8)采样间隔可以按通道编程;
9)规则通道和注入通道均有外部触发选项;
10)转换结果支持左对齐或右对齐方式存储在16位数据寄存器;
11)ADC转换时间:最大转换速率 1us(最大转换速度为1MHz,在ADCCLK=14M,采样周期为1.5个ADC时钟下得到);
12)ADC供电要求:2.4V-3.6V;
13)ADC输入范围:VREF- ≤ VIN ≤ VREF+。
1.3 STM32F10x系列芯片ADC通道和引脚对应关系
电压怎么输入到 ADC?这里我们引入通道的概念,STM32 的 ADC 多达 18 个通道,其中外部的 16 个通道就是框图中的 ADCx_IN0 、ADCx_IN1...ADCx_IN5。这 16 个通道对应着不同的 IO 口,具体是哪一个 IO 口可以从手册查询到。其中 ADC1/2/3 还有内部通道:ADC1 的通道 16 连接到了芯片内部的温度传感器,Vrefint 连接到了通道 17。ADC2 的模拟通道 16 和 17 连接到了内部的 VSS。ADC3 的模拟通道 9、14、15、16 和 17 连接到了内部的 VSS。

由上图中可以看出,STM32F103ZET6带3个ADC控制器,一共支持23个通道,包括21个外部和2个内部信号源;但是每个ADC控制器最多只可以有18个通道,包括16个外部和2个内部信号源。
外部的 16 个通道在转换的时候又分为规则通道和注入通道,其中规则通道最多有 16路,注入通道最多有 4 路。那这两个通道有什么区别?在什么时候使用?
规则通道:顾名思意,规则通道就是很规矩的意思,我们平时一般使用的就是这个通道,或者应该说我们用到的都是这个通道,没有什么特别要注意的可讲。
注入通道:注入,可以理解为插入,插队的意思,是一种不安分的通道。它是一种在规则通道转换的时候强行插入要转换的一种。如果在规则通道转换过程中,有注入通道插队,那么就要先转换完注入通道,等注入通道转换完成后,再回到规则通道的转换流程。这点跟中断程序很像,都是不安分的主。所以,注入通道只有在规则通道存在时才会出现。
2 ADC功能描述
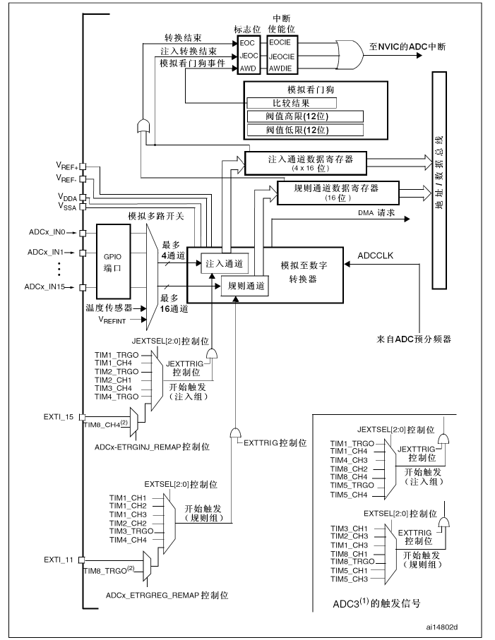
2.1 单个ADC框图

1)ADC3的规则转换和注入转换触发与ADC1和ADC2的不同。
2)TIM8_CH4和TIM8_TRGO及它们的重映射位只存在于大容量产品中。
在框图中最左边的一列是ADC的各个引脚,它们的名称、信号类型和作用见下图:

一般情况下,VDD是3.3V,VSS接地,相对应的,VDDA是3.3V,VSSA也接地,模拟输入信号不要超过VDD(3.3V)。得到ADC 的输入电压范围为:0~3.3V。
2.2 ADC开关控制
通过设置ADC_CR2寄存器的ADON位可给ADC上电。当第一次设置ADON位时,它将ADC从断电状态下唤醒。
ADC上电延迟一段时间后(tSTAB),再次设置ADON位时开始进行转换。
通过清除ADON位可以停止转换,并将ADC置于断电模式。在这个模式中,ADC几乎不耗电(仅几个μA)。
2.3 ADC时钟
框图中标注的来自ADC预分频器的ADCCLK是ADC模块的时钟来源。通常,由时钟控制器提供的ADCCLK时钟和PCLK2(APB2时钟)同步。RCC控制器为ADC时钟提供一个专用的可编程预分频器。


2.4 通道选择
STM32的ADC控制器有16个多路通道。所以模块通过内部的模拟多路开关,可以切换到不同的输入通道并进行转换。STM32特别地加入了多种成组转换的模式,可以由程序设置好之后,对多个模拟通道自动地进行逐个地采样转换。可以把转换组织成两组:规则通道组和注入通道组。在任意多个通道上以任意顺序进行的一系列转换构成成组转换。例如,可以如下顺序完成转换:通道3、通道8、通道2、通道2、通道0、通道2、通道2、通道15。
规则通道组:规则组由多达16个转换组成。规则通道和它们的转换顺序在ADC_SQRx寄存器中选择。规则组中转换的总数应写入ADC_SQR1寄存器的L[3:0]位中。
规则序列:规则序列寄存器有 3 个,分别为 SQR3、SQR2、SQR1。SQR3 控制着规则序列中的第一个到第六个转换,对应的位为:SQ1[4:0]~SQ6[4:0],第一次转换的是位 4:0 SQ1[4:0],如果通道 16 想第一次转换,那么在 SQ1[4:0]写 16 即可。SQR2 控制着规则序列中的第 7 到第12 个转换,对应的位为:SQ7[4:0]~SQ12[4:0],如果通道 1 想第 8 个转换,则 SQ8[4:0]写1即可。SQR1 控制着规则序列中的第 13 到第 16 个转换,对应位为:SQ13[4:0]~SQ16[4:0],如果通道 6 想第 10 个转换,则 SQ10[4:0]写 6 即可。具体使用多少个通道,由 SQR1 的位L[3:0]决定,最多 16 个通道。

注入通道组:注入组由多达4个转换组成。注入通道和它们的转换顺序在ADC_JSQR寄存器中选择。注入组里的转换总数目应写入ADC_JSQR寄存器的L[1:0]位中。
注入序列:注入序列寄存器 JSQR 只有一个,最多支持 4 个通道,具体多少个由 JSQR 的 JL[2:0]决定。如果 JL 的 值小于 4 的话,则 JSQR 跟 SQR 决定转换顺序的设置不一样,第一次转换的不是 JSQR1[4:0],而是 JCQRx[4:0] ,x = (4-JL),跟 SQR 刚好相反。如果 JL=00(1个转换),那么转换的顺序是从 JSQR4[4:0]开始,而不是从 JSQR1[4:0]开始,这个要注意,编程的时候不要搞错。当 JL 等于 4 时,跟 SQR 一样。

温度传感器/ VREFINT内部通道:
温度传感器和通道ADC1_IN16相连接,内部参照电压VREFINT和ADC1_IN17相连接。可以按注入或规则通道对这两个内部通道进行转换。
注意: 温度传感器和VREFINT只能出现在主ADC1中。
在执行规则通道组扫描转换时,如有例外处理则可启用注入通道组的转换。也就是说,注入通道的转换可以打断规则通道的转换,在注入通道被转换完成之后,规则通道才可以继续转换。
当然,需要注意的是:如果ADC_SQRx或ADC_JSQR寄存器在转换期间被更改,当前的转换被清除,一个新的启动脉冲将发送到ADC以转换新选择的组。
可能单从字面上还是不是很了解?我们可以通过图形来更直观地认知:

一个不太恰当的比喻是:规则通道组的转换好比是程序的正常执行,而注入通道组的转换则好比是程序正常执行之外的一个中断处理程序。
2.5 单次转换模式
单次转换模式下,ADC只执行一次转换。该模式既可通过设置ADC_CR2寄存器的ADON位(只适用于规则通道)启动也可通过外部触发启动(适用于规则通道或注入通道),这时CONT位为0。
一旦选择通道的转换完成:
1)如果一个规则通道被转换:
①转换数据被储存在16位ADC_DR寄存器中
②EOC(转换结束)标志被设置
③如果设置了EOCIE,则产生中断。
2)如果一个注入通道被转换:
①转换数据被储存在16位的ADC_DRJ1寄存器中
②JEOC(注入转换结束)标志被设置
③如果设置了JEOCIE位,则产生中断。
然后ADC停止。
2.6 连续转换模式
在连续转换模式中,当前面ADC转换一结束马上就启动另一次转换。此模式可通过外部触发启动或通过设置ADC_CR2寄存器上的ADON位启动,此时CONT位是1。
每个转换后:
1)如果一个规则通道被转换:
①转换数据被储存在16位的ADC_DR寄存器中
②EOC(转换结束)标志被设置
③如果设置了EOCIE,则产生中断。
2)如果一个注入通道被转换:
①转换数据被储存在16位的ADC_DRJ1寄存器中
②JEOC(注入转换结束)标志被设置
③如果设置了JEOCIE位,则产生中断。
2.7 扫描模式
此模式用来扫描一组模拟通道。
扫描模式可通过设置ADC_CR1寄存器的SCAN位来选择。一旦这个位被设置,ADC扫描所有被ADC_SQRX寄存器(对规则通道)或ADC_JSQR(对注入通道)选中的所有通道。在每个组的每个通道上执行单次转换。在每个转换结束时,同一组的下一个通道被自动转换。如果设置了CONT位,转换不会在选择组的最后一个通道上停止,而是再次从选择组的第一个通道继续转换。

这里需要注意的是:如果在使用扫描模式的情况下使用中断,会在最后一个通道转换完毕后才会产生中断。而连续转换,是在每次转换后,都会产生中断。
如果设置了DMA位,在每次EOC后,DMA控制器把规则组通道的转换数据传输到SRAM中。而注入通道转换的数据总是存储在ADC_JDRx寄存器中。
2.8 时序图
如下图所示,ADC在开始精确转换前需要一个稳定时间tSTAB。在开始ADC转换和14个时钟周期后,EOC标志被设置,16位ADC数据寄存器包含转换的结果。

2.9 模拟看门狗
ADC中断的产生方式除了规则组转换完成、注入组转换完成之外,还有模拟看门狗事件。如果被ADC转换的模拟电压低于低阀值或高于高阀值,AWD模拟看门狗状态位被设置。阀值位于ADC_HTR和ADC_LTR寄存器的最低12个有效位中。通过设置ADC_CR1寄存器的AWDIE位以允许产生相应中断。
需要注意的是:阀值独立于由ADC_CR2寄存器上的ALIGN位选择的数据对齐模式。比较是在对齐之前完成的。也就是说,在数据保存到数据寄存器之前,就已经完成了比较(数据对齐在下文中有讲解)!
模拟看门狗警戒区:

通过配置ADC_CR1寄存器,模拟看门狗可以作用于1个或多个通道(由AWDCH[4:0]位选择),模拟看门狗通道选择如下表所示:

2.10 校准
ADC有一个内置自校准模式。校准可大幅减小因内部电容器组的变化而造成的准精度误差。在校准期间,在每个电容器上都会计算出一个误差修正码(数字值),这个码用于消除在随后的转换中每个电容器上产生的误差。
通过设置ADC_CR2寄存器的CAL位启动校准。一旦校准结束,CAL位被硬件复位,可以开始正常转换。建议在上电时执行一次ADC校准。校准阶段结束后,校准码储存在ADC_DR中。
注意:1)建议在每次上电后执行一次校准。
2)启动校准前,ADC必须处于关电状态(ADON=’0’)超过至少两个ADC时钟周期。
校准时序图:

2.11 数据对齐
ADC_CR2寄存器中的ALIGN位选择转换后数据储存的对齐方式。数据可以左对齐或右对齐。
注入组通道转换的数据值已经减去了在ADC_JOFRx寄存器中定义的偏移量,因此结果可以是一个负值。SEXT位是扩展的符号值。
对于规则组通道,不需减去偏移值,因此只有12个位有效。
数据右对齐:

数据左对齐:

2.12 可编程的通道采样时间
ADC 输入时钟 ADC_CLK 由 PCLK2 经过分频产生,最大是 14M,分频因子由 RCC 时钟配置寄存器 RCC_CFGR 的位 15:14 ADCPRE[1:0]设置,可以是 2/4/6/8 分频,注意这里没有 1 分频。一般我们设置 PCLK2=HCLK=72M。
ADC 使用若干个 ADC_CLK 周期对输入的电压进行采样,采样的周期数可通过 ADC 采样时间寄存器 ADC_SMPR1 和 ADC_SMPR2 中的 SMP[2:0]位设置,ADC_SMPR2 控制的是通道 0~9,ADC_SMPR1 控制的是通道 10~17。每个通道可以分别用不同的时间采样。其中采样周期最小是 1.5 个,即如果我们要达到最快的采样,那么应该设置采样周期为 1.5个周期,这里说的周期就是 1/ADC_CLK。
ADC 的转换时间跟 ADC 的输入时钟和采样时间有关,总转换时间如下计算: TCONV = 采样时间+ 12.5个周期。当 ADCLK = 14MHZ (最高),采样时间设置为 1.5 周期(最快),那么总的转换时间(最短)Tconv = 1.5 周期 + 12.5 周期 = 14 周期 = 1us。一般我们设置 PCLK2=72M,经过 ADC 预分频器能分频到最大的时钟只能是 12M,采样周期设置为 1.5 个周期,算出最短的转换时间为 1.17us,这个才是最常用的。
2.13 外部触发转换
ADC 还支持触发转换,这个触发包括内部定时器触发和外部 IO 触发。触发源有很多,具体选择哪一种触发源,由 ADC 控制寄存器2:ADC_CR2 的EXTSEL[2:0] 和 JEXTSEL[2:0] 位来控制 。 EXTSEL[2:0] 用于选择规则通道的触发源,JEXTSEL[2:0]用于选择注入通道的触发源。选定好触发源之后,触发源是否要激活,则由ADC 控制寄存器 2:ADC_CR2 的 EXTTRIG 和 JEXTTRIG 这两位来激活。其中 ADC3 的规则转换和注入转换的触发源与 ADC1/2 的有所不同,在框图上已经表示出来。
在框图的下方,显示了规则转换、注入转换可以由外部事件触发(例如定时器捕获,EXTI线)。如果设置了EXTTRIG控制位,则外部事件就能够触发转换。EXTSEL[2:0]和JEXTSEL2:0]控制位允许应用程序选择8个可能的事件中的某一个,可以触发规则和注入组的采样。
注意: 当外部触发信号被选为ADC规则或注入转换时,只有它的上升沿可以启动转换。
ADC1和ADC2用于规则通道的外部触发:

ADC1和ADC2用于注入通道的外部触发:

ADC3用于规则通道的外部触发:

ADC3用于注入通道的外部触发:

软件触发事件可以通过对寄存器ADC_CR2的SWSTART或JSWSTART位置’1’产生。 规则组的转换可以被注入触发打断。
2.14 DMA请求
因为规则通道转换的值储存在一个仅有的数据寄存器中,所以当转换多个规则通道时需要使用DMA,这可以避免丢失已经存储在ADC_DR寄存器中的数据。
只有在规则通道的转换结束时才产生DMA请求,并将转换的数据从ADC_DR寄存器传输到用户指定的目的地址。
注:只有ADC1和ADC3拥有DMA功能。由ADC2转化的数据可以通过双ADC模式,利用ADC1的DMA功能传输。
2.15 独立模式
此模式里,双ADC同步不工作,每个ADC接口独立工作。
2.16 双ADC模式
在有2个或以上ADC模块的产品中,可以使用双ADC模式(见图31双ADC框图)。 在双ADC模式里,根据ADC1_CR1寄存器中DUALMOD[2:0]位所选的模式,转换的启动可以是ADC1主和ADC2从的交替触发或同步触发。

注意: 在双ADC模式里,当转换配置成由外部事件触发时,用户必须将其设置成仅触发主ADC,从ADC设置成软件触发,这样可以防止意外的触发从转换。但是,主和从ADC的外部触发必须同时被激活。
共有6种可能的模式:
1)同步注入模式
2)同步规则模式
3)快速交叉模式
4)慢速交叉模式
5)交替触发模式
6)独立模式
还有可以用下列方式组合使用上面的模式:
1)同步注入模式 + 同步规则模式
2)同步规则模式 + 交替触发模式
3)同步注入模式 + 交叉模式
注意: 在双ADC模式里,为了在主数据寄存器上读取从转换数据,必须使能DMA位,即使不使用DMA传输规则通道数据。
2.17 温度传感器
STM32有一个内部的温度传感器,可以用来测量CPU及周围的温度(TA)。该温度传感器在内部和ADCx_IN16输入通道相连接,此通道把传感器输出的电压转换成数字值。
内部温度传感器的特征:
1)温度传感器模拟输入推荐采样时间是17.1μs;
2)STM32的内部温度传感器支持的温度范围为:-40~125度;
3)精度比较差,为±1.5℃左右。
温度传感器输出电压随温度线性变化,由于生产过程的变化,温度变化曲线的偏移在不同芯片上会有不同(最多相差45°C)。基于这样的特性,因此:内部温度传感器更适合于检测温度的变化,而不是测量绝对温度。如果需要测量绝度温度,应该使用一个外部温度传感器。
下图是温度传感器的方框图:

当没有被使用时,传感器可以置于掉电模式。
注意: 必须设置TSVREFE位激活内部通道:ADC1_IN16(温度传感器)和ADC1_IN17(VREFINT)的转换。
使用温度传感器读温度:
1)选择ADC1_IN16输入通道
2)选择采样时间为17.1 μs
3)设置ADC控制寄存器2(ADC_CR2)的TSVREFE位,以唤醒关电模式下的温度传感器
4)通过设置ADON位启动ADC转换(或用外部触发)
5)读ADC数据寄存器上的VSENSE 数据结果
6)利用下列公式得出温度
温度(°C) = {(V25 - VSENSE) / Avg_Slope} + 25
这里: V25 = VSENSE在25°C时的数值;Avg_Slope = 温度与VSENSE曲线的平均斜率(单位为mV/ °C 或 μV/ °C);参考数据手册的电气特性章节中V25 和Avg_Slope的实际值。
注意: 传感器从关电模式唤醒后到可以输出正确水平的VSENSE前,有一个建立时间。ADC在上电后也有一个建立时间,因此为了缩短延时,应该同时设置ADON和TSVREFE位。
2.18 ADC中断
在框图中的最顶部,显示ADC的各种中断。很显然可以看出:规则和注入组转换结束时能产生中断,当模拟看门狗状态位被设置时也能产生中断。它们都有独立的中断使能位。
注意: ADC1和ADC2的中断映射在同一个中断向量上,而ADC3的中断有自己的中断向量。

ADC中断事件的具体类型有三种,具体见下图:

ADC_SR寄存器中有2个其他标志,但是它们没有相关联的中断:
1)JSTRT(注入组通道转换的启动)
2)STRT(规则组通道转换的启动)
3 ADC相关配置寄存器
3.1 ADC控制寄存器1(ADC_CR1)

作用:设置扫描模式、中断允许(转换结束、注入转换结束、模拟看门狗)、双模式选择(一般选用独立模式)等。
注意:在扫描模式下,由ADC_SQRx或者ADC_JSQRx寄存器选中的通道被转换。如果设置了EOCIE或者JEOCIE,在最后一个通道转换完毕后才会产生EOC或者JEOC中断。
3.2 ADC控制寄存器2(ADC_CR2)

作用:设置数据对齐方式、连续转换位、ADC启动位、外部触发转换(一般选用软件转换SWSTART、JSWSTART)。
3.3 ADC采样时间寄存器x(ADC_SMPRx)

作用:设置ADC各通道的采样时间。
3.4 ADC注入通道数据偏移寄存器x (ADC_JOFRx)

作用:设置ADC注入通道数据偏移。
3.5 ADC看门狗高/低阀值寄存器(ADC_HTR、ADC_LRT)

作用:设置ADC模拟看门狗的高低阈值。
3.6 ADC规则序列寄存器x(ADC_SQRx)

作用:设置规则通道序列长度、对应序列中各个转换的通道编号(最多16个)。
3.7 ADC注入序列寄存器(ADC_JSQR)

作用:设置注入通道序列长度、对应序列中各个转换的通道编号(最多4个)。
3.8 ADC注入数据寄存器x(ADC_JDRx)

作用:存放ADC注入转换的数据。
3.9 ADC规则数据寄存器(ADC_DR)

作用:存放ADC规则转换的数据。
3.10 ADC状态寄存器(ADC_SR)

作用:存放ADC转换过程中的各种状态位。
4 ADC采样数值
如何使用STM32的ADC模块,得到接入ADC管脚上的实际电压值?会读到什么值?
由于STM32的ADC是12位逐次逼近型的模拟数字转换器,也就是说ADC模块读到的数据是12位的数据。因此:STM32读到的ADC值,是从0到4095(111111111111)。当把ADC引脚接了GND,读到的就是0;当把ADC引脚接了VDD,读到的就是4095。
4.1 读出值与实际的电压值
我们输入GND,读到的值是0,输入VDD,得到的值是4095,那么,当读到2035的时候,怎么求输入电压多少V吗?这个问题,归根接地,就到了数学XY坐标,已知两点坐标值(0,0)(3.3,4095),给出任意X坐标值,求Y值的问题了吧?简单不简单?

4.2 参考电压
讨论参考电压之前,先拿万用表量一下你的VDDA的实际电压是多大?是不是标准的3.300V?应该不是吧?或许是2.296V,或许是3.312V。然后你把VDD连接到ADC引脚之后,得到的是4095;也就是,实际上,当你读出4095这个数据的时候,实际的电压值不是你想象中的3.300V。有些初学者,觉得几毫伏的电压差无所谓,但实际应用中,几毫伏就可能代表很大的实际工况,例如,在一个量程为50克的电子称上。
所以,这时候,芯片厂商就想了一个办法,给ADC模块中引入参考电压,由非常标准的参考电压芯片来接入参考电压引脚。标准的电压芯片,我们一般叫做参考电压芯片,或者叫做基准电压芯片。例如REF3133(输出3.300V)、REF3025(输出2.500V)等等。
4.3 ADC引脚的输入电压范围
一般情况下,ADC引脚的输入电压,是从0~VDD,如果有REF引脚,一般是0~Vref,也有0~2Vref的情况。
如果被测的电压大于ADC的输入电压,例如,要用STM32测量0~5V的电压的话,可以在输入ADC引脚之前,加入电阻分压和放大器电路。
5 ADC相关配置库函数
5.1 1个初始化函数
void ADC_Init(ADC_TypeDef* ADCx, ADC_InitTypeDef* ADC_InitStruct);
作用:配置ADC模式、扫描模式、单次连续模式、外部触发方式、对齐方式、规则序列长度。
5.2 1个使能函数
void ADC_Cmd(ADC_TypeDef* ADCx, FunctionalState NewState);
作用:配置ADC使能。
5.3 1个软件转换函数
void ADC_SoftwareStartConvCmd(ADC_TypeDef* ADCx, FunctionalState NewState);
作用:ADC使能软件转换(在ADC_Init函数中,外部触发方式选择none)。
5.4 1个规则通道配置函数
void ADC_RegularChannelConfig(ADC_TypeDef* ADCx, uint8_t ADC_Channel, uint8_t Rank, uint8_t ADC_SampleTime);
作用:配置某个ADC控制器的某个通道以某种采样率置于规则组的某一位(对应函数的四个参数:ADC控制器名、ADC通道名、规则组的第n个、采样率)。
5.5 1个获取转换结果函数
uint16_t ADC_GetConversionValue(ADC_TypeDef* ADCx);
作用:获得某个ADC控制器的软件转换结果。
6 ADC一般步骤
实例要求:利用ADC1的通道1(PA1)采集外部电压值。
1)开启PA口时钟和ADC1时钟,设置PA1为模拟输入。调用函数:GPIO_Init();APB2PeriphClockCmd();
2)复位ADC1,同时设置ADC1分频因子。调用函数:ADC_DeInit(ADC1);RCC_ADCCLKConfig(RCC_PCLK2_Div6);
3)初始化ADC1参数,设置ADC1的工作模式以及规则序列的相关信息。调用函数:void ADC_Init();
4)使能ADC并校准。调用函数:ADC_Cmd();
5)配置规则通道参数。调用函数:ADC_RegularChannelConfig();
6)开启软件转换:ADC_SoftwareStartConvCmd(ADC1);
7)等待转换完成,读取ADC值。调用函数:ADC_GetConversionValue(ADC1)。
//初始化ADC
//这里我们仅以规则通道为例
//我们默认将开启通道0~3
void Adc_Init(void)
{
ADC_InitTypeDef ADC_InitStructure;
GPIO_InitTypeDef GPIO_InitStructure;
RCC_APB2PeriphClockCmd(RCC_APB2Periph_GPIOA |RCC_APB2Periph_ADC1, ENABLE ); //使能ADC1通道时钟
RCC_ADCCLKConfig(RCC_PCLK2_Div6); //设置ADC分频因子6 72M/6=12,ADC最大时间不能超过14M
//PA1 作为模拟通道输入引脚
GPIO_InitStructure.GPIO_Pin = GPIO_Pin_1;
GPIO_InitStructure.GPIO_Mode = GPIO_Mode_AIN; //模拟输入引脚
GPIO_Init(GPIOA, &GPIO_InitStructure);
ADC_DeInit(ADC1); //复位ADC1
ADC_InitStructure.ADC_Mode = ADC_Mode_Independent; //ADC工作模式:ADC1和ADC2工作在独立模式
ADC_InitStructure.ADC_ScanConvMode = DISABLE; //模数转换工作在单通道模式
ADC_InitStructure.ADC_ContinuousConvMode = DISABLE; //模数转换工作在单次转换模式
ADC_InitStructure.ADC_ExternalTrigConv = ADC_ExternalTrigConv_None; //转换由软件而不是外部触发启动
ADC_InitStructure.ADC_DataAlign = ADC_DataAlign_Right; //ADC数据右对齐
ADC_InitStructure.ADC_NbrOfChannel = 1; //顺序进行规则转换的ADC通道的数目
ADC_Init(ADC1, &ADC_InitStructure); //根据ADC_InitStruct中指定的参数初始化外设ADCx的寄存器
ADC_Cmd(ADC1, ENABLE); //使能指定的ADC1
ADC_ResetCalibration(ADC1); //使能复位校准
while(ADC_GetResetCalibrationStatus(ADC1)); //等待复位校准结束
ADC_StartCalibration(ADC1); //开启AD校准
while(ADC_GetCalibrationStatus(ADC1)); //等待校准结束
}
//获得ADC值
//ch:通道值 0~3
u16 Get_Adc(u8 ch)
{
//设置指定ADC的规则组通道,一个序列,采样时间
ADC_RegularChannelConfig(ADC1, ch, 1, ADC_SampleTime_239Cycles5 ); //ADC1,ADC通道,采样时间为239.5周期
ADC_SoftwareStartConvCmd(ADC1, ENABLE); //使能指定的ADC1的软件转换启动功能
while(!ADC_GetFlagStatus(ADC1, ADC_FLAG_EOC ));//等待转换结束
return ADC_GetConversionValue(ADC1); //返回最近一次ADC1规则组的转换结果
}
u16 Get_Adc_Average(u8 ch,u8 times)
{
u32 temp_val=0;
u8 t;
for(t=0;t<times;t++)
{
temp_val+=Get_Adc(ch);
delay_ms(5);
}
return temp_val/times;
}
int main(void)
{
u16 adcx;
float temp;
delay_init(); //延时函数初始化
NVIC_PriorityGroupConfig(NVIC_PriorityGroup_2);//设置中断优先级分组为组2:2位抢占优先级,2位响应优先级
uart_init(115200); //串口初始化为115200
LED_Init(); //LED端口初始化
LCD_Init();
Adc_Init(); //ADC初始化
POINT_COLOR=RED;//设置字体为红色
LCD_ShowString(60,50,200,16,16,"WarShip STM32");
LCD_ShowString(60,70,200,16,16,"ADC TEST");
LCD_ShowString(60,90,200,16,16,"ATOM@ALIENTEK");
LCD_ShowString(60,110,200,16,16,"2015/1/14");
//显示提示信息
POINT_COLOR=BLUE;//设置字体为蓝色
LCD_ShowString(60,130,200,16,16,"ADC_CH0_VAL:");
LCD_ShowString(60,150,200,16,16,"ADC_CH0_VOL:0.000V");
while(1)
{
adcx=Get_Adc_Average(ADC_Channel_1,10);
LCD_ShowxNum(156,130,adcx,4,16,0);//显示ADC的值
temp=(float)adcx*(3.3/4096);
adcx=temp;
LCD_ShowxNum(156,150,adcx,1,16,0);//显示电压值
temp-=adcx;
temp*=1000;
LCD_ShowxNum(172,150,temp,3,16,0X80);
LED0=!LED0;
delay_ms(250);
}
}
6.1 ADC 初始化结构体详解
ADC_InitTypeDef 结构体定义在 stm32f10x_adc.h 文件内,具体定义如下:
1 typedef struct
2 {
3 uint32_t ADC_Mode; // ADC 工作模式选择
4 FunctionalState ADC_ScanConvMode; /* ADC 扫描(多通道)
5 或者单次(单通道)模式选择 */
6 FunctionalState ADC_ContinuousConvMode; // ADC 单次转换或者连续转换选择
7 uint32_t ADC_ExternalTrigConv; // ADC 转换触发信号选择
8 uint32_t ADC_DataAlign; // ADC 数据寄存器对齐格式
9 uint8_t ADC_NbrOfChannel; // ADC 采集通道数
10 } ADC_InitTypeDef;
ADC_Mode:配置 ADC的模式,当使用一个 ADC时是独立模式,使用两个 ADC时是双模式,在双模式下还有很多细分模式可选,具体配置 ADC_CR1:DUALMOD位。
ScanConvMode:可选参数为 ENABLE 和 DISABLE,配置是否使用扫描。如果是单通道 AD 转换使用 DISABLE ,如果是多通道 AD 转换使用 ENABLE,具体配置ADC_CR1:SCAN 位。
ADC_ContinuousConvMode:可选参数为 ENABLE和 DISABLE,配置是启动自动连续转换还是单次转换。使用 ENABLE 配置为使能自动连续转换;使用 DISABLE 配置为单次转换,转换一次后停止需要手动控制才重新启动转换,具体配置 ADC_CR2:CON 位。
ADC_ExternalTrigConv:外部触发选择,图 31-1 中列举了很多外部触发条件,可根据项目需求配置触发来源。实际上,我们一般使用软件自动触发。
ADC_DataAlign:转换结果数据对齐模式,可选右对ADC_DataAlign_Right或者左对齐 ADC_DataAlign_Left。一般我们选择右对齐模式。
ADC_NbrOfChannel:AD 转换通道数目,根据实际设置即可。具体的通道数和通道的转换顺序是配置规则序列或注入序列寄存器。
6.2 ADC1采集外部电压值程序分析
Adc_Init()函数:ADC初始化函数。
这里需要注意的点有:ADC的时钟配置函数包括两步,不要遗漏ADC的分频:
RCC_APB2PeriphClockCmd(RCC_APB2Periph_ADC1, ENABLE ); //使能ADC1通道时钟
RCC_ADCCLKConfig(RCC_PCLK2_Div6); //设置ADC分频因子6 72M/6=12,ADC最大时间不能超过14M
PA1的GPIO模式应配置成模拟输入:
GPIO_InitStructure.GPIO_Mode = GPIO_Mode_AIN; //模拟输入引脚
建议在上电时执行一次ADC校准(这一部分的代码就是这个样子,直接照抄就行了):
ADC_ResetCalibration(ADC1); //使能复位校准
while(ADC_GetResetCalibrationStatus(ADC1)); //等待复位校准结束
ADC_StartCalibration(ADC1); //开启AD校准
while(ADC_GetCalibrationStatus(ADC1)); //等待校准结束
Get_Adc()函数:获得ADC转换后的值。
这里需要注意的是,当使用ADC_SoftwareStartConvCmd()使能软件转换之后,需要使用ADC_GetFlagStatus()函数等待转换结束后,再进行ADC_GetConversionValue()输出。
ADC_RegularChannelConfig(ADC1, ch, 1, ADC_SampleTime_239Cycles5 ); //ADC1,ADC通道,采样时间为239.5周期
ADC_SoftwareStartConvCmd(ADC1, ENABLE); //使能指定的ADC1的软件转换启动功能
while(!ADC_GetFlagStatus(ADC1, ADC_FLAG_EOC ));//等待转换结束
return ADC_GetConversionValue(ADC1); //返回最近一次ADC1规则组的转换结果
main()函数:主函数,实现函数的调用(采集外部电压值)。ADC采样得到的数字怎么转化为电压值呢?这里采用这个方法来计算。原理见前部分讲解。
temp=(float)adcx*(3.3/4096);
7 STM32内部温度传感器
7.1 内部温度传感器的使用
要使用STM32的内部温度传感器,必须先激活ADC的内部通道,这里通过ADC_CR2的TSVREFE位(bit23)设置。设置该位为1则启用内部温度传感器。

7.2 内部温度传感器的温度计算
STM32的内部温度传感器固定的连接在ADC的通道16上,所以,在设置好ADC之后只要读取通道16的值,就是温度传感器返回来的电压值了。然后根据这个电压值,我们就可以计算出当前温度。
计算公式如下:T(℃)={(V25-Vsense)/Avg_Slope}+25
上式中:V25=Vsense在25度时的数值(典型值为:1.43),Avg_Slope=温度与Vsense曲线的平均斜率(单位为mv/℃或uv/℃)(典型值为4.3Mv/℃)。
7.3 内部传感器一般步骤
1)选择ADC_IN16输入通道,设置采样时间大于17.1us,开启ADC;
2)设置ADC_CR2的TSVREFE位,打开内部温度传感器;
3)读取ADC结果,并计算温度。
//初始化ADC
//这里我们仅以规则通道为例
//我们默认将开启通道0~3
void T_Adc_Init(void) //ADC通道初始化
{
ADC_InitTypeDef ADC_InitStructure;
RCC_APB2PeriphClockCmd(RCC_APB2Periph_GPIOA |RCC_APB2Periph_ADC1, ENABLE ); //使能GPIOA,ADC1通道时钟
RCC_ADCCLKConfig(RCC_PCLK2_Div6); //分频因子6时钟为72M/6=12MHz
ADC_DeInit(ADC1); //将外设 ADC1 的全部寄存器重设为缺省值
ADC_InitStructure.ADC_Mode = ADC_Mode_Independent; //ADC工作模式:ADC1和ADC2工作在独立模式
ADC_InitStructure.ADC_ScanConvMode = DISABLE; //模数转换工作在单通道模式
ADC_InitStructure.ADC_ContinuousConvMode = DISABLE; //模数转换工作在单次转换模式
ADC_InitStructure.ADC_ExternalTrigConv = ADC_ExternalTrigConv_None; //转换由软件而不是外部触发启动
ADC_InitStructure.ADC_DataAlign = ADC_DataAlign_Right; //ADC数据右对齐
ADC_InitStructure.ADC_NbrOfChannel = 1; //顺序进行规则转换的ADC通道的数目
ADC_Init(ADC1, &ADC_InitStructure); //根据ADC_InitStruct中指定的参数初始化外设ADCx的寄存器
ADC_TempSensorVrefintCmd(ENABLE); //开启内部温度传感器
ADC_Cmd(ADC1, ENABLE); //使能指定的ADC1
ADC_ResetCalibration(ADC1); //重置指定的ADC1的复位寄存器
while(ADC_GetResetCalibrationStatus(ADC1)); //获取ADC1重置校准寄存器的状态,设置状态则等待
ADC_StartCalibration(ADC1); //
while(ADC_GetCalibrationStatus(ADC1)); //获取指定ADC1的校准程序,设置状态则等待
}
u16 T_Get_Adc(u8 ch)
{
ADC_RegularChannelConfig(ADC1, ch, 1, ADC_SampleTime_239Cycles5 ); //ADC1,ADC通道3,第一个转换,采样时间为239.5周期
ADC_SoftwareStartConvCmd(ADC1, ENABLE); //使能指定的ADC1的软件转换启动功能
while(!ADC_GetFlagStatus(ADC1, ADC_FLAG_EOC ));//等待转换结束
return ADC_GetConversionValue(ADC1); //返回最近一次ADC1规则组的转换结果
}
//得到ADC采样内部温度传感器的值
//取10次,然后平均
u16 T_Get_Temp(void)
{
u16 temp_val=0;
u8 t;
for(t=0;t<10;t++)
{
temp_val+=T_Get_Adc(ADC_Channel_16); //TampSensor
delay_ms(5);
}
return temp_val/10;
}
//获取通道ch的转换值
//取times次,然后平均
u16 T_Get_Adc_Average(u8 ch,u8 times)
{
u32 temp_val=0;
u8 t;
for(t=0;t<times;t++)
{
temp_val+=T_Get_Adc(ch);
delay_ms(5);
}
return temp_val/times;
}
//得到温度值
//返回值:温度值(扩大了100倍,单位:℃.)
short Get_Temprate(void) //获取内部温度传感器温度值
{
u32 adcx;
short result;
double temperate;
adcx=T_Get_Adc_Average(ADC_Channel_16,20); //读取通道16,20次取平均
temperate=(float)adcx*(3.3/4096); //电压值
temperate=(1.43-temperate)/0.0043+25; //转换为温度值
result=temperate*=100; //扩大100倍.
return result;
}
int main(void)
{
short temp;
delay_init(); //延时函数初始化
NVIC_PriorityGroupConfig(NVIC_PriorityGroup_2);//设置中断优先级分组为组2:2位抢占优先级,2位响应优先级
uart_init(115200); //串口初始化为115200
LED_Init(); //初始化与LED连接的硬件接口
LCD_Init(); //初始化LCD
T_Adc_Init(); //ADC初始化
POINT_COLOR=RED;//设置字体为红色
LCD_ShowString(30,50,200,16,16,"WarShip STM32");
LCD_ShowString(30,70,200,16,16,"Temperature TEST");
LCD_ShowString(30,90,200,16,16,"ATOM@ALIENTEK");
LCD_ShowString(30,110,200,16,16,"2015/1/14");
POINT_COLOR=BLUE;//设置字体为蓝色
LCD_ShowString(30,140,200,16,16,"TEMPERATE: 00.00C");
while(1)
{
temp=Get_Temprate(); //得到温度值
if(temp<0)
{
temp=-temp;
LCD_ShowString(30+10*8,140,16,16,16,"-"); //显示负号
}else LCD_ShowString(30+10*8,140,16,16,16," "); //无符号
LCD_ShowxNum(30+11*8,140,temp/100,2,16,0); //显示整数部分
LCD_ShowxNum(30+14*8,140,temp%100,2,16, 0X80); //显示小数部分
LED0=!LED0;
delay_ms(250);
}
}
这里和上一个的区别,主要就是需要开启内部温度传感器:
ADC_TempSensorVrefintCmd(ENABLE); //开启内部温度传感器
同时,添加了对计算出来的电压值的再计算,换算成温度。
最后
以上就是幽默便当最近收集整理的关于STM32-ADC数模转换1 ADC的基本介绍2 ADC功能描述3 ADC相关配置寄存器4 ADC采样数值5 ADC相关配置库函数6 ADC一般步骤7 STM32内部温度传感器的全部内容,更多相关STM32-ADC数模转换1内容请搜索靠谱客的其他文章。
发表评论 取消回复