
目的:
- 从驱动开发的角度大致了解一下 RK3399 Audio 功能。
环境:
- NanoPC-T4 / Ubuntu-18.04 / Linux-4.4
目录:
1. 测试功能
2. 浏览硬件信息
3. 查看 driver 层
4. 应用层查看声卡信息
1. 测试功能
播放:
# 查看 playback 设备
$ aplay -l
**** List of PLAYBACK Hardware Devices ****
card 0: realtekrt5651co [realtek,rt5651-codec], device 0: ff880000.i2s-rt5651-aif1 rt5651-aif1-0 []
Subdevices: 1/1
Subdevice #0: subdevice #0
# 在 card 0, device 0 上播放 wav 文件
$ aplay -D hw:0,0 /root/Music/test.wav
录音:
# 查看 record 设备
$ arecord -l
**** List of CAPTURE Hardware Devices ****
card 0: realtekrt5651co [realtek,rt5651-codec], device 0: ff880000.i2s-rt5651-aif1 rt5651-aif1-0 []
Subdevices: 1/1
Subdevice #0: subdevice #0
# 从 card0, device 0 上录音
$ arecord -D hw:0,0 -f dat filename.wav
2. 浏览硬件信息
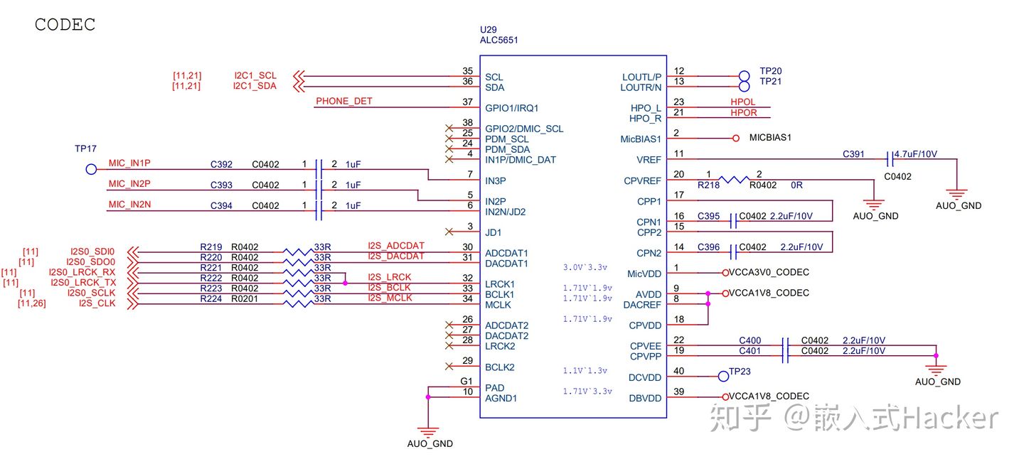
1) 查看原理图

关键点:
- Audio Codec的型号:Realtek-ALC5651
- 控制:I2C1
- 数据:I2S0
- 耳机插拔检测:PHONE_DET -> HP_DET_H -> GPIO4_D3_d
- 录音:MIC_IN2P / MIC_IN2N
2) 查看 RK3399 的 datasheet
关键点:

3) 查看 RK3399 的 TRM
关键点: (Chapter 22 I2S/PCM Controller):
- 概述 / Overview
- I2S/PCM controllers 的 features
- 框图 / Block Diagram

- 功能描述 / Function description
- master / slave
- i2s 的3种 mode
- pcm 的4种 mode
- 寄存器描述 / Register Description,最重点的章节,深度定制时需完整阅读。
- 引脚配置 / Interface description
- 应用说明 / Application Notes

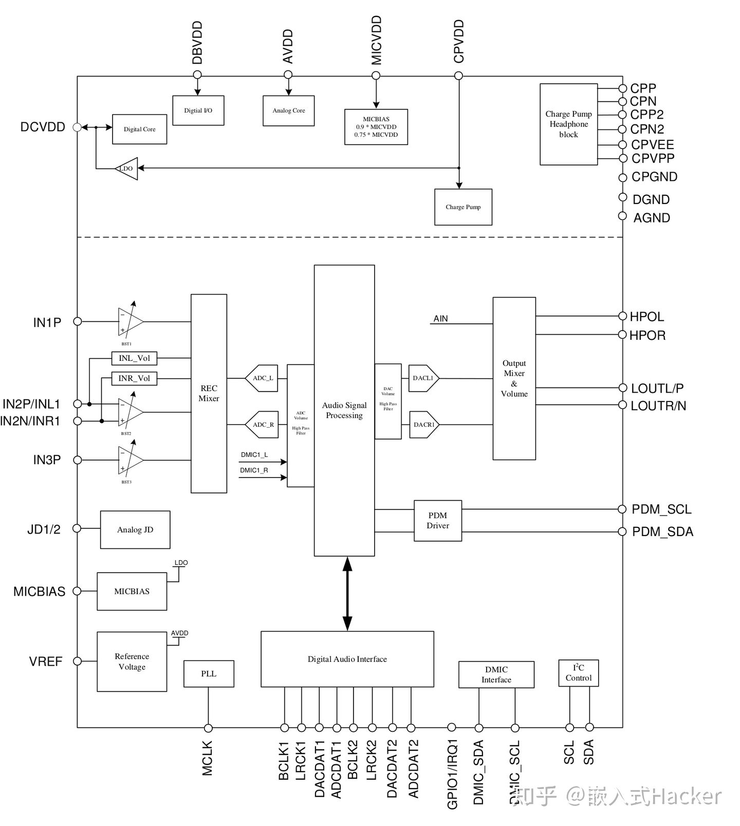
4) 查看 Audio Codec/Realtek-ALC5651 的 datasheet
关键点:
- 2.Features
- 4.Function Block and Mixer Path

-
- Audio Mixer Path
- Digital Mixer Path
- 6.Pin Descriptions
- Digital I/O Pins
- Analog I/O Pins
- 7.Function Description,最重点的章节,深度定制时需完整阅读。
- 8.Registers List
3. 查看 driver 层
阅读下面的内容需要有 audio driver 相关的开发经验,不过我也会尽量给出必要的概念说明。
Soc Audio 简化模型:

DAI 是什么?
Digital Audio Interface.
Provides audio data to the codec. Formats are usually AC97, I2S, PCM
ASoc 是什么?
ALSA System on Chip.
A Linux kernel subsystem created to provide better ALSA support for system-on-chip and portable audio codecs. It allows to reuse codec drivers across multiple architectures and provides an API to integrate them with the SoC audio interface.
ASoc 包括什么?
- Platform drivers,提供了配置/使能 SoC audio interface (或称 CPU DAI) 的能力;
- Codec drivers,提供了配置/使能 Codec 的能力;
- Machine drivers,描述了应该如何控制 CPU DAI 和 Codec,使他们互相配合在一起工作;
3.1 查看 Machine driver
DT bindings:
arch/arm64/boot/dts/rockchip/rk3399-nanopi4-common.dtsi:
rt5651_card: rt5651-sound {
status = "okay";
compatible = "simple-audio-card";
pinctrl-names = "default";
pinctrl-0 = <&hp_det>;
simple-audio-card,name = "realtek,rt5651-codec";
simple-audio-card,format = "i2s";
simple-audio-card,mclk-fs = <256>;
simple-audio-card,hp-det-gpio = <&gpio4 28 GPIO_ACTIVE_HIGH>;
simple-audio-card,widgets =
"Microphone", "Mic Jack",
"Headphone", "Headphone Jack";
simple-audio-card,routing =
"Mic Jack", "MICBIAS1",
"IN1P", "Mic Jack",
"Headphone Jack", "HPOL",
"Headphone Jack", "HPOR";
simple-audio-card,cpu {
sound-dai = <&i2s0>;
};
simple-audio-card,codec {
sound-dai = <&rt5651>;
};
};
这里没有选择自己编写 Machine driver,而是采用了 simple-audio-card 这个通用的 Machine driver。
在 simple-audio-card 已经够用的情况下,建议优先使用 simple-audio-card 框架,代码会更加简洁一些。
相关文档和代码:
- Documentation/devicetree/bindings/sound/simple-card.txt
- Documentation/devicetree/bindings/sound/widgets.txt
- Documentation/sound/alsa/soc/machine.txt
- sound/soc/generic/simple-card.c
simple-card.c 做了什么?
虽然 simple-card.c 不是单板相关的东西,但还是有必要简单说明一下它的内容。
既然 simple-audio-card 是一个 Machine driver,Machine driver 最重要的事情是:构造并注册 struct snd_soc_card,可以认为一个 snd_soc_card 就代表着一个 soc 声卡:
static int asoc_simple_card_probe() {
struct snd_soc_dai_link *dai_link;
[...]
/* Init snd_soc_card */
priv->snd_card.owner = THIS_MODULE;
priv->snd_card.dev = dev;
dai_link = priv->dai_link;
priv->snd_card.dai_link = dai_link;
priv->snd_card.num_links = num_links;
[...]
/* 根据设备树的配置进一步初始化 snd_soc_card,
* 包括 struct snd_soc_dai_link。
*/
asoc_simple_card_parse_of(np, priv);
/* Register snd_soc_card */
devm_snd_soc_register_card(&pdev->dev, &priv->snd_card);
}
snd_soc_card 里有一个比较重要的成员变量 struct snd_soc_dai_link,snd_soc_dai_link 建立了 CPU DAI 和 Codec DAI 的连接 (link)。simple-card.c 会根据设备树里的配置对 snd_soc_dai_link 进行初始化。
后面就不再展开继续分析了,将关注点放在单板相关的部分。
分析设备树
1) 指定 platform & codec
simple-audio-card,cpu {
sound-dai = <&i2s0>;
};
simple-audio-card,codec {
sound-dai = <&rt5651>;
};
指明了:
- platform driver 是 i2s0;
- codec driver 是 rt5651;
2) 定义单板相关的 Widget
simple-audio-card,widgets =
"Microphone", "Mic Jack",
"Headphone", "Headphone Jack";
什么是 Widget?
- 在 Asoc 驱动中,用 Widget 来描述一个声卡的功能部件
- 参考文档:Documentation/sound/alsa/soc/dapm.txt
这里定义了 2 个 Widget:
- Mic Jack,代表麦克风
- Headphone Jack,代表 3.5 mm 耳机座
3) 设置单板相关的 Routing
simple-audio-card,routing =
"Mic Jack", "MICBIAS1",
"IN1P", "Mic Jack",
"Headphone Jack", "HPOL",
"Headphone Jack", "HPOR";
将 CPU DAI 和 Codec DAI 连接起来后,还需要设置 Codec 的 input 和 output 路径,对应的术语就是 Routing。
simple-audio-card,routing 的作用:
A list of the connections between audio components.
Each entry is a pair of strings, the first being the connection's sink, the second being the connection's source.
不过我认为设备树里的这些 Widget 和 Routing 都是没必要的,在 Codec drvier/rt5651.c 已经定义了足够让声卡正常工作的 Widget 和 Routing,有待考证。
3.2 查看 Platform driver
DT bindings:
arch/arm64/boot/dts/rockchip/rk3399.dtsi
i2s0: i2s@ff880000 {
compatible = "rockchip,rk3399-i2s", "rockchip,rk3066-i2s";
reg = <0x0 0xff880000 0x0 0x1000>;
rockchip,grf = <&grf>;
interrupts = <GIC_SPI 39 IRQ_TYPE_LEVEL_HIGH 0>;
dmas = <&dmac_bus 0>, <&dmac_bus 1>;
dma-names = "tx", "rx";
clock-names = "i2s_clk", "i2s_hclk";
clocks = <&cru SCLK_I2S0_8CH>, <&cru HCLK_I2S0_8CH>;
resets = <&cru SRST_I2S0_8CH>, <&cru SRST_H_I2S0_8CH>;
reset-names = "reset-m", "reset-h";
pinctrl-names = "default";
pinctrl-0 = <&i2s0_8ch_bus>;
power-domains = <&power RK3399_PD_SDIOAUDIO>;
status = "disabled";
};
相关文档和代码:
- Documentation/devicetree/bindings/sound/rockchip-i2s.txt
- sound/soc/rockchip/rockchip_i2s.c
rockchip_i2s.c 做了什么?
Asoc 里的 Platform driver 一般由 CPU 厂商负责编写,但是了解其内部实现有有利于我们宏观把握整个 ASoc 驱动框架。
rockchip_i2s.c 核心工作就是对外提供配置和使能 i2s 接口的能力,它最核心的工作如下。
1) 定义 1个 CPU DAI
static struct snd_soc_dai_driver rockchip_i2s_dai = {
.probe = rockchip_i2s_dai_probe,
.playback = {
.stream_name = "Playback",
.channels_min = 2,
.channels_max = 8,
.rates = SNDRV_PCM_RATE_8000_192000,
...
},
.capture = {
.stream_name = "Capture",
.channels_min = 2,
.channels_max = 2,
.rates = SNDRV_PCM_RATE_8000_192000,
...
},
.ops = &rockchip_i2s_dai_ops,
};
一个 snd_soc_dai_driver 就代表着一个 CPU DAI,该结构体提供了这个 CPU DAI的所有能力。
2) 定义CPU DAI 的操作集
static const struct snd_soc_dai_ops rockchip_i2s_dai_ops = {
.hw_params = rockchip_i2s_hw_params,
.set_sysclk = rockchip_i2s_set_sysclk,
.set_fmt = rockchip_i2s_set_fmt,
.trigger = rockchip_i2s_trigger,
};
这部分基本就是 i2s 最底层的硬件配置接口了,基本就是围绕着 clocking / format / channel / master-slave 等需求来操作寄存器。这些接口会被 Machine driver 所使用,以和 Codec 端进行配合,一般我们最关心的就是 clock 是否匹配,简化模型如下:

3) 注册 CPU DAI
static int rockchip_i2s_probe(struct platform_device *pdev)
{
memcpy(soc_dai, &rockchip_i2s_dai, sizeof(*soc_dai));
ret = devm_snd_soc_register_component(&pdev->dev,
&rockchip_i2s_component,
soc_dai, 1);
}
3.3 查看 Codec driver
DT bindings:
&i2c1 {
status = "okay";
i2c-scl-rising-time-ns = <150>;
i2c-scl-falling-time-ns = <30>;
clock-frequency = <200000>;
rt5651: rt5651@1a {
#sound-dai-cells = <0>;
compatible = "rockchip,rt5651";
reg = <0x1a>;
clocks = <&cru SCLK_I2S_8CH_OUT>;
clock-names = "mclk";
pinctrl-names = "default";
pinctrl-0 = <&i2s_8ch_mclk>;
status = "okay";
};
};
相关代码和文档:
- sound/soc/codecs/rt5651.c
- Documentation/sound/alsa/soc/dapm.txt
rt5651.c 里比较关键的点
Audio Codec 的驱动代码都是由 Codec 厂商提供的,了解其内部实现有利于我们根据自己的需求进行定制。一般 Audio Codec里会有如下的关键信息用于表征整个的 Codec 的内部构造。
1) 定义一堆的 snd_kcontrol_new
/* Digital Mixer */
static const struct snd_kcontrol_new rt5651_snd_controls[] = {
/* Headphone Output Volume */
SOC_DOUBLE_TLV("HP Playback Volume", RT5651_HP_VOL,
RT5651_L_VOL_SFT, RT5651_R_VOL_SFT, 39, 1, out_vol_tlv),
/* OUTPUT Control */
SOC_DOUBLE_TLV("OUT Playback Volume", RT5651_LOUT_CTRL1,
RT5651_L_VOL_SFT, RT5651_R_VOL_SFT, 39, 1, out_vol_tlv),
...
}
static const struct snd_kcontrol_new rt5616_sto1_adc_l_mix[] = {
SOC_DAPM_SINGLE("ADC1 Switch", RT5616_STO1_ADC_MIXER,
RT5616_M_STO1_ADC_L1_SFT, 1, 1),
};
...
snd_kcontrol_new 是 构造 snd_kcontrol 的原材料。
snd_kcontrol(简称 kcontrol ) 是 Audio Codec 里的一个配置项,一般对应着寄存器里的某个字段。
2) 定义一堆的 Widget
static const struct snd_soc_dapm_widget rt5616_dapm_widgets[] = {
SND_SOC_DAPM_SUPPLY("PLL1", RT5616_PWR_ANLG2,
RT5616_PWR_PLL_BIT, 0, NULL, 0),
...
SND_SOC_DAPM_MIXER("Stereo1 ADC MIXL", SND_SOC_NOPM, 0, 0,
rt5616_sto1_adc_l_mix,
ARRAY_SIZE(rt5616_sto1_adc_l_mix)),
...
Widget 是 Audio Codec 里的功能部件,看下面这个示意图会比较容易理解:

Widget 的类型包括:
o Mixer - Mixes several analog signals into a single analog signal.
o Mux - An analog switch that outputs only one of many inputs.
o PGA - A programmable gain amplifier or attenuation widget.
o ADC - Analog to Digital Converter
o DAC - Digital to Analog Converter
o Switch - An analog switch
o Input - A codec input pin
o Output - A codec output pin
o Headphone - Headphone (and optional Jack)
o Mic - Mic (and optional Jack)
o Line - Line Input/Output (and optional Jack)
o Speaker - Speaker
o Supply - Power or clock supply widget used by other widgets.
o Regulator - External regulator that supplies power to audio components.
o Clock - External clock that supplies clock to audio components.
o AIF IN - Audio Interface Input (with TDM slot mask).
o AIF OUT - Audio Interface Output (with TDM slot mask).
o Siggen - Signal Generator.
o DAI IN - Digital Audio Interface Input.
o DAI OUT - Digital Audio Interface Output.
o DAI Link - DAI Link between two DAI structures */
o Pre - Special PRE widget (exec before all others)
o Post - Special POST widget (exec after all others)
Widget 可以和某个 kcontrol 绑定在一起,典型的就是 mixer/mux widget。
3) 定义一个描述 Audio Codec 内部 Routing 的结构体: snd_soc_dapm_route
static const struct snd_soc_dapm_route rt5616_dapm_routes[] = {
{"IN1P", NULL, "LDO"},
{"IN2P", NULL, "LDO"},
...
{"LOUT L Playback", "Switch", "LOUT MIX"},
{"LOUT R Playback", "Switch", "LOUT MIX"},
这里的 Route 有点类似网络中的路由表,路由表中的每一项定义了一段路径。将多个路由器里的某个路径都连接在一起后,就形成一个完整的音频播放 / 录制路径。
- 第1个参数是目的地;
- 第2个参数是会用到的 kcontrol,可以为 NULL;
- 第3个成员是来源;
4) 用一个结构体来汇总上面的所有Codec 描述信息:snd_soc_codec_driver
static struct snd_soc_codec_driver soc_codec_dev_rt5651 = {
.probe = rt5651_probe,
.suspend = rt5651_suspend,
.resume = rt5651_resume,
.set_bias_level = rt5651_set_bias_level,
.idle_bias_off = true,
.controls = rt5651_snd_controls,
.num_controls = ARRAY_SIZE(rt5651_snd_controls),
.dapm_widgets = rt5651_dapm_widgets,
.num_dapm_widgets = ARRAY_SIZE(rt5651_dapm_widgets),
.dapm_routes = rt5651_dapm_routes,
.num_dapm_routes = ARRAY_SIZE(rt5651_dapm_routes),
};
snd_soc_codec_driver 就代表了一个 Codec driver。
5) 注册 codec driver: snd_soc_register_codec()
static int rt5651_i2c_probe() {
...
ret = snd_soc_register_codec(&i2c->dev, &soc_codec_dev_rt5651,
rt5651_dai, ARRAY_SIZE(rt5651_dai));
}
将 codec driver 注册进系统后,系统就有能力动态地判断是否应该使能 Audio Codec 内部的就某个 Path,只有当 Path 上的各个 Route 是连接的并且有应用程序在使用声卡,才需要真正地给 Audio Codec 上电。
rt5651_dai 是 Codec 端的 DAI,它向 Machine driver 提供配置 Codec 的能力:
static const struct snd_soc_dai_ops rt5651_aif_dai_ops = {
.hw_params = rt5651_hw_params,
.set_fmt = rt5651_set_dai_fmt,
.set_sysclk = rt5651_set_dai_sysclk,
.set_pll = rt5651_set_dai_pll,
};
static struct snd_soc_dai_driver rt5651_dai[] = {
{
.name = "rt5651-aif1",
.id = RT5651_AIF1,
.playback = {
.stream_name = "AIF1 Playback",
...
},
.capture = {
.stream_name = "AIF1 Capture",
...
},
.ops = &rt5651_aif_dai_ops,
},
...
到此 Machine driver 就有了协调控制 Platform 端和 Codec 端的能力了。
4. 应用层查看声卡信息
查看所有的 DAI:
$ cat /sys/kernel/debug/asoc/dais
i2s-hifi
i2s-hifi
ff870000.spdif
ff8a0000.i2s
ff880000.i2s // cpu dai
dit-hifi
rt5651-aif2
rt5651-aif1 // codec dai
snd-soc-dummy-dai
查看 Audio Codec 的寄存器:
$ cat /sys/kernel/debug/regmap/1-001a/registers
000: 0000
002: 8888
003: c8c8
005: 0000
00d: 0200
...
查看 Widget 的状态:
$ cat /sys/devices/platform/rt5651-sound/ff880000.i2s-rt5651-aif1/dapm_widget
I2S1 ASRC: Off
I2S2 ASRC: Off
STO1 DAC ASRC: Off
STO2 DAC ASRC: Off
ADC ASRC: Off
...
查看和配置 Kcontrol:
$ tinymix --help
usage: tinymix [options] <command>
options:
-h, --help : prints this help message and exits
-v, --version : prints this version of tinymix and exits
-D, --card NUMBER : specifies the card number of the mixer
commands:
get NAME|ID : prints the values of a control
set NAME|ID VALUE : sets the value of a control
controls : lists controls of the mixer
contents : lists controls of the mixer and their contents
5. 参考
- 韦东山视频教程/音频专题 https://www.100ask.net/index
- Rockchip_RK3399TRM_V1.4_Part1-20170408.pdf
- ALC5651 DataSheet_V0.92.pdf
- https://wiki.st.com/stm32mpu/wiki/ALSA_overview
思考技术,也思考人生
要学习技术,更要学习如何生活。
你和我各有一个苹果,如果我们交换苹果的话,我们还是只有一个苹果。但当你和我各有一个想法,我们交换想法的话,我们就都有两个想法了。
对 嵌入式系统 (Linux、RTOS、OpenWrt、Android) 和 开源软件 感兴趣,关注公众号:嵌入式Hacker。
觉得文章对你有价值,不妨点个 在看和赞。
最后
以上就是甜美河马最近收集整理的关于RK3399 Audio驱动讲解的全部内容,更多相关RK3399内容请搜索靠谱客的其他文章。
发表评论 取消回复