SD卡在现在的日常生活与工作中使用非常广泛,时下已经成为最为通用的数据存储卡。在诸如MP3、数码相机等设备上也都采用SD卡作为其存储设备。SD卡之所以得到如此广泛的使用,是因为它价格低廉、存储容量大、使用方便、通用性与安全性强等优点。既然它有着这么多优点,那么如果将它加入到单片机应用开发系统中来,将使系统变得更加出色。这就要求对SD卡的硬件与读写时序进行研究。对于SD卡的硬件结构,在官方的文档上有很详细的介绍,如SD卡内的存储器结构、存储单元组织方式等内容。要实现对它的读写,最核心的是它的时序,笔者在经过了实际的测试后,使用51单片机成功实现了对SD卡的扇区读写,并对其读写速度进行了评估。下面先来讲解SD卡的读写时序。
(1)

SD卡引脚功能详述:
|
引脚
编号
|
SD模式
|
| ||||
|
名称
|
类型
|
描述
|
名称
|
类型
|
描述
| |
|
1
|
CD/DAT3
|
IO或PP
|
卡检测/
数据线3
|
#CS
|
I
|
片选
|
|
2
|
CMD
|
PP
|
命令/
回应
|
DI
|
I
|
数据输入
|
|
3
|
V
SS1
|
S
|
电源地
|
VSS
|
S
|
电源地
|
|
4
|
V
DD
|
S
|
电源
|
VDD
|
S
|
电源
|
|
5
|
CLK
|
I
|
时钟
|
SCLK
|
I
|
时钟
|
|
6
|
V
SS2
|
S
|
电源地
|
VSS2
|
S
|
电源地
|
|
7
|
DAT0
|
IO或PP
|
数据线0
|
DO
|
O或PP
|
数据输出
|
|
8
|
DAT1
|
IO或PP
|
数据线1
|
RSV
|
|
|
|
9
|
DAT2
|
IO或PP
|
数据线2
|
RSV
|
|
|
注:S:电源供给
PP:采用推拉驱动的输入输出
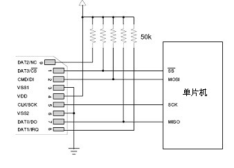
SD卡SPI模式下与单片机的连接图:

SD卡支持两种总线方式:SD方式与SPI方式。其中SD方式采用6线制,使用CLK、CMD、DAT0~DAT3进行数据通信。而SPI方式采用4线制,使用CS、CLK、DataIn、DataOut进行数据通信。SD方式时的数据传输速度与SPI方式要快,采用单片机对SD卡进行读写时一般都采用SPI模式。采用不同的初始化方式可以使SD卡工作于SD方式或SPI方式。这里只对其SPI方式进行介绍。
(2)
1)
1.
SD卡自身有完备的命令系统,以实现各项操作。命令格式如下:

命令的传输过程采用发送应答机制,过程如下:

每一个命令都有自己命令应答格式。在SPI模式中定义了三种应答格式,如下表所示:
|
字节
|
位
|
含义
|
|
1
|
7
|
开始位,始终为0
|
|
6
|
参数错误
| |
|
5
|
地址错误
| |
|
4
|
擦除序列错误
| |
|
3
|
CRC错误
| |
|
2
|
非法命令
| |
|
1
|
擦除复位
| |
|
0
|
闲置状态
|
|
字节
|
位
|
含义
|
|
1
|
7
|
开始位,始终为0
|
|
6
|
参数错误
| |
|
5
|
地址错误
| |
|
4
|
擦除序列错误
| |
|
3
|
CRC错误
| |
|
2
|
非法命令
| |
|
1
|
擦除复位
| |
|
0
|
闲置状态
| |
|
2
|
7
|
溢出,CSD覆盖
|
|
6
|
擦除参数
| |
|
5
|
写保护非法
| |
|
4
|
卡ECC失败
| |
|
3
|
卡控制器错误
| |
|
2
|
未知错误
| |
|
1
|
写保护擦除跳过,锁/解锁失败
| |
|
0
|
锁卡
|
|
字节
|
位
|
含义
|
|
1
|
7
|
开始位,始终为0
|
|
6
|
参数错误
| |
|
5
|
地址错误
| |
|
4
|
擦除序列错误
| |
|
3
|
CRC错误
| |
|
2
|
非法命令
| |
|
1
|
擦除复位
| |
|
0
|
闲置状态
| |
|
2~5
|
全部
|
操作条件寄存器,高位在前
|
写命令的例程:
//-----------------------------------------------------------------------------------------------
//-----------------------------------------------------------------------------------------------
unsigned char Write_Command_SD(unsigned char *CMD)
{
}
2)
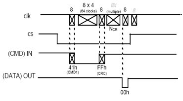
SD卡的初始化是非常重要的,只有进行了正确的初始化,才能进行后面的各项操作。在初始化过程中,SPI的时钟不能太快,否则会造初始化失败。在初始化成功后,应尽量提高SPI的速率。在刚开始要先发送至少74个时钟信号,这是必须的。在很多读者的实验中,很多是因为疏忽了这一点,而使初始化不成功。随后就是写入两个命令CMD0与CMD1,使SD卡进入SPI模式


//--------------------------------------------------------------------------
//--------------------------------------------------------------------------
unsigned char SD_Init()
{
SD_Port_Init(); //初始化驱动端口
}
3)
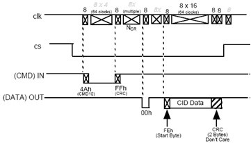
CID寄存器存储了SD卡的标识码。每一个卡都有唯一的标识码。
CID寄存器长度为128位。它的寄存器结构如下:
|
名称
|
域
|
数据宽度
|
CID划分
|
|
生产标识号
|
MID
|
8
|
[127:120]
|
|
OEM/应用标识
|
OID
|
16
|
[119:104]
|
|
产品名称
|
PNM
|
40
|
[103:64]
|
|
产品版本
|
PRV
|
8
|
[63:56]
|
|
产品序列号
|
PSN
|
32
|
[55:24]
|
|
保留
|
-
|
4
|
[23:20]
|
|
生产日期
|
MDT
|
12
|
[19:8]
|
|
CRC7校验合
|
CRC
|
7
|
[7:1]
|
|
未使用,始终为1
|
-
|
1
|
[0:0]
|
它的读取时序如下:

与此时序相对应的程序如下:
//------------------------------------------------------------------------------------
//-------------------------------------------------------------------------------------
unsigned char Read_CID_SD(unsigned char *Buffer)
{
}
4)读取CSD
CSD(Card-Specific Data)寄存器提供了读写SD卡的一些信息。其中的一些单元可以由用户重新编程。具体的CSD结构如下:
|
名称
|
域
|
数据宽度
|
单元类型
|
CSD划分
|
|
CSD结构
|
CSD_STRUCTURE
|
2
|
R
|
[127:126]
|
|
保留
|
-
|
6
|
R
|
[125:120]
|
|
数据读取时间1
|
TAAC
|
8
|
R
|
[119:112]
|
|
数据在CLK周期内读取时间2(NSAC*100)
|
NSAC
|
8
|
R
|
[111:104]
|
|
最大数据传输率
|
TRAN_SPEED
|
8
|
R
|
[103:96]
|
|
卡命令集合
|
CCC
|
12
|
R
|
[95:84]
|
|
最大读取数据块长
|
READ_BL_LEN
|
4
|
R
|
[83:80]
|
|
允许读的部分块
|
READ_BL_PARTIAL
|
1
|
R
|
[79:79]
|
|
非线写块
|
WRITE_BLK_MISALIGN
|
1
|
R
|
[78:78]
|
|
非线读块
|
READ_BLK_MISALIGN
|
1
|
R
|
[77:77]
|
|
DSR条件
|
DSR_IMP
|
1
|
R
|
[76:76]
|
|
保留
|
-
|
2
|
R
|
[75:74]
|
|
设备容量
|
C_SIZE
|
12
|
R
|
[73:62]
|
|
最大读取电流@V
DDmin
|
VDD_R_CURR_MIN
|
3
|
R
|
[61:59]
|
|
最大读取电流@V
DDmax
|
VDD_R_CURR_MAX
|
3
|
R
|
[58:56]
|
|
最大写电流@V
DDmin
|
VDD_W_CURR_MIN
|
3
|
R
|
[55:53]
|
|
最大写电流@V
DDmax
|
VDD_W_CURR_MAX
|
3
|
R
|
[52:50]
|
|
设备容量乘子
|
C_SIZE_MULT
|
3
|
R
|
[49:47]
|
|
擦除单块使能
|
ERASE_BLK_EN
|
1
|
R
|
[46:46]
|
|
擦除扇区大小
|
SECTOR_SIZE
|
7
|
R
|
[45:39]
|
|
写保护群大小
|
WP_GRP_SIZE
|
7
|
R
|
[38:32]
|
|
写保护群使能
|
WP_GRP_ENABLE
|
1
|
R
|
[31:31]
|
|
保留
|
-
|
2
|
R
|
[30:29]
|
|
写速度因子
|
R2W_FACTOR
|
3
|
R
|
[28:26]
|
|
最大写数据块长度
|
WRITE_BL_LEN
|
4
|
R
|
[25:22]
|
|
允许写的部分部
|
WRITE_BL_PARTIAL
|
1
|
R
|
[21:21]
|
|
保留
|
-
|
5
|
R
|
[20:16]
|
|
文件系统群
|
FILE_OFRMAT_GRP
|
1
|
R/W
|
[15:15]
|
|
拷贝标志
|
COPY
|
1
|
R/W
|
[14:14]
|
|
永久写保护
|
PERM_WRITE_PROTECT
|
1
|
R/W
|
[13:13]
|
|
暂时写保护
|
TMP_WRITE_PROTECT
|
1
|
R/W
|
[12:12]
|
|
文件系统
|
FIL_FORMAT
|
2
|
R/W
|
[11:10]
|
|
保留
|
-
|
2
|
R/W
|
[9:8]
|
|
CRC
|
CRC
|
7
|
R/W
|
[7:1]
|
|
未用,始终为1
|
-
|
1
|
|
[0:0]
|
读取CSD 的时序:

相应的程序例程如下:
//-----------------------------------------------------------------------------------------
//-----------------------------------------------------------------------------------------
unsigned char Read_CSD_SD(unsigned char *Buffer)
{
}
4)
综合上面对CID与CSD寄存器的读取,可以知道很多关于SD卡的信息,以下程序可以获取这些信息。如下:
//-----------------------------------------------------------------------------------------------
//返回
//
//
u08 == C_SIZE / (2^(9-C_SIZE_MULT))
//
//-----------------------------------------------------------------------------------------------
void SD_get_volume_info()
{
/读取CSD寄存器
//获取总扇区数
//获取SD卡的容量
}
typedef struct SD_VOLUME_INFO
{ //SD/SD Card info
} VOLUME_INFO_TYPE;
最后
以上就是土豪草丛最近收集整理的关于SD卡引脚 电路图及工作原理介绍的全部内容,更多相关SD卡引脚内容请搜索靠谱客的其他文章。
发表评论 取消回复