电路中经常用到A/D转换器,但对于原理有没有想进一步了解下,以显示自己不止于小白呢,那么请往下看。
----A/D转换器的分类----
包括并联比较型(也叫Flash型)、SAR型(逐次逼近型)、Σ-Δ型等。
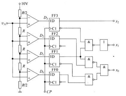
并联比较型A/D转换器属于直接A/D转换器,能将输入的模拟电压直接转换为输出的数字量,由电压比较器、寄存器和代码转换电路三部分组成:电压比较器中量化电平的划分是用电阻链将参考电压Vref分压成N份,每一份都接入N个比较器的一端,这样同时将Vi与每个比较器同时进行比较,结果通过寄存器存储后再通过代码转换器转换出结果。

通过整个转换过程可以知道,转换的精度主要取决于多个量化电平的划分,分的越细则精度越高,同时需要的比较器和触发器数目也就越多,同时精度也与参考电压的稳定度和分压电阻的精度有很大关系。就像用尺子去量一个杆子的长度,尺子刻线越密(划分越细),量出的长度精度越高,但同时使用的刻线也就越多,另外,尺子的长度及刻线越准确,量出的杆子长度就越准确,当然,用的尺子也就越贵。
逐次逼近型(successive approximation register)也叫SAR型ADC,属于反馈比较型ADC,也是一种直接ADC。电路包括比较器、D/A转换器、寄存器、时钟脉冲源和控制逻辑等5部分组成。

转换开始前先将寄存器清零,所以加给DAC的数字量也全是0,时钟信号先将寄存器的最高位置1,寄存器里的值为100…000,这个数字量被DAC转换成相应的模拟量电压vo,并被送到比较器与输入信号vi进行比较。如果vo>vi,说明数字过大了,则将最高位的1变为0;如果vo<vi,说明这个数字不够大,则这个高位的1保留。然后,再按同样的方法将次高位置1,并比较vo与vi的大小以确定次高位的1是否保留。这样逐位比较下去,直到最低位比较完为止。这时寄存器里所存的数据就是所要输出的数字量。
对这个过程做类比的话就如同用天平去称量一个物体的重量,先加一个最大的砝码,如果砝码更重,再换一个一半重量的小砝码;如果物体更重,那么此砝码保持,再加一个一半重量的砝码,这样逐个调节砝码,直到用完最轻的砝码,最终砝码加起来的重量就是物体的重量。
从这个类比的过程中,我们知道,首先物体的重量不能超过有的砝码的总重量,即模拟量输入大小不能超过芯片的量程;其次最小砝码的重量即为物体重量的分辨率,即ADC的分辨率为 LSB;最后,整个转换过程需要的比较次数为砝码的种类个数,即为ADC的位数(比如12位ADC就需要比较12次)。
Σ-Δ型ADC不是直接根据抽样数据的每一个样值的大小进行量化编码,而是根据前一量值与后一量值的差值即所谓增量的大小来进行量化编码。∑–△型ADC由两部分组成,第一部分为模拟∑–△调制器,第二部分为数字抽取滤波器,如下图所示

∑–△调制器以极高的采样频率对输入模拟信号进行采样,并对两个采样之间的差值进行低位量化,从而得到用低位数码表示的数字信号即∑–△码;然后将这种∑–△码送给第二部分的数字抽取滤波器进行抽取滤波,从而得到高分辨率的线性脉冲编码调制的数字信号。因此抽取滤波器实际上相当于一个码型变换器。由于∑–△调制器具有极高的采样速率, 通常比奈奎斯特采样频率高出许多倍,因此∑–△调制器又称为过采样ADC转换器。这种类型的ADC采用了极低位的量化器, 从而避免了制造高位转换器和高精度电阻网络的困难;另一方面,因为它采用了∑–△调制技术和数字抽取滤波,可以获得极高的分辨率;同时由于采用了低位量化输出的∑–△码,不会对采样值幅度变化敏感,而且由于码位低,采样与量化编码可以同时完成,几乎不花时间,因此不需要采样保持电路,这就使得采样系统的构成大为简化。这种增量调制型ADC实际上是以高速采样率来换取高位量化,即以速度来换精度。
----三种型号ADC的优劣对比----
并联(FLASH)型ADC最大优点是转换速度快,因为是同时比较嘛,它的速度是其他ADC均无法比拟的,但缺点是需要用很多的电压比较器和触发器,电路的规模随着ADC位数的增加会急剧膨胀,即以面积换速度,因此只用在超高速的ADC场合;
SAR型ADC虽然速度比不上FLASH型,但也相对较快,同时电路规模较小,想要更高精度就需要更多时间,即以时间换精度,且其内部比较器噪声和DAC线性度决定了转换的精度。此种ADC在工业场景中使用较多,在DSP的C2000系列中集成的就是SAR型ADC,内部将多个通道进行多路复用,因而所需的ADC数量少,节省了PCB面积和成本;
∑–△型ADC的高分辨率,高精度是其最大的优点,但分辨率较高的Σ-△型ADC转换时间较长,建立时间还会因所使用的数字滤波器类型而不同,用户必须等到数字滤波器的建立时间完全结束,才能取得有效的转换结果,然后才能切换到下一个通道。
最后
以上就是默默海燕最近收集整理的关于Flash型、SAR型与Σ-Δ型ADC比较之浅见的全部内容,更多相关Flash型、SAR型与Σ-Δ型ADC比较之浅见内容请搜索靠谱客的其他文章。
发表评论 取消回复