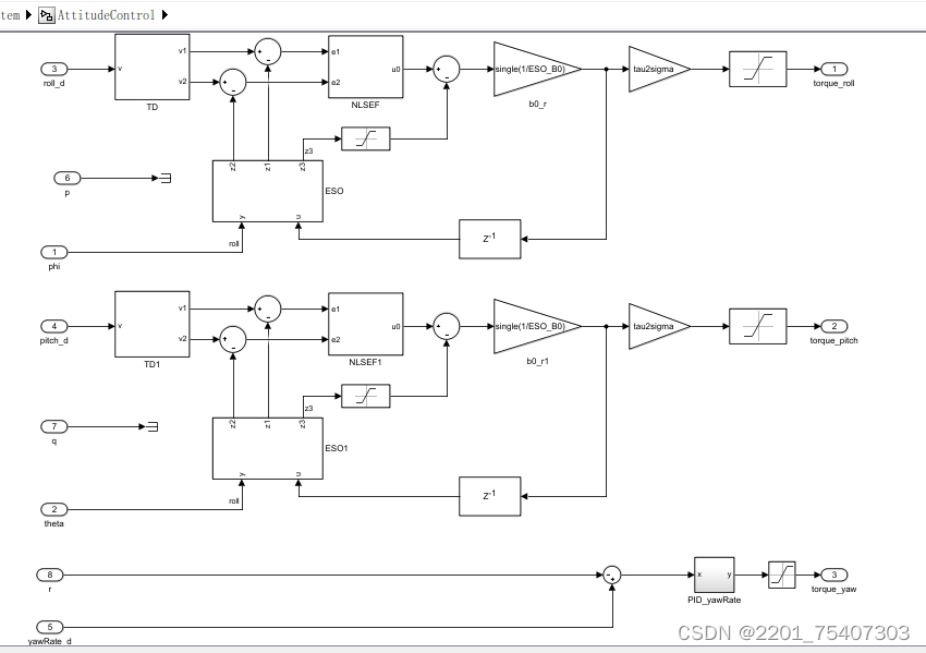
ADRC,自抗扰控制器,扩张状态观测器,ESO,模型预测控制算法MPC,自适应模型预测控制算法,时变模型预测控制算法,H无穷算法,混合灵敏度,鲁棒控制算法,四旋翼,直升机,控制算法设计,仿真模型,算法移植,算法部署,算法C代码生成。

ID:69400646080540961
欲买桂花同载酒





最后
以上就是激昂金鱼最近收集整理的关于ADRC,自抗扰控制器,扩张状态观测器,ESO,模型预测控制算法MPC的全部内容,更多相关ADRC内容请搜索靠谱客的其他文章。
本图文内容来源于网友提供,作为学习参考使用,或来自网络收集整理,版权属于原作者所有。
发表评论 取消回复