1、内容简介
这个公式排版太难了,截图吧
436-可以交流、咨询、答疑
2、内容说明


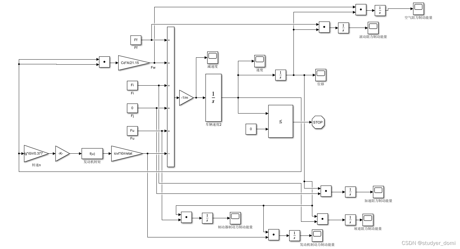
汽车行驶状态车所受到的纵向力(受到驱动力,滚动阻力,空气阻力,加速阻力,坡道阻力等),根据受力的平衡关系,建立制动动力学方程:
中,为滚动阻力,为空气阻力,为坡道阻力,为加速阻力,为发动机制动力,为制动器制动力)
1.滚动阻力:
(其中G为汽车重力,f为滚动阻力系数,α为坡道角)
2.空气阻力:
(其中为空气阻力系数,A为汽车迎风面积,V为车速)
从踩下制动踏板,制动力经由制动器到车轮,由于车轮与地面接触,汽车受到的主要外力由地面提供,产生地面制动力,此时对车轮进行受力分析
为车轮与制动器中摩擦片与制动鼓式盘相对滑移的摩擦力矩,为地面制动力,W为车轮垂直载荷,为车轴对车轮推理,为地面车轮法相作用力,r为车轮半径。
车轮滚动时地面制动力等于制动系统的制动力,并且随着制动踏板位移增长正比增长。
所以
(G为车重,为附着系数)
(其中B为制动器效能因数,D为制动轮缸有效直径,p为制动轮压力,为制动器有效半径。)
当抬起油门踏板,不踩离合器,利用发动机压缩行程,内摩擦力和进排气阻力对驱动轮行程制动作用。
其原理为松开油门时,发动机节气门闭合,此时发动机在进气侧形成可一种趋于真空的状态,此时活塞向下运动会产生一个类似抽真空的吸力,这种真空阻力会拖慢发动机的转速,继而拖慢一系列传动装备,最终表现在车轮上,产生制动效果。
汽车的行驶速度和发动机转速关系为:
(其中V为汽车行驶速度,r为车轮半径,n为发动机转速,为变速器传动比,为主减速器传动比)
发动机制动力
(为发动机制动力矩是发动机转速的函数=f(n),为CVT速比,为主减速器传动比,r车轮半径,传动系统效率)
得出仿真制动过程中开始到结束各制动力的贡献比,获得车速和制动力的函数关系。
3、仿真分析

4、参考论文
略
最后
以上就是俊逸钥匙最近收集整理的关于matlab simulink 汽车制动纵向动力学建模的全部内容,更多相关matlab内容请搜索靠谱客的其他文章。
发表评论 取消回复