1)实验平台:正点原子领航者ZYNQ开发板
2)平台购买地址:https://item.taobao.com/item.htm?&id=606160108761
3)全套实验源码+手册+视频下载地址:http://www.openedv.com/thread-301505-1-1.html
4)对正点原子FPGA感兴趣的同学可以加群讨论:994244016
5)关注正点原子公众号,获取最新资料更新

第二十九章 双路高速AD实验
ADC(Analog to Digital Converter即模数转换器)是大多数系统中必不可少的组成部件,用于将连续的模拟信号转换成离散的数字信号,它们是连接模电电路和数字电路必不可少的桥梁。在很多场合下,ADC的转换速度甚至直接决定了整个系统的运行速度。本章我们将使用双路高速AD模块采集外部模拟信号转换成数字信号,并在ILA中查看信号波形。
本章包括以下几个部分:
29.1 简介
29.2 实验任务
29.3 硬件设计
29.4 软件设计
29.5 下载验证
29.1 简介
本章我们使用的高速双路AD模块是正点原子推出的一款高速双路模数转换模块(ATK_DUAL_HS_AD),高速AD转换芯片由恩瑞浦公司生产的,型号是3PA1030。
ATK_DUAL_HS_AD模块的硬件结构图如下图所示。

图 7.5.13.1 ATK_DUAL_HS_AD模块硬件结构图
3PA1030芯片的输入模拟电压转换范围是0V2V,所以电压输入端需要先经过电压衰减电路,使输入的-5V+5V之间的电压衰减到0V~2V之间,然后经过3PA1030芯片将模拟电压信号转换成数字信号。
下面我们介绍下这个芯片。
3PA1030芯片
3PA1030是一款恩瑞浦推出的单电压芯片,10位,50 MSPS(Million Samples Per Second,每秒采样百万次)模数转换器,集成片上采样保持放大器和基准电压源。具有高性能低功耗的特点。
3PA1030的内部功能框图如下图所示:

图 7.5.13.2 3PA1030内部功能框图
3PA1030在时钟(CLK)的驱动下工作,3PA1030内置片内采样保持放大器(SHA),同时采用多级差分流水线架构,保证了50MSPS的数据转换速率下全温度范围内无失码;3PA1030内部集成了基准源,根据系统需要也可以选择外部高精度基准满足系统的要求。
3PA1030输出的数据以二进制格式表示,当输入的模拟电压超出量程时,会拉高OVR信号;当输入的模拟电压在量程范围内时,OVR信号为低电平,因此可以通过OVR信号来判断输入的模拟电压是否在测量范围内。另外3PA1030有一个OE信号,当该信号为高电平时3PA1030输出呈高阻态,低电平则可以正常输出。
3PA1030的时序图如下图所示:

图 7.5.13.3 3PA1030时序图
上图中,S1,S2,S3分别为三个采样点,可以看到,芯片在时钟的上升沿采样。需要注意的是,3PA1030芯片的最大转换速度是50MSPS,即输入的时钟最大频率为50MHz。
3PA1030支持输入的模拟电压范围是0V至2V,0V对应输出的数字信号为0,2V对应输出的数字信号为1023。而DA经外部电路后,输出的电压范围是-5V+5V,因此在3PA1030的模拟输入端增加电压衰减电路,使-5V+5V之间的电压转换成0V至2V之间。那么实际上对我们用户使用来说,当3PA1030的模拟输入接口连接-5V电压时,AD输出的数据为0;当3PA1030的模拟输入接口连接+5V电压时,AD输出的数据为1023。
当3PA1030模拟输入端接-5V至+5V之间变化的正弦波电压信号时,其转换后的数据也是成正弦波波形变化,转换波形如下图所示:

图 7.5.13.4 3PA1030正弦波模拟电压值(左)、数据(右)
由上图可知,输入的模拟电压范围在-5V至5V之间,按照正弦波波形变化,最终得到的数据也是按照正弦波波形变化。
29.2 实验任务
本节实验任务是使用领航者开发板及双路AD扩展模块(ATK_DUAL_HS_AD模块)实现双路模数的转换,并在ILA中查看波形。本实验我们模拟输入源来自信号发生器,一个是正弦波,频率1Mhz,幅值9V;另一个是三角波,频率1Mhz,幅值5V。两路模拟信号分别接在双路AD模块的模拟信输入端。
29.3 硬件设计
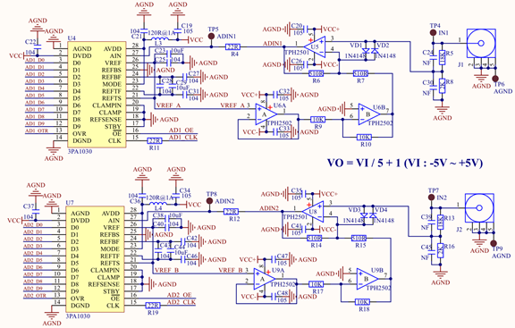
ATK_DUAL_HS_AD模块电路主要包括扩展口,AD芯片,电源电路模块和低通滤波器,衰减电路。下面是扩展口电源电路部分。

图 7.5.13.1 扩展口及电源电路
由上图可知,双路AD模块使用到的管脚连接道路P4扩展口上,这些管脚包括十位的数据,时钟以及电源等信号。U2用于将5V电压转成VCC+(2.8V)供U1使用,U1将VCC+转成了VCC-(-2.8V),±2.8V电压供双电源运放TPH2501使用。U3负责将5V电压转成VCC(3.3V)。
衰减电路原理图如下图所示。

图 7.5.13.2 3PA1030原理图
上下两个电路是一样的,我们以上面的电路为例。上图中输入的模拟信号IN1(V1)经过衰减电路后得到AD_IN1(VO)信号,两个模拟电压信号之间的关系是VO=VI/5+1,即当VI=5V时,VO=2V;VI=-5V时,VO=0V。
ATK_DUAL_HS_AD模块的实物图如下图所示。

图 7.5.13.3 ATK_DUAL_HS_AD模块实物图
本实验中,各端口信号的管脚分配如下表所示。
表 29.3.1双路高速AD转换实验管脚分配
信号名 方向 管脚 端口说明 电平标准
sys_clk input U18 系统时钟,50Mhz LVCMOS33
ad0_data[0] input W16 AD0输入数据 LVCMOS33
ad0_data[1] input V16 AD0输入数据 LVCMOS33
ad0_data[2] input T15 AD0输入数据 LVCMOS33
ad0_data[3] input T14 AD0输入数据 LVCMOS33
ad0_data[4] input Y16 AD0输入数据 LVCMOS33
ad0_data[5] input Y17 AD0输入数据 LVCMOS33
ad0_data[6] input U17 AD0输入数据 LVCMOS33
ad0_data[7] input T16 AD0输入数据 LVCMOS33
ad0_data[8] input V18 AD0输入数据 LVCMOS33
ad0_data[9] input V17 AD0输入数据 LVCMOS33
ad0_otr input R18 模拟电压超出量程标志 LVCMOS33
ad0_clk output Y19 AD0驱动时钟 LVCMOS33
ad0_oe output T17 AD0输出使能 LVCMOS33
ad1_data[0] input P16 AD1输入数据 LVCMOS33
ad1_data[1] input P15 AD1输入数据 LVCMOS33
ad1_data[2] input W19 AD1输入数据 LVCMOS33
ad1_data[3] input W18 AD1输入数据 LVCMOS33
ad1_data[4] input R17 AD1输入数据 LVCMOS33
ad1_data[5] input R16 AD1输入数据 LVCMOS33
ad1_data[6] input V20 AD1输入数据 LVCMOS33
ad1_data[7] input W20 AD1输入数据 LVCMOS33
ad1_data[8] input N17 AD1输入数据 LVCMOS33
ad1_data[9] input P18 AD1输入数据 LVCMOS33
ad1_otr input N18 模拟电压超出量程标志 LVCMOS33
ad1_clk output U20 AD1驱动时钟 LVCMOS33
ad1_oe output P19 AD1输出使能 LVCMOS33
对应的XDC约束语句如下所示:
#时序约束
create_clock -period 20.000 -name sys_clk [get_ports sys_clk]
set_property -dict {IOSTANDARD LVCMOS33 PACKAGE_PIN U18} [get_ports sys_clk]
#ad_data0
set_property -dict {IOSTANDARD LVCMOS33 PACKAGE_PIN W16} [get_ports {ad0_data[0]}]
set_property -dict {IOSTANDARD LVCMOS33 PACKAGE_PIN T15} [get_ports {ad0_data[2]}]
set_property -dict {IOSTANDARD LVCMOS33 PACKAGE_PIN Y16} [get_ports {ad0_data[4]}]
set_property -dict {IOSTANDARD LVCMOS33 PACKAGE_PIN U17} [get_ports {ad0_data[6]}]
set_property -dict {IOSTANDARD LVCMOS33 PACKAGE_PIN V18} [get_ports {ad0_data[8]}]
set_property -dict {IOSTANDARD LVCMOS33 PACKAGE_PIN R18} [get_ports ad0_otr]
set_property -dict {IOSTANDARD LVCMOS33 PACKAGE_PIN Y19} [get_ports ad0_clk]
set_property -dict {IOSTANDARD LVCMOS33 PACKAGE_PIN V16} [get_ports {ad0_data[1]}]
set_property -dict {IOSTANDARD LVCMOS33 PACKAGE_PIN T14} [get_ports {ad0_data[3]}]
set_property -dict {IOSTANDARD LVCMOS33 PACKAGE_PIN Y17} [get_ports {ad0_data[5]}]
set_property -dict {IOSTANDARD LVCMOS33 PACKAGE_PIN T16} [get_ports {ad0_data[7]}]
set_property -dict {IOSTANDARD LVCMOS33 PACKAGE_PIN V17} [get_ports {ad0_data[9]}]
set_property -dict {IOSTANDARD LVCMOS33 PACKAGE_PIN T17} [get_ports {ad0_oe}]
#ad_data1
set_property -dict {IOSTANDARD LVCMOS33 PACKAGE_PIN P16} [get_ports {ad1_data[0]}]
set_property -dict {IOSTANDARD LVCMOS33 PACKAGE_PIN W19} [get_ports {ad1_data[2]}]
set_property -dict {IOSTANDARD LVCMOS33 PACKAGE_PIN R17} [get_ports {ad1_data[4]}]
set_property -dict {IOSTANDARD LVCMOS33 PACKAGE_PIN V20} [get_ports {ad1_data[6]}]
set_property -dict {IOSTANDARD LVCMOS33 PACKAGE_PIN N17} [get_ports {ad1_data[8]}]
set_property -dict {IOSTANDARD LVCMOS33 PACKAGE_PIN N18} [get_ports ad1_otr]
set_property -dict {IOSTANDARD LVCMOS33 PACKAGE_PIN U20} [get_ports ad1_clk]
set_property -dict {IOSTANDARD LVCMOS33 PACKAGE_PIN P15} [get_ports {ad1_data[1]}]
set_property -dict {IOSTANDARD LVCMOS33 PACKAGE_PIN W18} [get_ports {ad1_data[3]}]
set_property -dict {IOSTANDARD LVCMOS33 PACKAGE_PIN R16} [get_ports {ad1_data[5]}]
set_property -dict {IOSTANDARD LVCMOS33 PACKAGE_PIN W20} [get_ports {ad1_data[7]}]
set_property -dict {IOSTANDARD LVCMOS33 PACKAGE_PIN P18} [get_ports {ad1_data[9]}]
set_property -dict {IOSTANDARD LVCMOS33 PACKAGE_PIN P19} [get_ports {ad1_oe}]
29.4 软件设计
根据本章的实验任务,高速双路AD模块同时采集两路外部模拟信号,在模块内部实现模数转换,将转换后的数字信号传给FPGA管脚,FPGA内部逻辑分析仪通过抓取数据将外部的模拟信号呈现出来。
图 7.5.13.1是根据本章实验任务画出的系统框图。我们事先准备两路模拟信号源,本实验我们使用信号发生器产生模拟输入源。接到双路AD芯片的信号输入端,在双路AD内部实现AD转换,将转换后的信号送给FPGA,在这里,FPGA只需要给AD芯片输出驱动时钟信号(AD_CLK)和使能信号(AD_OE),AD芯片便可完成模拟采集并转换成数字信号。
高速双路AD实验的系统框图如图 7.5.13.1所示:
图 7.5.13.1 双路AD系统框图
顶层模块的原理图如下图所示:

图 7.5.13.2 顶层模块原理图
通过对原理图的分析,我们可以将代码分成两个模块,一个是clk_wiz_0模块用来生成对应的时钟去驱动AD外设模块,一个用来例化ila IP核。所以这么一分析我们的代码结构还是非常简单的。我们给出顶层模块代码如下所示:
1 module hs_dual_ad(
2 input sys_clk , //系统时钟
3 //AD0
4 input [9:0] ad0_data , //AD0数据
5 input ad0_otr , //输入电压超过量程标志
6 output ad0_clk , //AD0采样时钟
7 output ad0_oe , //AD0输出使能
8 //AD1
9 input [9:0] ad1_data , //AD1数据
10 input ad1_otr , //输入电压超过量程标志
11 output ad1_clk , //AD1采样时钟
12 output ad1_oe //AD1输出使能
13 );
14
15 //wire define
16 wire clk_out1;
17 wire clk_out2;
18 //*****************************************************
19 //** main code
20 //*****************************************************
21 assign ad0_oe = 1'b0;
22 assign ad1_oe = 1'b0;
23 assign ad0_clk = ~clk_out1;
24 assign ad1_clk = ~clk_out1;
25
26 clk_wiz_0 u_clk_wiz_0
27 (
28 // Clock out ports
29 .clk_out1(clk_out1), // output clk_out1
30 // Status and control signals
31 .reset(1'b0), // input reset
32 .locked(locked), // output locked
33 // Clock in ports
34 .clk_in1(sys_clk)); // input clk_in1
35
36 ila_0 u_ila_0 (
37 .clk(clk_out1), // input wire clk
38 .probe0(ad1_otr), // input wire [0:0] probe0
39 .probe1(ad0_data), // input wire [9:0] probe1
40 .probe2(ad0_otr), // input wire [0:0] probe0
41 .probe3(ad1_data) // input wire [9:0] probe1
42 );
43
44 endmodule
代码第21到22行产生双路AD的两个输出使能信号,ad0_oe和ad1_oe,请注意,它们是低电平有效,所以我们直接赋值0。23行到24行,产生驱动AD芯片的时钟,ad0_clk和ad1_clk,他们都是由clk_out1取反得来,取反其实就是相移180°,这是为了在ila采集数据时采集到数据中间,使采到的数据更正确。其中clk_out1由时钟模块产生,大小是40M。。
29.5 下载验证
将高速双路AD模块插入领航者开发板J3扩展口,连接时注意扩展口电源引脚方向和开发板电源引脚方向一致,然后将下载器一端连接电脑,另一端与开发板上对应端口连接,最后连接电源线并打开电源开关。
领航者开发板硬件连接实物图如下图所示:

图 7.5.13.1 领航者开发板硬件连接实物图


图 7.5.13.2 信号发生器与双路AD模块的连接图
使用SMA转BNC线将信号发生器与AD模块如图 7.5.13.2所示进行连接。
将工程生成的比特流文件下载到FPGA中,运行程序后在ILA中观察ad_data数据的变化,观察到的波形如下图所示。

图 7.5.13.3 AD数据接收模块采集到的ILA波形图
由上图可知,输入的ad_data数据分别为三角波和正弦波,频率和幅值与信号发生器发的设定相一致,说明AD-DA实验验证成功。
另外,在这里介绍一下如何将数据设置成波形图显示。首先选中ILA波形图中的ad_data,右键选择Waveform Style,然后选择Analog即可。如果要切换成数据显示的话,同样选中ad_data,右键选择Waveform Style,然后选择Digital就可以了,如下图所示:

图 7.5.13.4 ILA波形显示设置界面
最后
以上就是孝顺中心最近收集整理的关于【正点原子FPGA连载】 第二十九章 双路高速AD实验-摘自【正点原子】领航者ZYNQ之FPGA开发指南_V2.0的全部内容,更多相关【正点原子FPGA连载】内容请搜索靠谱客的其他文章。
发表评论 取消回复