0.前言
本章主要介绍高速电路MIPI原理图相关内容。
- 之前一直找不到硬件题目来练习,老羡慕人家做软件的,最近发现牛客居然有硬件相关题目!
- 这是链接,牛客网刷题(点击可以跳转),而且它登陆后会自动保存刷题记录,重新登录时不会又原地重练,我觉得这一点还挺好的。
- 个人刷题练习系列专栏:个人CSDN牛客刷题专栏
- 而且牛客的硬件板块还挺多的,包括FPGA等等,而CSDN相对硬件板块太少了,如下是牛客硬件专项题目位置:

文章目录
- 0.前言
- 一.MIPI简介
- 二.电路详解
- 1.主控端
- 2.电阻网络
- 3.设备端
- 结束语
一.MIPI简介
MIPI,Mobile Industry Processor Interface,移动行业处理器接口,由MIPI联盟发起的为移动应用处理器制定的开放标准。
MIPI并不是一个单一的接口或协议,而是包含了一套协议和标准,以满足各种子系统独特的要求。MIPI的标准异常复杂,包含非常多的应用领域。
最终目的是把手机内部的接口如摄像头、显示屏接口、射频/基带接口等标准化,从而减少手机设计的复杂程度和增加设计灵活性。
D-PHY定义了两种传输模式:
- 高速模式(High Speed,HS):
差分信号传输,信号电平在100mV~300mV(200mV的压摆)
信号传输速度达80Mbps1Gbps(v1.0)或80Mbps1.5Gbps(v1.1)
采用源同步的传输方式,由主机(Master)设备向从机(Slave)设备提供DDR时钟。
采用LSB first,MSB last的传输方式。
功耗大,传输速率高。- 低功耗模式(Low Power,LP):
单端信号传输,信号电平在0~1.2V(1.2V压摆)
信号传输速度为10Mbps
采用LSB first,MSB last的传输方式。
功耗低,传输速率低。
协议分层:
协议速率:
HS:部分最高可达2.5Gbps.
优点:
- A)、PCB布线少:8bit DVP至少需要11根线,10bit DVP要13跟线,而MIPI 1Lane只要4跟线,MIPI 4Lane也不过才10根线,节省空间,也符合PCB设计精简的趋势。
- B)、抗干扰能力强:MIPI信号是成对走线,两根线从波形看成反相,有外部干扰过来也会被抵消很大部分,同时MIPI信号属于LVDS(Low Voltage DifferentialSignaling:低压差分信号传输)低到mV级,其本身对于外部的干扰也是很小的。
- C)、传输速率快:每条Data Lane的传输速率可达800Mbps~1.0Gpbs,部分厂商可以做到1.2Gpbs或者更高。
- D)、功耗低:MIPI在HB、VB空闲态时可以进入LP(Low-Power)低功耗模式,且HS态电压幅值较低,功耗也是不大的。
-PCB设计要点:
- MIPI信号线成对出现,Layout时P和N要平行、等长走线;尽量少打或不打过孔;
- 打过孔得同时打,不可直角走线;
- 远离高频信号线(如MCLK、其它MIPI Lane),不可与其并排、重叠走线,最好用地线保护起来,且走线的背面也尽量走地线,并铺地铜作为参考层;
- 差分线对的匹配阻抗要求为100Ω±10%。
- 各Lane之间也应该保持走线等长,如由于FPC结构所限,可以走蛇形线来保证等长,不同Lane之间用地线隔开。
二.电路详解
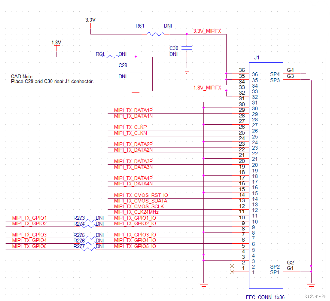
1.主控端
D-PHY的LVCMOS信号:2.5V低速信号部分。
D-PHY的HSTL信号:1.8V高速信号部分。
2.电阻网络
- D-PHY可以支持双向数据传输或单向数据传输。
- CSI-2协议只需要单向数据传输。
- 电阻用于连接、隔离、端接和电平设置,以构建(高低速电平)兼容的D-PHY。
- 这种无源电阻网络针对英特尔低成本FPGA的MIPI D-PHY兼容解决方案的实现只支持单向数据传输。
- 电阻网络要靠近FPGA端,以减少分支效应。
- 无源电阻网络的配置可查阅AN754 MIPI D-PHY Solution with PassiveResistor Networks in Intel Low-Cost FPGAs.pdf
MIPI CSI-2 TX D-PHY:
MIPI CSI-2 RX D-PHY:
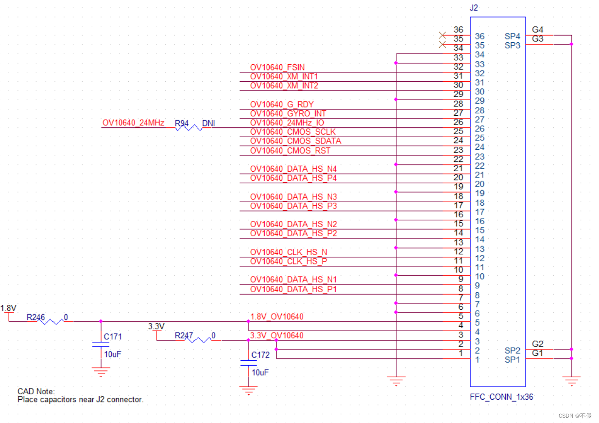
3.设备端
结束语
- 以上就是高速电路MIPI原理图概述的内容。
- 推荐牛客网刷题(点击可以跳转)的硬件刷题板块。

相关内容及图片为《电巢》课程的学习记录,侵删。
最后
以上就是甜美大门最近收集整理的关于【高速PCB电路设计】3.高速电路MIPI原理图概述0.前言一.MIPI简介二.电路详解结束语的全部内容,更多相关【高速PCB电路设计】3内容请搜索靠谱客的其他文章。
本图文内容来源于网友提供,作为学习参考使用,或来自网络收集整理,版权属于原作者所有。












发表评论 取消回复