资料来源于《你好,放大器》 ,需要该文档的可以留下邮箱。
选择放大器的原则
要实现某个要求确定的放大电路,到底该选择晶体管、运放还是功能放大器呢?为了 陈述方便,我们先定义晶体管放大器为最低级,功能放大器为最高级。
任何一个运算放大器或者功能放大器,内部都以若干个晶体管为主组成,所以,要实 现某个放大电路,如果高级放大器能够实现,那么低级放大器也一定能够实现。
比如一个仪表放大器,用三个独立的运放加一些电阻就可以实现,虽然性能可能会差 点。如果你愿意,用好多个晶体管也可以自己搭出来,毕竟那些运放内部就是一堆晶体管 的集合。
但是,反过来是不成立的。用一些晶体管实现的某个放大电路,你可能找不到合适的 运放,或者合适的功能放大器来替换它们。
因此,实现同样的某个放大功能,用户可能面临多种选择。
选择放大器有以下原则可以遵循:
1) 没有一成不变的原则,所有选择都是因事而异、因时而异的。
2) 一般情况下,多数人选择的,或者大的芯片生产商提供的选择,是正确的。请初 学者特别注意,收集各大芯片生产商的应用手册、实验室电路,以及数据手册中 给出的应用实例,对迅速开展设计,是非常有效的。
3) 一般情况下,如果能够采用合适的高级放大器,就不要选用低级放大器。
4) 不要迷信。有人以全分立为荣——用晶体管实现超级复杂的电路,以彰显自己的 水平高;有人抨击分立元器件,以使用最新出品的高级功能放大器为荣,似乎自 己见识渊博。这些都不好。心态平和的,该用什么就用什么,是最为合适的。

全差分运放
它有差分输入脚 IN+和 IN-,差分输出脚 OUT+和 OUT-,除此之外还有一个输入脚,称之 为 VOCM。如图 1-3 所示,它们之间的关系如下:

式(1-4)很容易理解,与标准运放的差别仅在于全差分运放的输出也是差分的。即差分 输出值等于差分输入值乘以一个很大的开环增益????uo。
式(1-5)是一个新概念,当你在 VOCM端接入一个电压,那么差分输出的两个端子的共 模电压(即两个差分输出信号的平均值)将等于你输入的 VOCM。这可以理解为,两个差分 输出端子,将围绕着输入的 VOCM 波动。这个功能将常用于输出电平的移位。
利用与标准放大器中式(1-1)到式(1-3)完全相同的分析方法,可以准确求解出输 出。但为了避免大家早早地厌烦,我们先休息一下,第 3 章会帮大家分析的。
为了区别这两种运放,2 入 1 出的可以称为标准运放,2 入 2 出的可以称为全差分运 放,当然,大多数人还是把标准运放直接称为运放。
至此,有了标准运放和全差分运放,结合负反馈理论,已经完全可以应对几乎所有的 放大问题。几十年来,科学家和工程师们以标准运放和全差分运放为核心,设计并实践了 成千上万种电路,任何一本书都难以把它们囊括在内。
但是,生产商为了他们的利益,当然也是为了用户的方便,又开发出了很多种功能放 大器
功能放大器
如果某个以运放为核心的放大电路,非常常用,生产厂家就会考虑把这个放大电路 (包括运放和外围电阻)进一步集成,提供给用户。这就是功能放大器。
比如我们要设计一个放大电路,实现 Uo=Ui1- Ui2。使用运放可以给出图 1-4(a)所示的 电路。但是,在实现过程中,用户可能遇到 4 个电阻不好匹配的问题,而这个电路又是很 常见的,于是集成电路生产商(比如 ADI 公司)就把这个电路集成在一个叫做 AD8276 的 集成电路中,这就是一种功能放大器,被称为差动放大器——Difference Amplifier。
当然,这一种放大器内部的电阻有像 AD8276 一样的,是 1:1 的,也有 1:10,1:5,1:2 的,型号也就不同。这取决于哪种电阻匹配是较为常见的。
这就是所有功能放大器诞生的基础:功能很常见,用户自己做没有厂家做得好。

功能放大器种类很多,常见的有以下几种:
仪表放大器
高阻差分输入,输出有单端的,也有差分的,增益一般可以用一个外部电阻,由用户 选择设定。常用于仪器仪表的最前端,和传感器直接接触。
仪表放大器内部通常具有 2 个或者更多的运放,最典型的是 3 运放结构。其它的还有 2 运放结构、电流镜结构、飞电容结构等。
仪表放大器具有极高的共模抑制比——对信号的差值极为敏感而对共模量不敏感,还 有极高的输入阻抗。但是它的输入管脚有工作限制:第一不得悬空,第二不能承载太高的 电压。

图 1-5 左边是 ADI 公司生产的 AD8221 管脚图,可以看出它有两个输入端-IN 和+IN, 一个输出端 VOUT,2 脚和 3 脚之间需要用户连接一个电阻,以决定仪表放大器的电压增 益。图 1-5 右边电路中给出了 AD627 的电压增益公式,电阻 RG越小,增益越大。
图 1-5 右边电路中,电阻桥组成的传感器感知被测信息,产生 VDIFF,以电压差的形式 反映被测信息,AD627 的两个输入端有极高的输入阻抗,几乎不会从传感器侧取用电流, 因此传感器输出阻抗的变化不会带来额外的影响,保证 VOUT=VREF+GVDIFF。
差动放大器
由一个运放和若干个激光校准电阻对集成在一起的电路,而其中的电阻值选择均以容 易形成差动放大器为目的。
多数如 AD8276 一般,包含 4 个激光校准的电阻,也有 5 电阻、6 电阻甚至更多电阻 的,主要用于信号减法(比如电流检出) 、精确增益、信号的差分转单端、电平移位等。
生产厂家提供各式各样的差动放大器,主要目的是给用户提供高质量运放和激光校准 电阻对的组合。用户更看重的是那几个精密匹配的电阻。
以图 1-6 所示的 AD8270 为例,可以看出它内部由两个独立的差动放大器组成,每个 差动放大器都有 7 个电阻,用户可以在芯片外部对它们进行合适的连接,以实现不同的功 能。图 1-6 仅是一种连接方式,作为一个 AD 转换器 AD7688 的前级驱动电路。
除此之外,如果你想实现一个单纯的减法电路 U15=U+IN-U-IN,可以把 1 脚、5 脚、6 脚 悬空。要实现 U15=0.5(U+IN-U-IN),可以把 4、5、6 脚都接地,1 脚和 15 脚接到一起。要实 现 U15=2(U+IN-U-IN),可以把 1 脚和 2 脚接在一起,3 脚 4 脚接在一起,5、6 脚接地。
此时你应该明白,AD8270 外围的 7 个电阻为什么选择这样的阻值了吧——众多的排 列组合,可以实现多种功能。

程控增益放大器
放大器的增益可以由用户通过数字信号设定,或者说可以用处理器程序实施设定,因 此叫 Programmable,可程控,或者叫 Digital Controlled Variable Gain Amplifier。通常缩写 为 PGA 或者 DVGA。
程控增益放大器的增益设定,有多个管脚配合设定 2 进制增益的,也有通过数字通信 接口给放大器写入命令的。
主要用于被测信号幅度变化较大且不可事先预知的情况:程控增益放大器的输出经过 ADC 进入处理器中,处理器分析所得数据,如果发现信号变化范围太小,可以发出指令, 用程序增大 PGA 的增益,如果信号变化范围过大,可以用程序实现增益的缩减,最终使得 放大器处于随时可调的最佳增益状态。
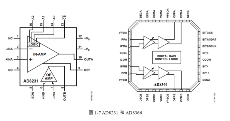
ADI 公司生产的程控增益放大器主要分为两类:低频段的精确增益型,以及高频段 的。图 1-7 是低频段的 AD8231 和高频段的 AD8366。
低频段追求精确增益以及其他优秀的直流性能,AD8231 靠三根线实现 8 种增益 1 倍、2 倍、……128 倍,15μV 失调电压,G=1 时仅有 0.08%的增益误差。但是它的带宽只 有 2.7MHz。
AD8366 的-3dB 带宽可以达到 600MHz,平坦区可达 100MHz 以上。但是它的增益准 确度只有±0.25dB,约为 0.97~1.03,±3%的误差。 AD8366 的增益控制很灵活,可以单独控制 2 路中的一路,也可以同步控制;可以并 行控制,也可以用 SPI 实施串行控制。
AD8231 内部是一个可以改变增益的仪表放大器,因此它既是程控增益放大器,又是 仪表放大器。

压控增益放大器
放大器的增益由外部施加的电压 VG连续控制。ADI 公司称之为 Variable Gain Amplifier, VGA。有 dB 线性和 V/V 线性两种。有的是正控制——VG越大,增益越大;有 的是负控制——VG越大,增益越小。
用途很广泛。其中一个主要应用是自动增益控制 AGC。有些芯片为此还内嵌了输出有 效值检测环节,以直流电压表征输出幅度,此电压如果回送到负控制的压控增益放大器的 VG脚,可以方便实现 AGC 功能——输入幅度大范围改变时,输出幅度几乎不变。录音笔 中一般都具备这种功能:距离说话者远也罢、近也罢,录下的声音大小几乎是一致的。
dB 线性:以 dB 为单位的放大器增益,与控制电压 VG成线性关系。即每相同的控制 电压增量,获得相同的以 dB 为单位的增益改变。此类用途更广,芯片种类也多。
V/V 线性:电压增益(倍数,即 V/V),与控制电压 VG成线性关系。即每相同的控制 电压增量,获得相同的增益倍数改变。
AD602 是一款应用较为广泛的独立双通道压控增益放大器。每个通道由压控衰减环 节、固定增益环节级联组成,差分输入的 C1HI 和 C1LO 作为控制电压 VG,可实现10dB~30dB 的 dB 线性,DC~35MHz 的压控增益放大。
AD8367 功能更为强大,500MHz 内实现-2.5dB~42.5dB 的 dB 线性压控放大,且正、 负控制靠 MODE 脚设定,内嵌输出有效值检测。

隔离放大器
实现放大器输入信号与输出信号之间的电气隔离。实现方法有三类:变压器型、光电 耦合器型、电容型。ADI 的产品主要是变压器型。
如图所示是 AD202,一款我念书时就存在并持续发售的隔离放大器。左边是信号输入 区域,右边是输出区域,两个区域是完全隔离的,仅能通过上部的信号变压器、下部的电 源变压器实现信号和能量的传递。两区域之间的隔离电压可以高达 2000V。
信号通路为:左侧有一个独立的运放(图中左上角),以及随后的调制环节,把低频信 号变成 25kHz 的调制信号,通过隔离变压器传递到右侧,随后解调输出。
为了实现隔离,还需要给信号输入侧提供单独的隔离电源。AD202 图中下部是能量传 递,由右侧给左侧提供电力。这为用户提供了方便。但是,这种电源即图中的±7.5V,一般 仅能提供微弱的电力。
需要特别注意的是,隔离放大器只能放大低频信号,像 AD202 只有 2kHz 的带宽。

最后
以上就是糊涂白开水最近收集整理的关于放大器介绍的全部内容,更多相关放大器介绍内容请搜索靠谱客的其他文章。
发表评论 取消回复