题目: 设计一个灯光控制逻辑电路. 要求红、绿、黄三种颜色的灯在时钟信号的作用下按表P6.30规定的顺序转换状态. 表中的1表示"亮", 0表示"灭". 要求电路能自启动, 并尽可能采用中规模集成电路芯片.

分析:
从表P6.30中可以看出, 电路共需要8个有效状态, 每个有效状态均对应一种红、黄、绿灯的亮灭次序.
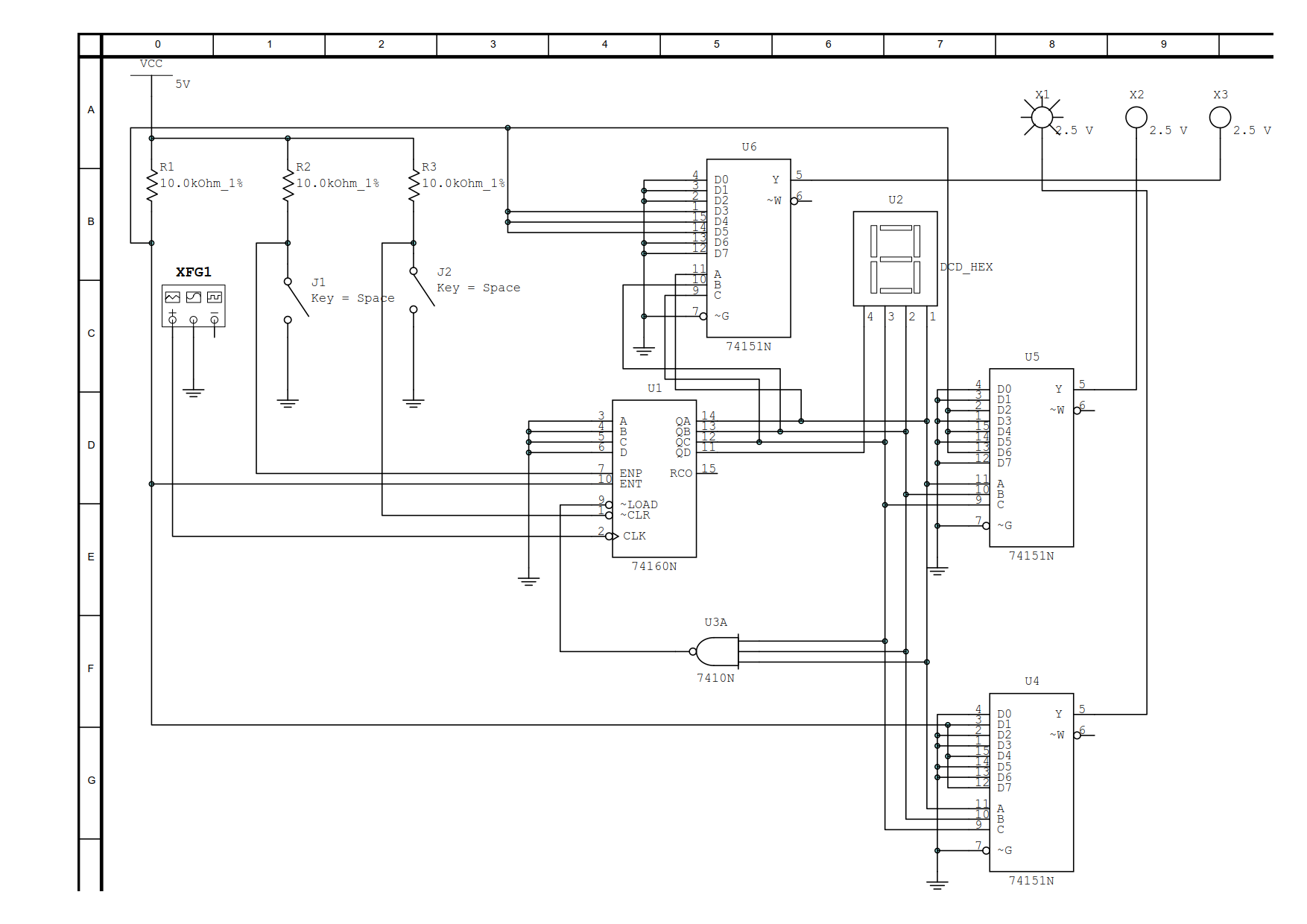
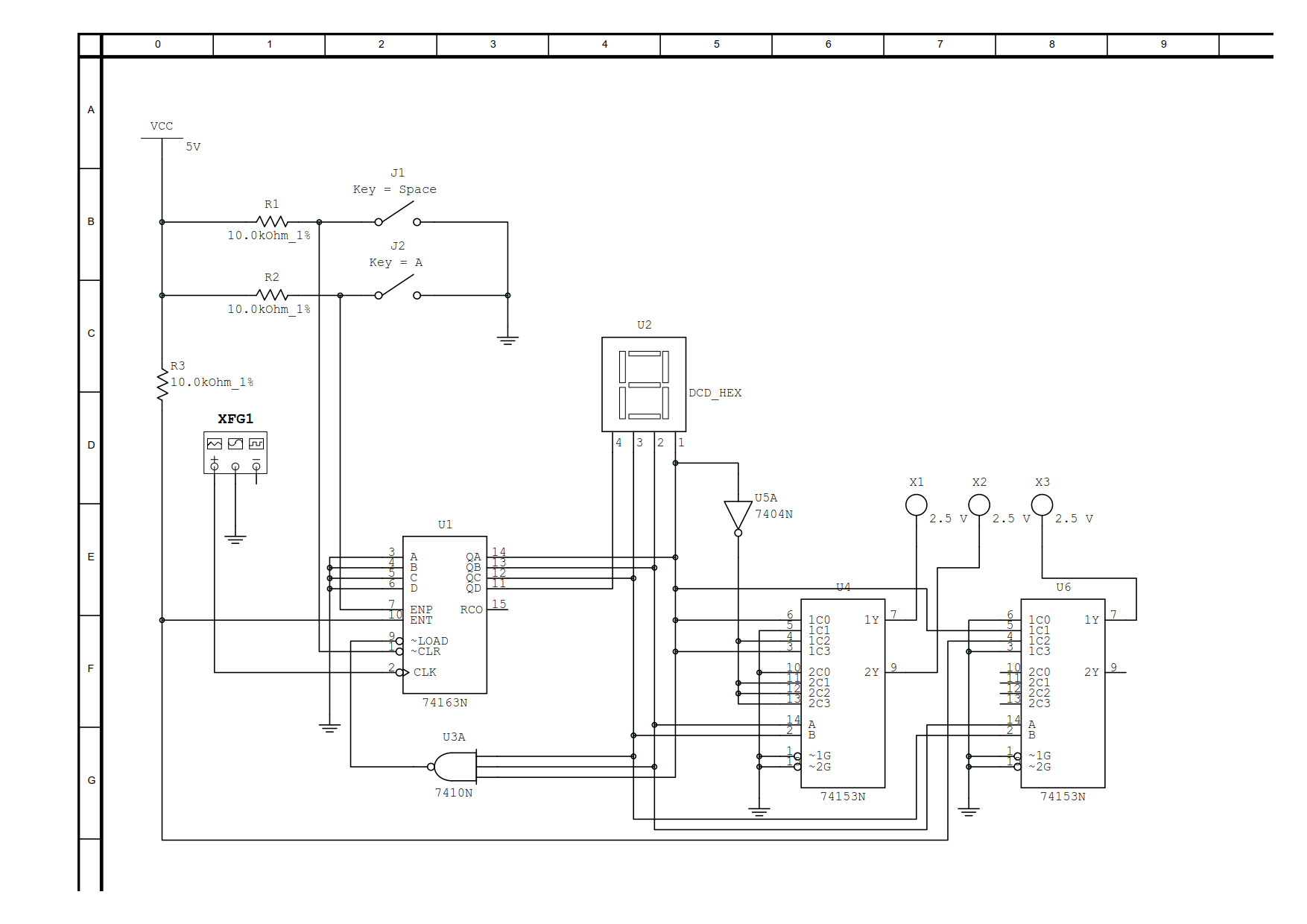
说到8个有效状态, 我们不免想到用8进制计数器来解决问题: 由于题目中说到"尽可能采用中规模集成电路芯片", 那么就不要再用触发器来进行设计了, 而是选用74160之类的中规模集成电路芯片来解决问题. 对于8个有效状态, 我们可以用同步置数法将74160接成同步8进制加法计数器(接成同步8进制计数器也可以), 之后绘制出下面的状态表.

如果用多个逻辑门来实现R、Y、G的表达式, 那么无疑是较耗费时间的: 这里直接用3片74151(8选1数据选择器)或2片74153(双4选1数据选择器)来实现这三个逻辑函数. 当然, 如果不考虑实际成本, 直接用3片74151实现是最简单的, 但考虑到实际设计成本, 还是应该选择使用芯片数量最少的设计方案(2片双4选1数据选择器74153). 读者若对此处的描述有些许疑惑, 应回过头去研究"使用8选1数据选择器实现3或4变量逻辑函数"和"使用4选1数据选择器实现2或3变量逻辑函数"这两部分内容.
电路逻辑图(74160+3片74151):

电路逻辑图(74163+2片74153):

本题使用中规模集成电路芯片与使用触发器和逻辑门设计电路的对比:
①使用中规模集成电路芯片(74160/74163)可采用同步置数法直接将其接成我们需要的同步8进制加法计数器. 而使用触发器和逻辑门的话, 要经历绘制状态表-> 绘制状态激励表 ->求状态激励方程 -> 根据状态激励方程接线共4步.
②使用中规模集成电路芯片(74151/74153)可直接(特别是74151)根据真值表将三个逻辑函数实现. 而使用逻辑门的话, 需先将三个逻辑函数化简, 再根据每个逻辑函数的逻辑表达式进行接线: 这样做出现错误的几率较大.
③使用中规模集成电路芯片(74160/74163/74151/74153)设计的电路, 可在一定程度上避免"竞争与冒险"的发生.
最后
以上就是潇洒季节最近收集整理的关于设计一个灯光控制逻辑电路. 要求红、绿、黄三种颜色的灯在时钟信号的作用下按表P6.30规定的顺序转换状态的全部内容,更多相关设计一个灯光控制逻辑电路.内容请搜索靠谱客的其他文章。
发表评论 取消回复