存储Bit的组合逻辑门
RS触发器
这是一个可以随机存储一个Bit数据的组合逻辑门
每次上上电会随机输出一位Bit


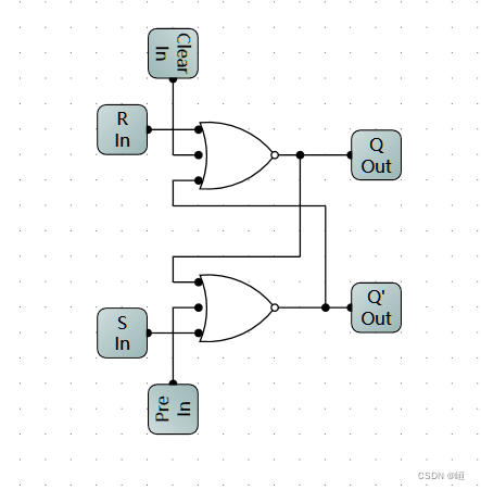
这是一个可以把 Q输出 清零和置一 的组合逻辑电路
他由俩个三输入的或非门组成,当Clear为1时, 或非门的结果则为0,Q的值则为0
以达到把Q输出清零的目的
Pre为1时,Q‘为0,Q输出则为1,达到置1的效果

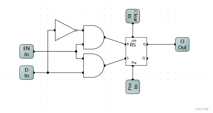
这是一个D触发器,可以任意的写入Bit,当EN为1时 D为0则O为0,D为1则O为1
当EN为0时 则不可以写入Bit,

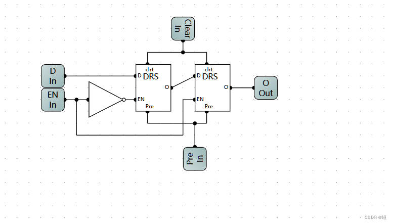
这是一个边沿触发器,当D有数据时,EN需要一个上升沿来写入数据,如果EN没有上升沿则无法写入数据,
避免了数据写入错误的可能
最后
以上就是正直夕阳最近收集整理的关于上电存储Bit的组合逻辑门的全部内容,更多相关上电存储Bit内容请搜索靠谱客的其他文章。
本图文内容来源于网友提供,作为学习参考使用,或来自网络收集整理,版权属于原作者所有。
发表评论 取消回复