我是靠谱客的博主 合适羽毛,这篇文章主要介绍质子交换膜燃料电池(PEMFC) Simulink模型 包括静态模型和动态模型(两个独立模型 可计算输出电压、输出功率、效率,现在分享给大家,希望可以做个参考。
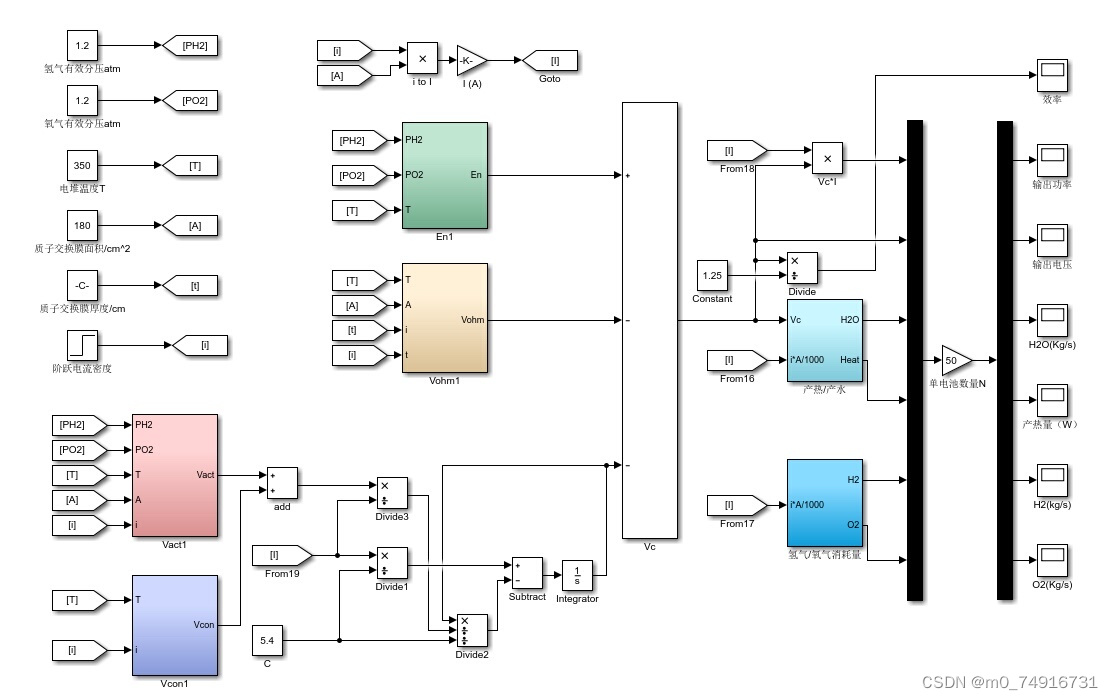
质子交换膜燃料电池(PEMFC) Simulink模型
包括静态模型和动态模型(两个独立模型
可计算输出电压、输出功率、效率、产热量、产水量、氢氧消耗速率等
附带参考公式、参考文献

ID:5114675968585370
realwjw

最后
以上就是合适羽毛最近收集整理的关于质子交换膜燃料电池(PEMFC) Simulink模型 包括静态模型和动态模型(两个独立模型 可计算输出电压、输出功率、效率的全部内容,更多相关质子交换膜燃料电池(PEMFC)内容请搜索靠谱客的其他文章。
本图文内容来源于网友提供,作为学习参考使用,或来自网络收集整理,版权属于原作者所有。
发表评论 取消回复