一、实验目的
1.掌握组合逻辑电路的设计与测试方法
2.掌握中规模集成译码器的逻辑功能和使用方法
3.掌握触发器的应用
二、实验的设备与器件
(1.+5V直流电源
2.连续脉冲源
3.单次脉冲源
4.逻辑电平开关
5.逻辑电平显示器
6.拨码开关组
7.译码显示器
8.集成芯片:
9.CC4011x2(74LS00),CC4012x3(174LS20),74LS138x2,CC5411,74LS48,74LS112(或CC4027),
CC4081
三、实验内容
1、用与非门设计3输入的多数表决器,要求按文本所述的设计步骤进行,直达测试电路逻辑功能符合设计要求为止。
2、在Logisim软件中用3线8线译码器设计一个判断输入三位二进制数是否大于等于4的电路。
3、根据如下时序逻辑电路,分析其功能并在实验箱上用芯片验证结果。
四、实验过程与结果
1、多数表决器的设计
(1) 画出真值表;
输 入 输 出
A B C F
0 0 0 0
1 0 0 0
0 1 0 0
0 0 1 0
1 1 0 1
1 0 1 1
0 1 1 1
1 1 1 1
(2) 根据真值表写出函数输出表达式并化简:
F=AB+AC+BC
(3) 画出电路图;

(4) 在实验箱上测试电路的正确性,并记录测试数据和结果。



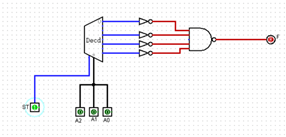
2、在Logisim软件中用3线8线译码器设计一个判断输入三位二进制数是否大于等于4的电路
(1) 列出真值表;
输 入 输 出
(ST) ̅ A2 A1 A0 F
1 0 0 0 0
1 0 0 1 0
1 0 1 0 0
1 0 1 1 0
1 1 0 0 1
1 1 0 1 1
1 1 1 0 1
1 1 1 1 1
(2) 列出输出函数表达式;

(3) 画出电路图;

(4) 在Logisim中测试该电路的正确性,并记录测试数据和结果。
五、实验心得
1.初步了解到了Logisim这款软件的使用方法,我现在能够用它来绘制一些简单的电路图,这是我对着教程一点点学习得来的。
2. Logisim的功能其实是挺多的,可以用来测试电路,也可以根据真值表来生成电路,这可以省去绘制电路图的时间。
3.第一次接触到实验室的电路箱,都是插孔,看上去很复杂,其中还有很多个芯片,实验用到的芯片只是其中两个,不知道其他的芯片具体是什么功能,以后应该还会接触到的吧。
4.老师在实验室给的提示很晦涩,很难懂,大部分时间都是同学们在相互讨论,然后对照着老师给的实验图来执行。
最后
以上就是务实小霸王最近收集整理的关于计算机系统基础实验:数字电路实验的全部内容,更多相关计算机系统基础实验内容请搜索靠谱客的其他文章。
发表评论 取消回复