要实现一个32位的加减器,加减由变量sub来决定,sub为0时,实现add,否则,实现sub。
输入输出变量有:
input [31:0] a,
input [31:0] b,
input sub,
input cin,
output cout,
output [31:0] out;
要实现相加,则a和b相加;要实现相减,则a加上-b的补码。
相减,在数字电路中,可以用加法器实现,也即a加上-b的补码,-b的补码等于b取反加1;
具体实现方法参考:addsub

具体的Verilog实现为:
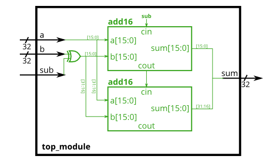
module top_module(
input [31:0] a,
input [31:0] b,
input sub,
output [31:0] result
);
wire [31:0] sub1, sub2;
wire [31:0] b1;
//assign sub1 = 32'b0;
//assign sub2 = 32'b1;
//assign b1 = sub ? b^sub2 : b^sub1;
assign b1 = sub ? ( b^( {32{sub}} ) ) : ( b^( {32{sub}} ) );
wire [15:0] sum1, sum2;
wire cout1;
add16 inst1(
.cin(sub),
.a(a[15:0]),
.b(b1[15:0]),
.cout(cout1),
.sum(sum1)
);
add16 inst2(
.cin(cout1),
.a(a[31:16]),
.b(b1[31:16]),
.cout(),
.sum(sum2)
);
assign result = {sum2, sum1};
endmodule
其中16位的数据加法为:
module add16(
input [15:0] a,
input [15:0] b,
input cin,
output cout,
output [15:0] sum
);
assign {cout, sum} = a + b + cin;
endmodule
当然,可以采用先进进位加法器,怎么实现可以参考:https://blog.csdn.net/Reborn_Lee/article/details/99634895
仿真结果为:

最后
以上就是娇气豆芽最近收集整理的关于【 FPGA/IC 】addsub 的实现的全部内容,更多相关【内容请搜索靠谱客的其他文章。
本图文内容来源于网友提供,作为学习参考使用,或来自网络收集整理,版权属于原作者所有。
发表评论 取消回复