前段时间在737CL工作时遇到收放襟翼出现剪刀差的情况,尽管后来确定是电子舱的测试电门被误触,搞了乌龙,却让我对襟翼的偏斜和不对称探测系统产生了兴趣。恰好最近参与了737NG的襟翼倾斜和不对称系统的操作测试工作,所以简单总结一下工作原理。
02正文737NG的襟翼偏斜和不对称系统主要由以下部分组成:
襟翼偏斜传感器(flap skew sensor)
襟翼位置传感器(flap position transmitter)
FSEU(flap/slat electronics unit 襟缝翼电子组件)
襟翼位置指示器(flap position indicator)
襟翼不对称探测原理
襟翼的不对称指的是两侧后缘襟翼之间的收放不对称。

手册中关于不对称和偏斜的示意图
这种不对称的探测手段使用两个分别装在1和8号襟翼驱动组件(flap drive system)上(即1和8号船型整流罩内)的襟翼位置传感器和电子舱E1-1架位的FSEU来探测襟翼的不对称情况。前者提供襟翼位置信息,后者接收并处理信息,并将其结果反馈到驾驶舱P2面板的襟翼位置指示器上。

图为襟翼位置传感器
通过AIPC和 SDS的文字描述可以得知,襟翼位置传感器实质为三相同步径向可变差动器。进一步查询CMM得知,这个传感器内部为无刷式三相同步器,传感器一头通过一根输入轴机械连接襟翼驱动组件来探测襟翼的实际位置,另一头通过导线将三相同步信号传输到FSEU,FSEU通过探测两个襟翼位置传感器之间的同步信号差值来判断襟翼是否出现不对称情况。
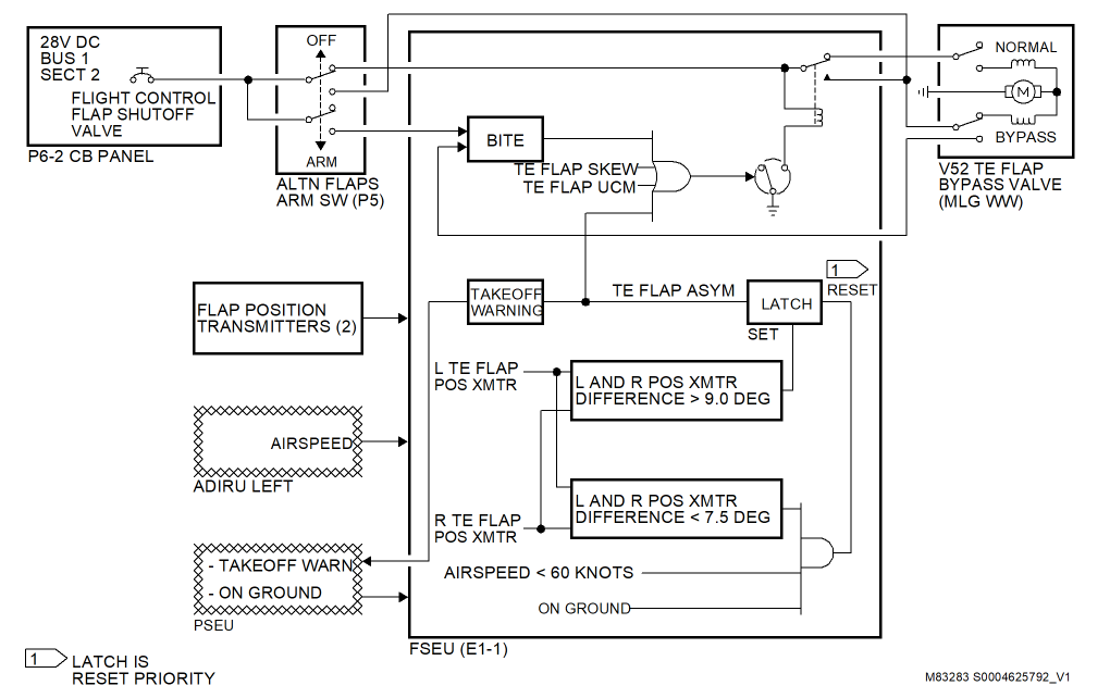
正常情况下,襟翼全收上(0个单位)时襟翼位置传感器的角度为0°,襟翼全放下时(40个单位)襟翼位置传感器的角度为270°。当两个襟翼位置传感器之间的角度差大于9度,则判定处于襟翼不对称状态。此状态下FSEU会发送电信号给后缘襟翼旁通活门(TE FLAP BYPASS VALVE)将正常收放襟翼的液压动力切断。两边襟翼的不对称程度可以直接从襟翼位置指示器两个指针相差的角度大小反映出来。

图为襟翼不对称控制逻辑
退出襟翼不对称状态要满足三个条件:
两边襟翼位置传感器的角度差小于7.5度(不是襟翼位置指示器上的角度)
飞机在地面
空速低于60节
襟翼偏斜原理
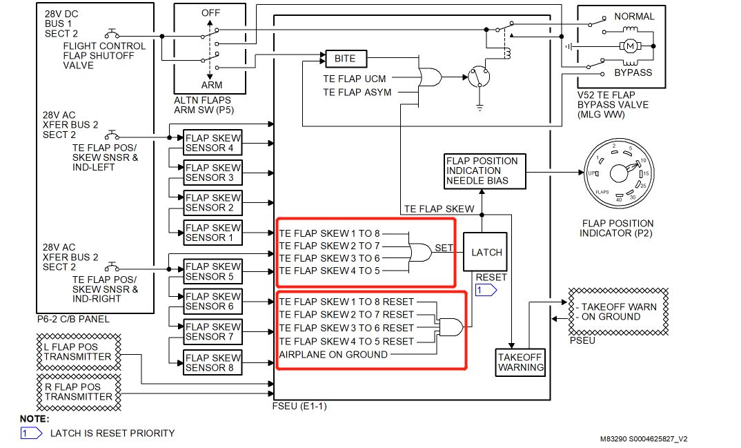
襟翼偏斜探测的是内外侧后缘襟翼的偏斜情况(默认你们清楚后缘襟翼有内外侧后缘襟翼之分),通过8个分别安装在1至8号襟翼驱动组件(FLAP DRIVE MECHANISM)上的偏斜传感器向FSEU传递同步角度信号,FSEU获取角度信号进行计算,然后判断襟翼是否处于偏斜状态。

这是襟翼驱动组件的侧视图,你能不能找到FLAP SKEW SENSOR?
襟翼偏斜传感器的工作原理和襟翼位置传感器一样,也是一头机械连接襟翼驱动组件使之跟随襟翼作动,另一头通过导线将三相同步模拟信号传输到FSEU进行偏斜探测。
SDS手册给出了正常情况下8个偏斜传感器在襟翼放下1单位和40单位时的解析角度, 1至4号传感器随着襟翼放下单位增大而增大,另外4个则随着襟翼放下单位增大而减小。

从手册中还可以得知FSEU是通过两两襟翼偏斜传感器相互比对,通过对这四组偏斜传感器之间的角度差来判断襟翼是否处于偏斜状态的。当任意一组传感器之间的差值大于限定值时,FSEU判定襟翼进入偏斜状态,此时FSEU会发送电信号给后缘襟翼旁通活门切断正常收放襟翼的液压动力,同时调用襟翼位置传感器的信号,结合偏斜传感器的信号判断偏斜的襟翼是哪一侧,发生在收上还是放下阶段,以及对偏斜那侧襟翼对应的襟翼指针会如何偏转,这个过程在手册上有如下描述:

退出偏斜状态则需要飞机在地面,且四组偏斜传感器的角度差都小于13度。这个结论手册没有给得这么详细,但是从逻辑图中可以看得出来

襟翼偏斜控制逻辑图,可以看到SET LATCH是或门,RESET是与门
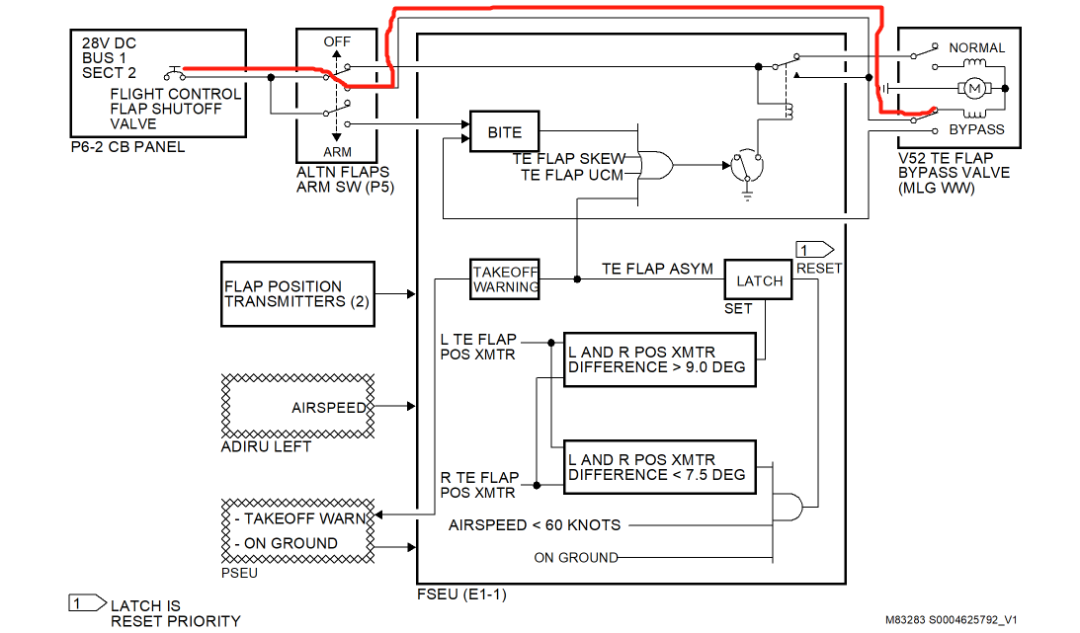
以上说的所有东西,都建立在正常使用液压收放襟翼才会出现。在使用备用方式收放襟翼的时候,这两个功能都无法使用。因为使用备用方式收放襟翼的时候有单独的控制回路接通B系统的EMDP和HYDRAULIC BYPASS VALVE,此时控制旁通活门的指令不会通过FSEU。看回襟翼不对称逻辑的那张图你就明白了。

在写这篇总结的过程中我又有一个问题:
假如襟翼偏斜和不对称同时发生,襟翼位置指示器上的指针是如何指示的呢?
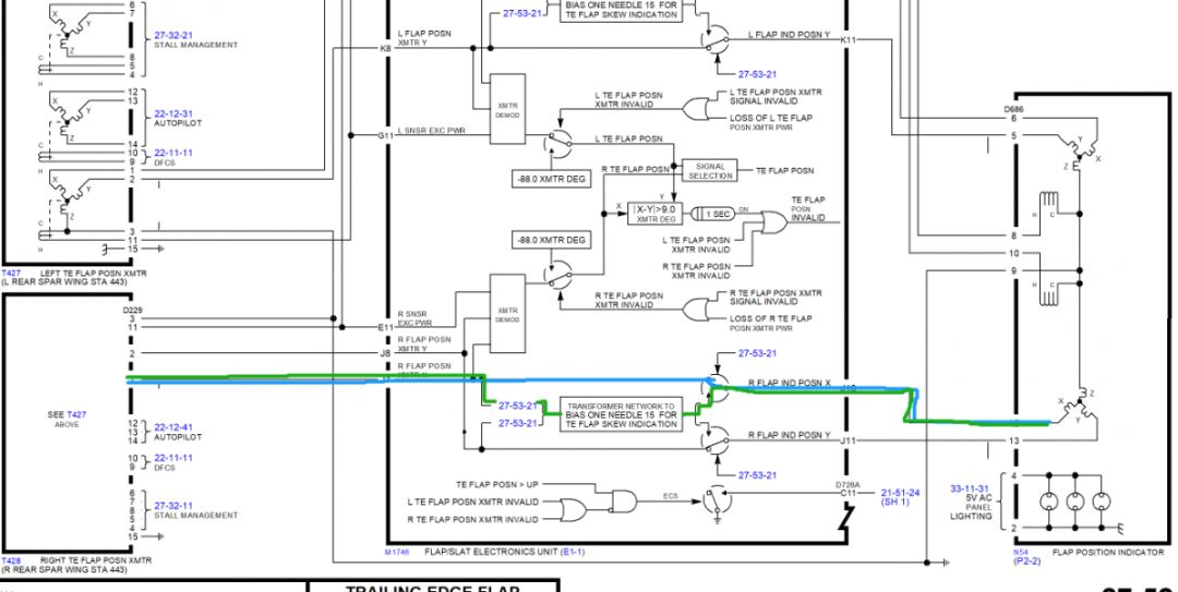
自问自答:因为襟翼位置指示器由FSEU内部电路控制的,襟翼不对称时FSEU并没有额外给襟翼位置指示器一个偏转信号,所以襟翼位置指示器的信号和正常情况下一样:襟翼传感器的实际角度多少,指针就偏转多少。而当襟翼偏斜的时候,FSEU会根据偏斜的那侧襟翼发送对应侧的偏转信号给襟翼位置指示器,反映到到SSM中就是:襟翼位置传感器的源输入信号到FSEU中会被FSEU的偏置电路转换成当先符合偏斜状态下的处理输出信号,襟翼位置指示器会优先显示偏斜状态的15度剪刀差,襟翼不对称的差值不会在偏斜15度的基础上叠加。只有当FSEU退出偏斜状态时才能观察到襟翼不对称的差值。

图中蓝线为正常控制路线,绿线为襟翼偏斜时的控制路线
把后缘襟翼这一部分的手册看过之后,明显感觉CL和NG两代机型之间的细节差异还是蛮大的。像NG,就几乎不可能发生误触电子舱里机械电门的情况(因为几乎就没有)
最后
以上就是默默朋友最近收集整理的关于组件kdsvrmgr无法正常工作_工作中学习 | 737NG襟翼倾斜和不对称系统工作原理的全部内容,更多相关组件kdsvrmgr无法正常工作_工作中学习内容请搜索靠谱客的其他文章。
发表评论 取消回复