工作原理:
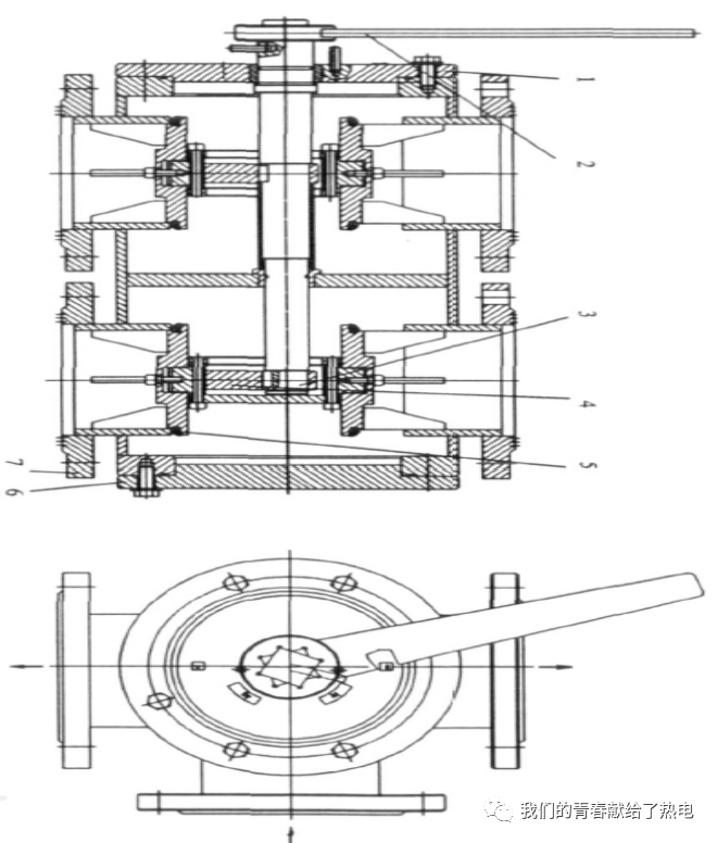
六通换向阀主要由阀体、密封组件、凸轮、阀杆、手柄和阀盖等零部件组成(下图) 。阀门由手柄驱动,通过手柄带动阀杆与凸轮旋转,凸轮具有定位驱动与锁定密封组件的开启与关闭功能。手柄逆时针旋转,两组密封组件分别在凸轮的作用下关闭下端的两个通道,上端的两个通道分别与管道装置的进口相通。反之,上端的两个通道关闭,下端两个通道与管道装置的进口相通,实现了不停车换向。

1上阀盖 2手柄 3阀杆 4凸轮 5密封组件 6阀盖 7阀体
存在问题: 现阶段润滑油西侧冷油器运行,东侧冷油器无法切换。 现象描述: 1#机组大修期间更换润滑油冷油器六通阀后,于7月21日注油试运,在试运期间发现1#、2#冷油器均有过油现象。按当时显示是东侧冷油器运行,西侧冷油器备用,就地查看时发现,运行指示触头未与限位接触到,还差1cm左右的距离,怀疑切换阀未切换到位,运行侧未全开到位,备用侧未全关到位。就地再次旋转切换手柄却未转动且阻力较大,后将交流润滑油泵停运进行转动也无效果。相关技术人员怀疑六通阀内部有卡涩或质量问题,最终将冷油器切换到西侧冷油器运行,运行指示触头与限位接触正常。启动交流润滑油泵运行,4小时候后,东侧冷油器本体温度降至常温,西侧冷油器运行正常,确定切换阀切至西侧冷油器运行时正常。 造成的隐患: 1、西侧冷油器内漏时,无法有效隔离,不能在线处理,造成非停检修。 2、若用东侧冷油器时,油质污染时也会造成西侧冷油器油质受损。 需要采取的措施: 1、润滑油系统停运后及时对六通阀进行拆检。 2、运行期间加强对润滑系统油压,油箱油位的监视工作。 3、严密监视循环水质,及时观察循化水池水色,出现水色泛黄现象及时上报技术人员。最后
以上就是烂漫诺言最近收集整理的关于组件kdsvrmgr无法正常工作_汽轮机润滑油冷油器六通阀的工作原理及现阶段存在的问题...的全部内容,更多相关组件kdsvrmgr无法正常工作_汽轮机润滑油冷油器六通阀内容请搜索靠谱客的其他文章。
本图文内容来源于网友提供,作为学习参考使用,或来自网络收集整理,版权属于原作者所有。
发表评论 取消回复