我是靠谱客的博主 醉熏小猫咪,这篇文章主要介绍王道计算机网络考研复习指导知识点总结一、概述二、物理层三、数据链路层四、网络层五、传输层六、应用层,现在分享给大家,希望可以做个参考。

一、概述

  1. 计算机网络:分散的、 具有独立功能的计算机系统,通过通信设备与线路连接起来,由功能完善的软件实现资源共享信息传递的系统。

  2. 组成

    • 组成部分:硬件、软件、协议
    • 工作方式
      • 边缘部分: 由所有连接到因特网上、供用户直接使用的主机组成
      • 核心部分: 由大量的网络和连接这些网络的路由器组成
    • 功能组成
      • 通信子网:由各种传输介质、通信设备和相应的网络协议组成
      • 资源子网:实现资源共享功能的设备及其软件的集合
  3. 功能:数据通信资源共享、分布式处理、提高可靠性、负载均衡

  4. 分类

    • 分布范围:广域网、城域网、局域网、个人区域网
    • 传输技术:广播式网络、点对点网络
    • 拓扑结构:总线形网络、星形网络、环形网络、网状网络
    • 使用者:公用网、专用网
    • 交换技术:电路交换网络、报文交换网络、分组交换网络
    • 传输介质:有线网络无线网络
  5. 性能指标

    • 带宽:“最高数据传输速率”,单位是比特/秒( b / s b/s b/s)。

    • 时延:数据从网络的一端传送到另一端所需要的总时间
      总时延 = 发送时延 + 传播时延 + 处理时延 + 排队时延 color{purple}总时延= color{green}{发送时延+传播时延+处理时延+排队时延} 总时延=发送时延+传播时延+处理时延+排队时延

    • 发送时延(传输时延):结点将分组的所有比特推向链路所需的时间
      传输时延 = 分组长度 信道带宽 = 数据长度 带宽 {color{#E91E63}{传输时延=}} color{#9933FF}{frac{分组长度}{信道带宽}}=color{blue}{frac{数据长度}{带宽}} 传输时延=信道带宽分组长度=带宽数据长度

    • 传播时延:一个比特从链路的一端传播到另一端所需的时间。
      传播时延 = 信道长度 电磁波在信道上的传播速率 {color{#E91E63}{传播时延=}} color{#9933FF}{frac{信道长度}{电磁波在信道上的传播速率}} 传播时延=电磁波在信道上的传播速率信道长度

    • 时延带宽积:指发送端发送的第一个比特即将到达终点时,发送端已经发出了多少个比特。

      时延带宽积 = 传播时延 × 信道带宽 {color{#E91E63}{时延带宽积=}} color{#9933FF}{传播时延times 信道带宽} 时延带宽积=传播时延×信道带宽

    • 往返时延( R o u n d − T r i p Round-Trip RoundTrip T i m e Time Time R T T RTT RTT):从发送瑞发送数据开始,到发送端收到来自接收端的确认(接收端收到数据后立即发送确认),总共经历的时延。

      往返时延 = 传播时延 × 2 {color{#E91E63}{往返时延=}} color{#9933FF}{传播时延times 2} 往返时延=传播时延×2

    • 信道利用率:指出某一 信道有百分之多少的时间是有数据通过的。
      信道利用率 = 有数据通过时间 ( 有 + 无 ) 数据通过时间 = 有数据通过时间 总时间 {color{#E91E63}{信道利用率=}} color{#9933FF}{frac{有数据通过时间}{(有+无)数据通过时间}=}color{blue}{frac{有数据通过时间}{总时间}} 信道利用率=(+)数据通过时间有数据通过时间=总时间有数据通过时间

  6. 体系结构:计算机网络的各层及其协议的集合

    • 分层的基本原则
      • 每层都实现一种相对独立的功能,降低大系统的复杂度。
      • 各层之间界面自然清晰,易于理解,相互交流尽可能少。
      • 各层功能的精确定义独立于具体的实现方法,可以采用最合适的技术来实现。
      • 保持下层对上层的独立性,上层单向使用下层提供的服务
      • 整个分层结构应能促进标准化工作。
  7. 协议、接口、服务

    1. 协议

      • 控制对等实体之间通信的规则

      • 协议是”水平的“

      • 协议由语法、语义和同步三部分组成。

        1. 语法规定了传输数据的格式
        2. 语义规定了所要完成的功能
        3. 同步规定了执行各种操作的条件、时序关系等,即事件实现顺序的详细说明
    2. 接口

      • 接口是同一结点内相邻两层间交换信息的连接点,是个系统内部的规定。

      • 每层只能为紧邻的层次之间定义接口,不能跨层定义接口。

    3. 服务

      • 服务是指下层为紧邻的上层提供的功能调用
      • 服务是”垂直的“,即服务是由下层通过层间接口向上层提供服务。
  8. OSI 参考模型:物理层、数据链路层、网络层、传输层、会话层、表示层、应用层。

  9. TCP/IP 4层模型:网络接口层、网际层、传输层、应用层

二、物理层

  1. 功能:透明的传输比特流

  2. 传输单位:比特(bit)

  3. 码元:一个固定时长的信号波形(数字脉冲)

  4. 模拟数据(信号):连续变化的数据

  5. 数字数据(信号):仅有几个固定的离散电平表示

  6. 调制:数据转换为模拟信号

    • 模拟数据→数字信号:采样、量化、编码

    • 模拟数据→模拟信号:多路复用

      注: f 采样频率 ≥ 2 f 信号频率 {color{Green} f_{采样频率}ge 2f_{信号频率} } f采样频率2f信号频率,采样的频率必须大于等于信号的频率的2倍

  7. 编码:数据转换为数字信号

    • 数字数据→数字信号:归零编码、非归零编码、反向非归零编码、曼彻斯特编码、差分曼彻斯特编码、4B/5B编码
    • 数字数据→模拟信号:调频(频移键控FSK)、调幅(幅移键控ASK)、调相(相移键控PSK)、正交振幅调制QAM
  8. 通信交互方式

    • 单工通信:只能单向传输数据
    • 半双工通信:双方都可以接收和发送数据,但任何一方不能同时接收、发送数据
    • 全双工通信:双方可以同时发送、接收数据
  9. 传输速率

    • 码元传输速率(波特率):单位时间内传输的码元数量,单位:Baud
    • 信息传输速率(比特率):单位时间内传输的比特数量,单位:bit/s
  10. 定理

    • 奈奎斯特定理: 极限数据传输速率 = 2 W l o g 2 V {color{Green}极限数据传输速率= 2Wlog_{2} V} 极限数据传输速率=2Wlog2V
    • 香农定理
      1. 极限数据传输速率 = W l o g 2 ( 1 + S / N ) {color{Green}极限数据传输速率= Wlog_{2} left ( 1+S/N right ) } 极限数据传输速率=Wlog2(1+S/N)
      2. d B = l o g 10 10 ( S / N ) {color{Orange}dB= log_{10}10 left ( S/N right ) } dB=log1010(S/N)
  11. 数据交换方式

    • 电路交换:数据传输前,两个结点必须建立一条专用的物理通信路径
    • 报文交换:报文携带目标地址、源地址等信息,采用存储转发的传输方式
    • 分组交换:限制数据块的上限,再加上目的地址、源地址等信息,构成分组,采用存储转发
      • 数据报(无连接)
      • 虚电路(面向连接)
  12. 传输介质:双绞线、同轴电缆、光纤、无线传输

  13. 物理特性:机械特性、电气特性、功能特性、规程特性

  14. 物理层设备:中继器、集线器(半双工)

三、数据链路层

  1. 功能

    • 为网络层提供服务(无确认无连接服务、有确认无连接服务、有确认有连接服务)
    • 差错控制
    • 流量控制
    • 链路管理
    • 组帧
  2. 单位:帧

  3. 组帧

    • 字符计数法
    • 字符填充的首位定界法
    • 零比特填充的首位标志法
    • 违规编码法
  4. 差错控制

    • 奇偶校验码
    • 循环冗余码
  5. 流量控制

    • 单帧滑动窗口与停止—等待协议

      • W 发送窗口 = 1 {color{Green} W_{发送窗口}= 1 } W发送窗口=1
      • W 接收窗口 = 1 {color{Orange} W_{接收窗口}= 1 } W接收窗口=1
    • 多帧滑动窗口与后退N帧协议(GBN)

      • 1 ≤ W 接收窗口 ≤ 2 n − 1 {color{Green}1le W_{接收窗口}le 2^{n}-1 } 1W接收窗口2n1
      • W 接收窗口 = 1 {color{Orange} W_{接收窗口}= 1 } W接收窗口=1
    • 多帧滑动窗口与选择重传协议(SR)

      • W 接收窗口 + W 发送窗口 ≤ 2 n {color{Green}W_{接收窗口}+ W_{发送窗口}le 2^{n} } W接收窗口+W发送窗口2n
      • W 最大接收窗口 = W 最大发送窗口 = 2 n − 1 {color{Orange}W_{最大接收窗口}=W_{最大发送窗口}= 2^{n-1} } W最大接收窗口=W最大发送窗口=2n1
      • W 接收窗口 ≤ 2 n − 1 {color{Purple}W_{接收窗口}le 2^{n-1} } W接收窗口2n1

      注:

      1. 信道吞吐率 = 信道利用率 × 发送速率 {color{Green}信道吞吐率= 信道利用率times发送速率} 信道吞吐率=信道利用率×发送速率
      2. 信道利用率 = 发送数据的时间 H 发送数据的时间 H + 往返时延 R T T {color{Orange}信道利用率= frac{发送数据的时间H}{发送数据的时间H+往返时延RTT} } 信道利用率=发送数据的时间H+往返时延RTT发送数据的时间H
      3. 发送数据的时间 H = 发送 L 比特 发送速率 C {color{Purple}发送数据的时间H= frac{发送L比特}{发送速率C}} 发送数据的时间H=发送速率C发送L比特
  6. 介质访问控制

    • 介质访问控制子层(MAC):决定广播信道中信道分配的协议

    • 介质控制访问控制方法

      1. 信道划分介质访问控制

        • 频分多路复用(FDM)
        • 时分多路复用(TDM)
        • 波分多路复用(WDM)
        • 码分多路复用(CDM)
      2. 随机访问介质访问控制

        • ALOHA协议(纯ALOHA、时隙ALOHA)

        • CSMA协议(1-坚持CSMA、非坚持CSMA、p-坚持CSMA)

        • CSMD/CD协议

          注:CSMD/CD协议规定了 最小帧长 = 总线传播时延 × 数据传输速率 × 2 {color{Green}最小帧长= 总线传播时延times数据传输速率times2} 最小帧长=总线传播时延×数据传输速率×2,即在使用CSMD/CD协议时,要求MAC帧最短为64B;工作在总线形网络或半双工网络环境

        • CSMD/CA协议

      3. 轮询访问介质访问控制

        • 令牌传递协议
  7. 以太网

    • 特点

      • 无连接工作方式
      • 不可靠服务(无确认)
      • 曼彻斯特编码
    • MAC地址(物理地址):MAC地址长6字节,由连字符(或冒号)分隔的12个十六进制数表示,如 02 − 60 − 8 c − e 4 − b 1 − 21 color{green}02-60-8c-e4-b1-21 02608ce4b121

    • MAC帧

      • 地址
        • 6字节(48 b i t bit bit)地址( M A C MAC MAC地址)。
      • 类型
        • 2字节,指出数据域中携带的数据应交给哪个协议实体处理。
      • 数据
        • 46-1500字节,包含高层的协议消息。由于 C S M A / C D CSMA/CD CSMA/CD 算法的限制,以太网帧最短帧为64B
      • 填充
        • 0~46字节,当帧长太短时填充帧
      • 校验码( F C S FCS FCS
        • 4字节
  8. 高速以太网:100BASE-T、吉比特以太网、10吉比特以太网

  9. 局域网

    • 对应OSI参考模型:数据链路层、物理层

    • 决定要素

      1. 拓扑结构:星形结构、环形结构、总线型结构、总线型和星形复合型结构
      2. 传输介质:双绞线、电缆、光纤
      3. 介质访问控制方式
        • 总线形局域网:CSMA/CD、令牌总线
        • 环形局域网:令牌环
  10. 广域网

    • 对应OSI参考模型:网络层、数据链路层、物理层
  11. PPP协议

    • 点对点协议
    • 面向字节
    • 只支持全双工链路
    • 不可靠(不使用序号和确认机制)
    • 只提供差错控制不提供纠错控制
    • 组成部分:链路控制协议(LCP)、网络控制协议(NCP)、一个封装IP数据报的方法
    • 填充方法:异步线路(字节填充法),同步线路(零比特填充法)
  12. HDLC协议—高级数据链路控制协议

    • 面向比特
    • 零比特插入法
    • 全双工通信
    • 数据操作方式:正常响应方式(主站操作)、异步平衡方式、异步响应方式
    • HDLC帧:信息帧、监督帧、无编号帧
  13. 冲突域:同一时间内只能有一台设备发送信息的范围

  14. 广播域:所有能接收到广播帧的设备的范围

  15. 数据链路层设备:

    • 网桥
    • 交换机
      • 交换模式:直通式交换机(只检查目的地址)、存储转发式交换机

四、网络层

  1. 功能

    • 异构网互联
    • 路由转发与路由选择
    • 拥塞控制:开环控制(静态事先预防)、闭环控制(动态调整)
  2. 单位:数据报

  3. 路由算法

    • 静态路由算法(非自适应路由算法):手工配置路由信息
    • 动态路由算法(自适应路由算法):算法优化获得。
      1. 距离-向量路由算法:定期将路由选择表传送给相邻的结点
      2. 链路状态路由算法:每个路由器在自己的链路状态变化时,将链路状态信息用洪泛法转送给其他路由器
    • 层次路由
      1. 内部网关协议(域内路由选择):如RIP、OSPF
      2. 外部网关协议(域间路由选择):如BGP
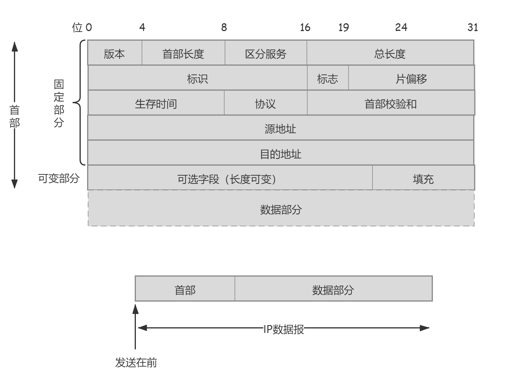
  4. IPV4数据报格式

    • 版本:指IP的版本,占4位
    • 首部长度:占4位,最大十进制数表示15,以4B为单位,最大值为60B。常用首部长度是20B
    • 长度:占16位。指首部和数据之和的长度,单位1B,因此数据报的最大长度为 2 16 = 65536 B 2^{16}=65536B 216=65536B
    • 标识:占16位
    • 标志:占3位。 最高位无用,DF,MF
    • 片偏移:占13位。分组在分片后,该片在原分组中的相对位置。单位:8B
    • 生存时间(TTL):占8位。数据报在网络中可通过的路由器数的最大值
    • 协议:占8位。指出此分组携带的数据使用何种协议,即分组的数据部分应交给哪个传输层协议,如TCP、UDP等。其中值为6表示TCP,值为17表示UDP
    • 首部校验和:占16位。IP数据报的首部校验和只校验分组的首部,不校验数据部分。
    • 源地址字段:占4B,标识发送方的IP地址。
    • 目的地址字段:占4B,标识接收方的IP地址。
  5. 转发分组的流程:直接交付、间接交付

  6. IP地址

    • 32比特的全球唯一标识符。由网络号主机号两部分组成。即 I P 地址 : : = < 网络号 > , < 主机号 > color{#E91E63}{IP地址::=}color{#9933FF} {<网络号>,<主机号>} IP地址::=<网络号><主机号>

    • 主机号全为0表示本网络本身

    • 主机号全为1表示本网络的广播地址,又称直接广播地址

    • 127.0.0.0 127.0.0.0 127.0.0.0 保留为环回自检地址

    • 32位全为0,即 0.0.0.0 0.0.0.0 0.0.0.0表示本网络上的本主机

    • 32位全为1, 即 255.255.255.255 255.255.255.255 255.255.255.255 表示,整个 T C P / I P TCP/IP TCP/IP 网络的广播地址又称受限广播地址。

    • 私有 I P IP IP 地址

      • A A A 类: 1个 A A A 类网段,即 10.0.0.0 10.0.0.0 10.0.0.0 ~ 10.255.255.255 10.255.255.255 10.255.255.255
      • B B B 类: 16 个 B B B 类网段,即 172.16.0.0 172.16.0.0 172.16.0.0 ~ 172.31.255.255 172.31.255.255 172.31.255.255
      • C C C 类: 256个 C C C 类网段,即 192.168.0.0 192.168.0.0 192.168.0.0 ~ 192.168.255.255 192.168.255.255 192.168.255.255
  7. 子网划分

    • 从主机号借用若干比特作为子网号
    • 三级IP地址的结构如下: I P 地址 = < 网络号 > , < 子网号 > , < 主机号 > color{#E91E63}IP地址=color{#9933FF}{<网络号>,<子网号>,<主机号>} IP地址=<网络号><子网号><主机号>
  8. 子网掩码

    • 1对应于IP地址中的网络号及子网号0对应于主机号

    • 子网的网络号=IP地址AND子网掩码(按位与)

    • 主机号 = I P 地址 − 网络号 color{#E91E63}主机号=color{#9933FF}IP地址-网络号 主机号=IP地址网络号

  9. NAT

    • NAT转换表中存放着 { 本地 I P 地址 : 端口 } {color{Green} left { 本地IP地址: 端口 right }} {本地IP地址:端口} { 全球 I P 地址 : 端口 } {color{Orange} left { 全球IP地址: 端口 right }} {全球IP地址:端口}的映射
    • 发送时需要替换源地址和端口号;接收时替换目的地址和端口号
  10. 无分类域间路由选择CIDR(构成超网)

    • I P IP IP 的无分类两级编址为: I P : : = < 网络前缀 > , < 主机号 > color{#E91E63}IP::=color{#9933FF}{<网络前缀>,<主机号>} IP::=<网络前缀><主机号>
    • “斜线记法”(或称CIDR记法):即IP地址网络前缀所占比特数
    • 子网号全0和全1可用
  11. 协议

    • 地址解析协议( A R P ARP ARP):完成 I P IP IP 地址到 M A C MAC MAC 地址的映射
    • 动态主机配置协议(DHCP):给主机动态分配 I P IP IP 地址
    • 网际控制报文协议( I C M P ICMP ICMP):
      1. I C M P ICMP ICMP 差错报告报文

        • 终点不可达
        • 源点抑制
        • 时间超过
        • 参数问题
        • 改变路由(重定向)

        注:不发送ICMP差错报文的情况:

        • 对ICMP差错报文不再发送
        • 对第一个分片的数据报片所有后续数据报片不发送
        • 组播地址不发送
        • 特殊地址(127.0.0.0,0.0.0.0)不发送
      2. I C M P ICMP ICMP 询问报文:

        • **4种类型:**回送请求和回答报文、时间戳请求和回答报文、掩码地址请求和回答报文、路由器询问和通告报文
        • P I N G PING PING 使用了 I C M P ICMP ICMP 回送请求和回答报文
        • T r a c e r o u t e Traceroute Traceroute 使用了 I C M P ICMP ICMP 时间超过报文
  12. IPv6地址

    • 地址128
    • 过渡策略:双协议栈、隧道技术
  13. 路由协议

    • 内部网关协议( I n t e r i o r Interior Interior G a t e w a y Gateway Gateway P r o t o c o l Protocol Protocol I G P IGP IGP

      1. 路由信息协议( R o u t i n g Routing Routing I n f o r m a t i o n Information Information P r o t o c o l Protocol Protocol R I P RIP RIP
        • 距离-向量的路由选择协议
        • 一条路径最多只能包含15个路由器(即最多允许15跳)。因此距离等于16跳表示网络不可达。
      2. 开放最短路径优先( O S P F OSPF OSPF
        • 洪泛法
        • Dijkstra最短路径算法SPF
    • 外部网关协议( E x t e r n a l External External G a t e w a y Gateway Gateway P r o t o c o l , E G P Protocol, EGP Protocol,EGP

    • 边界网关协议( B o r d e r Border Border G a t e w a y Gateway Gateway P r o t o c o l Protocol Protocol B G P BGP BGP

      • 是不同自治系统的路由器之间交换路由信息的协议,路径向量协议
      • 主干路由器可以兼作区域边界路由器
  14. IP组播

    • D类IP地址的后23位用作组播,前5位不可用
  15. 因特网组管理协议( I n t e r n e t Internet Internet G r o u p Group Group M a n a g e m e n t Management Management P r o t o c o l Protocol Protocol I G M P IGMP IGMP

  16. 网络层设备:路由器

五、传输层

  1. 功能

    • 提供应用进程之间端到端的通信
    • 复用、分用
    • 差错检测
    • 提供无连接服务UDP和面向连接服务TCP
  2. 单位:TCP报文段、UDP用户数据报

  3. 端口:应用进程通过端口号进行标识,端口号长度为16 b i t bit bit ,能表示65536个端口号

    • 服务器端使用的端口号

      1. 熟知端口号( 0 — 1023 0—1023 0—1023
      2. 登记端口号( 1024 — 49151 1024—49151 1024—49151
    • 客户端使用的端口号

      • 数值为 49152 — 65535 49152—65535 49152—65535
    • 套接字:唯一标识网络中的一台主机和其上的一个进程。 S o c k e t = ( I P 地址 : 端口号 ) {color{Green}Socket= left(IP地址:端口号 right)} Socket=(IP地址:端口号)

  4. UDP数据报

    • UDP无须建立连接
    • 无连接状态
    • 分组首部开销小,UDP仅有8B的开销
    • 应用层能更好地控制要发送的数据和发送时间,UDP没有拥寒控制
    • 支持一对一、一对多、多对多的交互通信
    • 不可靠交付
    • 面向报文
    • 报文的长度由发送应用进程决定
    • UDP数据报首部8B:源端口号2B、目的端口号2B、数据报长度2B、校验和2B
  5. TCP协议

    • TCP是面向连接的传输层协议
    • 点对点
    • 提供可靠的交付服务,保证传送的数据无差错、不丢失、不重复且有序
    • 提供全双工通信,允许通信双方的应用进程在任何时候都能发送数据
    • 面向字节流
    • TCP报文的长度则根据接收方给出的窗口值和当前网络拥塞程度来决定
  6. TCP协议建立连接(3次握手)

    • 客户机的 T C P TCP TCP 首先向服务器的 T C P TCP TCP 发送连接请求报文段。

    • 服务器的 T C P TCP TCP 收到连接请求报文段后,如同意连接,则向客户机发回确认,并为该 T C P TCP TCP 连接分配缓存和变量

    • 当客户机收到确认报文段后,还要向服务器给出确认,并为该TCP连接分配缓存和变量

      注:服务器端的资源是在完成第二次握手时分配的,而客户端的资源是在完成第三次握手时分配的,第三次握手报文段才可以携带数据

  7. TCP协议关闭连接(四次挥手)

    • 客户机打算关闭连接时,向其 T C P TCP TCP 发送连接释放报文段,并停止发送数据,主动关闭 T C P TCP TCP 连接。发送端不能再发送数据,但对方还可以发送数据
    • 服务器收到连接释放报文段后即发出确认
    • 服务器已没有要向客户机发送的数据,就通知 T C P TCP TCP 释放连接,此时其发出连接释放报文段
    • 客户机收到连接释放报文段后,必须发出确认。必须经过时间等待计时器设置的时间2MSL(最长报文段寿命)后,客户机才进入连接关闭状态
  8. 拥塞控制的四个算法

    1. 慢开始算法

      • 先令拥塞窗口 c w n d = 1 cwnd= 1 cwnd=1,每收到一个确认,拥塞窗口加1倍。拥塞窗口大小指数式增长,当网络拥塞时,从1开始,门限设置为出现拥塞时窗口的1半。当 2 c w n d > s s t h r e s h {color{Green} 2cwnd>ssthresh } 2cwnd>ssthresh时,下一个RTT后的 c w n d = s s t h r e s h {color{Green} cwnd=ssthresh } cwnd=ssthresh
    2. 拥塞避免算法

      • 发送方的拥塞窗口 C w n d Cwnd Cwnd 加1,使拥塞窗口线性增长
    3. 快重传

      • 当发送方连续收到三个重复的 A C K ACK ACK(确认号) 报文时,直接重传对方尚未收到的报文段
    4. 快恢复

      • 当发送方连续收到三个冗余 A C K ACK ACK(即重复确认)时,执行“乘法减小”算法,把慢开始门限设置为此时发送方 c w n d cwnd cwnd 的一半

六、应用层

  1. 网络应用模型
  • 客户/服务器模型 C l i e n t Client Client S e r v e r Server Server C / S C/S C/S
  • P 2 P P2P P2P 模型
  1. 域名:域名从右往左依次分为顶级域名、二级域名、三级域名

  2. 域名系统( D o m a i n Domain Domain N a m e Name Name S y s t e m System System D N S DNS DNS)(53号端口)

    • 主机名转换为IP地址。DNS 系统采用客户/服务器模型,其协议运行在UDP之上

    • D N S DNS DNS 分为3部分:层次域名空间域名服务器解析器

    • 域名服务器:根域名服务器、顶级域名服务器、权限域名服务器、本地域名服务器

    • 域名解析方式:递归查询、递归与迭代结合查询

  3. 应用层协议

    • 文件传输协议( F i l e File File T r a n s f e r Transfer Transfer P r o t o c o l Protocol Protocol F T P FTP FTP)(21号端口)

      • 控制连接(21端口号)
        • 传输控制信息、命令
        • 会话期间一直打开
      • 数据连接(20端口号):
        • 传输数据
        • 数据传输完成关闭
    • 简单邮件传输协议( S i m p l e Simple Simple M a i l Mail Mail T r a n s f e r Transfer Transfer P r o t o c o l Protocol Protocol S M T P SMTP SMTP)(25号端口)

      • 发送:SMTP协议,TCP协议
      • 拉取:POP3协议
    • WWW:万维网( W o r l d World World W i d e Wide Wide W e b Web Web w w w www www)是一个分布式、联机式的信息存储空间。

      • 统一资源定位符( U R L URL URL

        • 负责标识万维网上的各种文档,并使每个文档在整个万维网的范围内具有唯一的标识符URL。

        • 是对可以从因特网上得到的资源的位置和访问方法的一种简洁表示

        • 一般形式: < 协议 > : / / < 主机 > : < 端口 > / < 路径 > color{blue}< 协议> ://<主机 >: <端口 >/<路径 > <协议>://<主机>:<端口>/<路径>

          1. 协议:指用什么协议来获取万维网文档,常见的协议有http、ftp 等
          2. 主机:存放资源的主机在因特网中的域名或IP地址
      • 超文本传输协议( H T T P HTTP HTTP:应用层协议,TCP连接,80端口

        • HTTP/1.0非持久连接:每个资源都要建立TCP连接,n+1次TCP连接
        • HTTP/1.1持久连接:建立一次TCP连接,可以连续发送资源
      • 超文本标记语言( H T M L HTML HTML:一种文档结构的标记语言,它使用约定的标记对页面上的各种信息、格式进行描述。

最后

以上就是醉熏小猫咪最近收集整理的关于王道计算机网络考研复习指导知识点总结一、概述二、物理层三、数据链路层四、网络层五、传输层六、应用层的全部内容,更多相关王道计算机网络考研复习指导知识点总结一、概述二、物理层三、数据链路层四、网络层五、传输层六、应用层内容请搜索靠谱客的其他文章。

本图文内容来源于网友提供,作为学习参考使用,或来自网络收集整理,版权属于原作者所有。
点赞(201)

评论列表共有 0 条评论

立即
投稿
返回
顶部